摘要在热力发电厂中,水汽品质是一项重要指标。好的水汽品质可以提高热力设备的性能,延长设备的使用寿命,节约能源,减少事故发生率。反之...
题目电视银行前端子系统的设计与实现Title: Design and Implementation of Front Tront Terminal Tubsystem of TV Bank 摘 要...
全国扶贫开发信息系统业务管理子系统_登录_主页 2025 年全国扶贫开发信息系统业务管理子系统登录入口 各省、自治区、直辖市扶贫办...
目录 第一章 荷载和作用................................................................................3一、一般说明................
三、智能化子系统设计任务书1、项目建筑基础情况:**酒店位于古城西安著名的历史文化景点大雁塔南广场,北邻大雁塔及大雁塔北广场,南临规划...
Tripod 型冷原子系统中多重暗态、弱光传播和双光子带隙的相干控制现代光学技术使我们可以精确地通过原子去控制光或通过光去控制原子。比如...
车辆租赁管理子系统数据库设计(优质文档,可直接使用,可编辑,欢迎下载)武汉理工大学华夏学院课 程 设 计课程名称 数据库原理课程设...
设备管理子系统数据库设计报告书<设备管理子系统>——数据库设计报告指导老师:肖红彦武汉理工大学管理学院小组成员姓名专业班级学号组长组...
电力电子系统故障诊断方法 当前,电力电子技术已被广泛应用在生产与生活的各个领域,并发挥着越来越大的作用,这就使得人们对电力电子产品...
校园网络子系统方案一教校园子系统方案毕业设计组长:卢大庆 副组长:何龙组员:蔡金成、郑清、谷志刚、罗超 班级:11 级网络工程班指导...
小区智能化系统的信息网络子系统设计小区智能化系统的信息网络子系统设计王启乐 指导老师: 谷 刚( 广 东 工 业 大 学 自 动...
增值税防伪税控系统开票子系统软件通用版V6.15 用户手册 航天信息股份有限公司编写 国 家 税 务 总 局 审 核前 言根据国家税务...
基站节能子系统基站节能子系统动环接入施工法律规范 1、 现场升级 WYJ02a 监控主机,电话通知中心添加节能设备。 1) WYJ02a 现场为...
可为汽车电子系统提供网络联系的灵活平台由于汽车需要面对多种不同的路面及驾驶情况,因此车内的电子系统必须采纳多种不同的网络标准,才可...
智能建筑工程子系统检测记录表 湘质监统编智2025-C02系统名称智能化系统子系统名称安全防范系统序号1检测部位A11#施工单位长沙众强科技开...
通信与电子系统综合设计院系: 信息学院 6 系 姓名: 学号: 邮箱 手机: 2025 年 12 月 27 日设计一 实现 FPGA 对 CPLD...
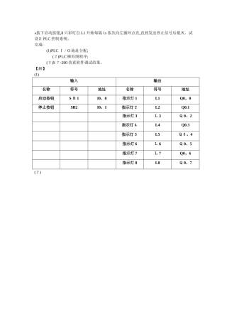
ﻩ按下启动按钮,8 只彩灯自 L1 开始每隔 1s 依次向左循环点亮,直到发出停止信号后熄灭。试设计 PLC 控制系统。完成: (1)PLC I/O...
1.1.综合布线子系统的设计1.5.1.统结构图及信息点的分布1.5.2.工作区子系统工作区子系统的目的是为用户提供一个符合标准,并满足高速数据传...
ERP采购管理子系统作者填写日期版本:1.0修改修改日期审核:审核日期1. 采购管理子系统1.1. 子系统概述1.1.1.子系统目标、范围采购管理通...
第十五节 任职资格接口子系统设计(五)职位管理制度和流程接口作为一个特别重要的接口环节,薪酬激励接口将在第二部分做重点讲解,此处临时...

