电脑桌面
添加小米粒文库到电脑桌面
安装后可以在桌面快捷访问

综合布线子系统的设计方案

综合布线子系统的设计方案_第1页
1/4
综合布线子系统的设计方案_第2页
2/4
综合布线子系统的设计方案_第3页
3/4
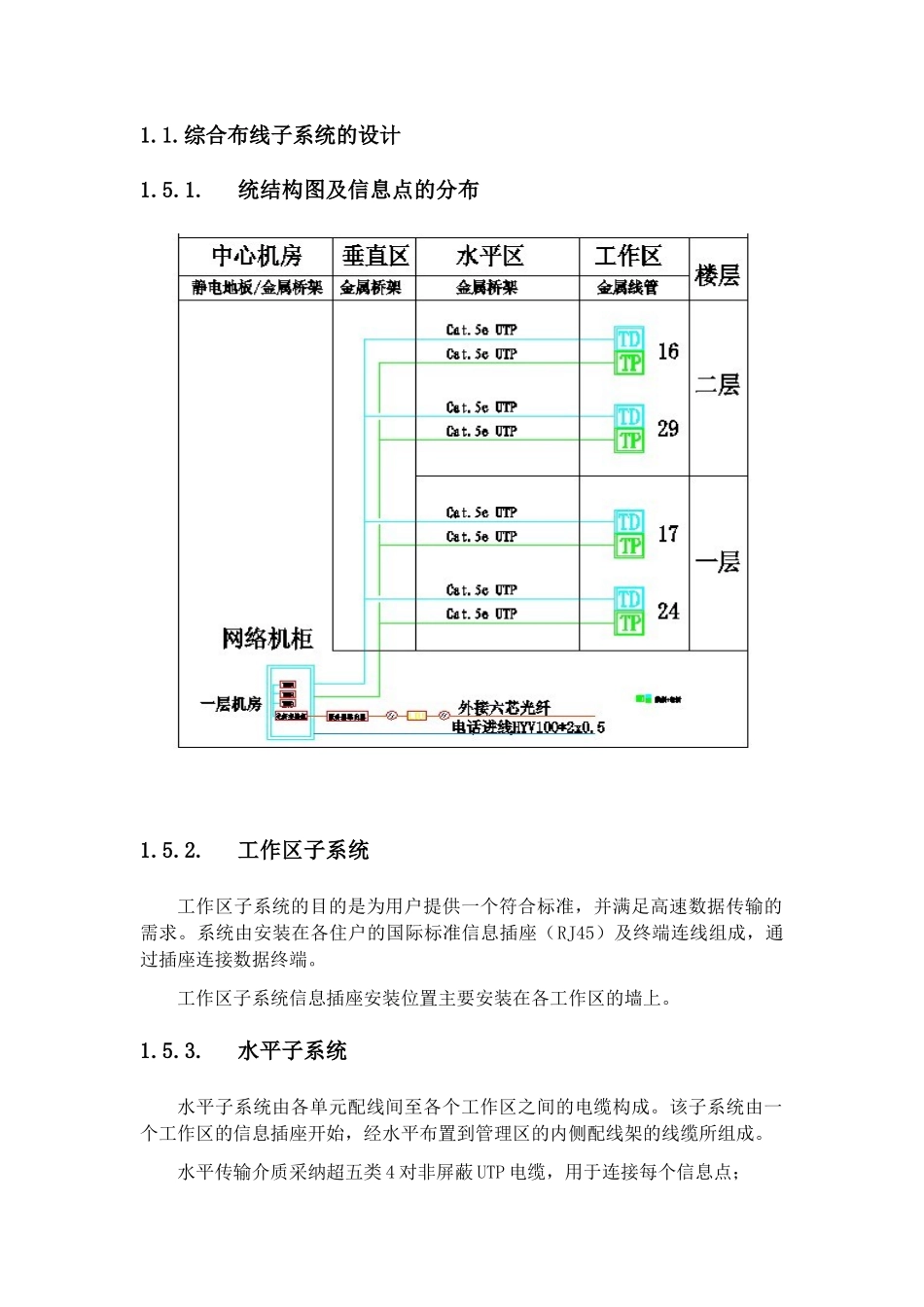
1.1.综合布线子系统的设计1.5.1.统结构图及信息点的分布1.5.2.工作区子系统工作区子系统的目的是为用户提供一个符合标准,并满足高速数据传输的需求。系统由安装在各住户的国际标准信息插座(RJ45)及终端连线组成,通过插座连接数据终端。工作区子系统信息插座安装位置主要安装在各工作区的墙上。1.5.3.水平子系统水平子系统由各单元配线间至各个工作区之间的电缆构成。该子系统由一个工作区的信息插座开始,经水平布置到管理区的内侧配线架的线缆所组成。水平传输介质采纳超五类 4 对非屏蔽 UTP 电缆,用于连接每个信息点;根据实际情况,水平线可从配线架经水平桥架、预埋穿管走线至各工作区。配线架与信息插座之间均为点到点端接,任何改变系统的操作(如增减用户,用户地址改变等)都不影响整个系统的工作,为系统线路故障检修提供极大方便。1.5.4.干线子系统垂直干线子系统由连接设备间与各层管理间的干线构成。其任务是将各楼层管理间的信息,传递到设备间并送至最终接口。垂直干线子系统的作用是将数据语音信号从设备室子系统传输到各楼子配线架。系统由垂直干线及相关支撑硬件组成,提供了设备间总配线架与各楼子配线架之间的干线路由。1.5.5.管理/设备间子系统管理子系统由各子配线间构成,主要用于交接水平子系统和垂直子系统。管理设备的选型和配置管理子系统连接水平电缆和垂直干线。是综合布线系统中关键的一环,常用设备包括快接式配线架、跳线和必要的网络设备。系统管理中心设置在网络中心,连接到所有子配线间的电缆、光缆汇合到机柜的模块化配线架及光纤配线架中。网络机柜选用 19“标准机柜 1 台;电缆配线架选用 24 口模块式配线架;跳线使用双绞线同品牌的原厂模块化跳线;跳线配置数量=信息端口数*21.5.6.布线管理及标识方案本布线系统管理及标识遵循 ANSI/TIA/EIA-606(CAS T528)《商业楼宇通信基础设施管理标准》。主要有线缆标签,终端硬件标识和终端位置标识。标识符:每一条电(光)缆都有一个唯一的标识符,此标识符标在每条电(光)缆的标签上。电(光)缆标签:每一条电(光)缆的两端均须做上标签。为了正确管理,在有的电(光)缆中间也要做上标签。信息插座标识符:按不同的系统,每一个信息插座有一个唯一的标识符并与水平电缆的标识符一一对应,此标识符标在每个信息插座的标签上。管理设备标识符:每个管理部件如机柜、各类配线架的都有不同的标识符标在相应的管理部件的标签上。标识符的编制:在...

1、当您付费下载文档后,您只拥有了使用权限,并不意味着购买了版权,文档只能用于自身使用,不得用于其他商业用途(如 [转卖]进行直接盈利或[编辑后售卖]进行间接盈利)。
2、本站所有内容均由合作方或网友上传,本站不对文档的完整性、权威性及其观点立场正确性做任何保证或承诺!文档内容仅供研究参考,付费前请自行鉴别。
3、如文档内容存在违规,或者侵犯商业秘密、侵犯著作权等,请点击“违规举报”。

碎片内容

综合布线子系统的设计方案

雏圣文化+ 关注
实名认证
内容提供者

欢迎光临,大量办公文档供您挑选。

确认删除?
VIP
微信客服
  • 扫码咨询
会员Q群
  • 会员专属群点击这里加入QQ群
客服邮箱
回到顶部