电脑桌面
添加小米粒文库到电脑桌面
安装后可以在桌面快捷访问

市政桥梁工程质量检验批质量验收记录表VIP免费

市政桥梁工程质量检验批质量验收记录表_第1页
1/102
市政桥梁工程质量检验批质量验收记录表_第2页
2/102
市政桥梁工程质量检验批质量验收记录表_第3页
3/102
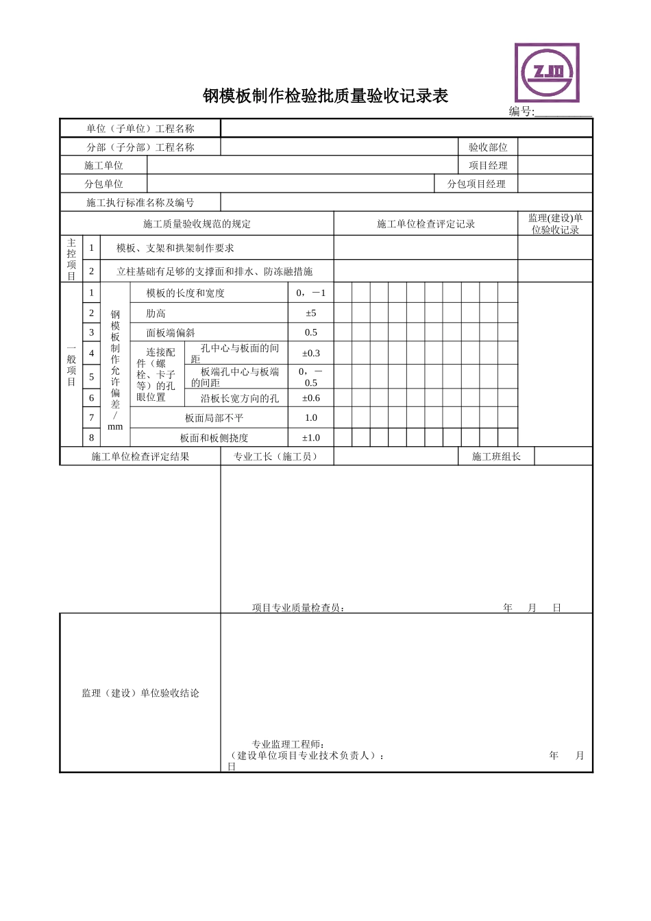
木模板制作检验批质量验收记录表编号:__________单位(子单位)工程名称分部(子分部)工程名称验收部位施工单位项目经理分包单位分包项目经理施工执行标准名称及编号施工质量验收规范的规定施工单位检查评定记录监理(建设)单位验收记录主控项目1模板、支架和拱架制作要求2立柱基础有足够的支撑面和排水、防冻融措施一般项目1木模板制作允许偏差/mm模板的长度和宽度±52不刨光模板相邻两板表面高低差33刨光模板和相邻两板表面高低差14平板模板表面最大的局部不平(刨光模板)35平板模板表面最大的局部不平(不刨光模板)36榫槽嵌接紧密度2施工单位检查评定结果专业工长(施工员)施工班组长项目专业质量检查员:年月日监理(建设)单位验收结论专业监理工程师:(建设单位项目专业技术负责人):年月日钢模板制作检验批质量验收记录表编号:__________单位(子单位)工程名称分部(子分部)工程名称验收部位施工单位项目经理分包单位分包项目经理施工执行标准名称及编号施工质量验收规范的规定施工单位检查评定记录监理(建设)单位验收记录主控项目1模板、支架和拱架制作要求2立柱基础有足够的支撑面和排水、防冻融措施一般项目1钢模板制作允许偏差/mm模板的长度和宽度0,-12肋高±53面板端偏斜0.54连接配件(螺栓、卡子等)的孔眼位置孔中心与板面的间距±0.35板端孔中心与板端的间距0,-0.56沿板长宽方向的孔±0.67板面局部不平1.08板面和板侧挠度±1.0施工单位检查评定结果专业工长(施工员)施工班组长项目专业质量检查员:年月日监理(建设)单位验收结论专业监理工程师:(建设单位项目专业技术负责人):年月日模板、支架和拱架安装检验批质量验收记录表编号:__________单位(子单位)工程名称分部(子分部)工程名称验收部位施工单位项目经理分包单位分包项目经理施工执行标准名称及编号施工质量验收规范的规定施工单位检查评定记录监理(建设)单位验收记录主控项目1模板、支架和拱架安装要求2立柱基础有足够的支撑面和排水、防冻融措施一般项目1相邻两板表面高低差/mm清水模板2混水模板4钢模板22表面平整度/mm清水模板3混水模板5钢模板33垂直度/mm墙、柱H/1000,且不大于6墩、台H/500,且不大于20塔柱H/3000,且不大于304模内尺寸/mm基础±10墩、台+5,-8梁、板、墙、柱、桩、拱+3,-65轴线偏位/mm基础15墩、台、墙10梁、柱、拱、塔柱8悬浇各梁段8横隔梁56支承面高程/mm+2,-57悬浇各梁段底面高程/mm+10,08预埋件/mm支座板、锚垫板、连接板等位置5平面高差2螺栓、锚筋等位置3外露长度±59预留孔洞/mm预应力筋孔道位置(梁端)5其他位置8孔径+10,010梁底模拱度/mm+5,-211对角线差/mm板7墙板5桩312侧向弯曲/mm板、拱肋、桁架L/1500柱、桩L/1000,且不大于10梁L/2000,且小大于1013支架、拱架/mm纵轴线的平面偏位L/2000,且不大于3014拱架高程/mm+20,-1015预埋件、预留孔内模固定施工单位检查评定结果专业工长(施工员)施工班组长项目专业质量检查员:年月日监理(建设)单位验收结论专业监理工程师:(建设单位项目专业技术负责人):年月日钢筋加工检验批质量验收记录表编号:__________单位(子单位)工程名称分部(子分部)工程名称验收部位施工单位项目经理分包单位分包项目经理施工执行标准名称及编号施工质量验收规范的规定施工单位检查评定记录监理(建设)单位验收记录主控项目1材料质量2钢筋弯制和末端弯钩规定一般项目1预埋件的规格、数量、位置等必须符合设计要求2钢筋表面要求3钢筋加工允许偏差/mm受力钢筋顺长度力方向全长的净尺寸+104弯起钢筋的弯折±205箍筋内净尺寸±5施工单位检查评定结果专业工长(施工员)施工班组长项目专业质量检查员:年月日监理(建设)单位验收结论专业监理工程师:(建设单位项目专业技术负责人):年月日钢筋网加工检验批质量验收记录表编号:__________单位(子单位)工程名称分部(子分部)工程名称验收部位施工单位项目经理分包单位分包项目经理施工执行标准名称及编号施工质量验收规范的规定施工单位检查评定记录监理(建设)单位验收记录主控项目1材料质量2钢筋弯制和末端弯钩规定一般项目1预埋件的规...

1、当您付费下载文档后,您只拥有了使用权限,并不意味着购买了版权,文档只能用于自身使用,不得用于其他商业用途(如 [转卖]进行直接盈利或[编辑后售卖]进行间接盈利)。
2、本站所有内容均由合作方或网友上传,本站不对文档的完整性、权威性及其观点立场正确性做任何保证或承诺!文档内容仅供研究参考,付费前请自行鉴别。
3、如文档内容存在违规,或者侵犯商业秘密、侵犯著作权等,请点击“违规举报”。

碎片内容

市政桥梁工程质量检验批质量验收记录表

文泉书屋+ 关注
实名认证
内容提供者

热爱教学事业,对互联网知识分享很感兴趣

确认删除?
VIP
微信客服
  • 扫码咨询
会员Q群
  • 会员专属群点击这里加入QQ群
客服邮箱
回到顶部