电脑桌面
添加小米粒文库到电脑桌面
安装后可以在桌面快捷访问

屋面工程质量验收表1(DOC12页)VIP免费

屋面工程质量验收表1(DOC12页)_第1页
1/11
屋面工程质量验收表1(DOC12页)_第2页
2/11
屋面工程质量验收表1(DOC12页)_第3页
3/11
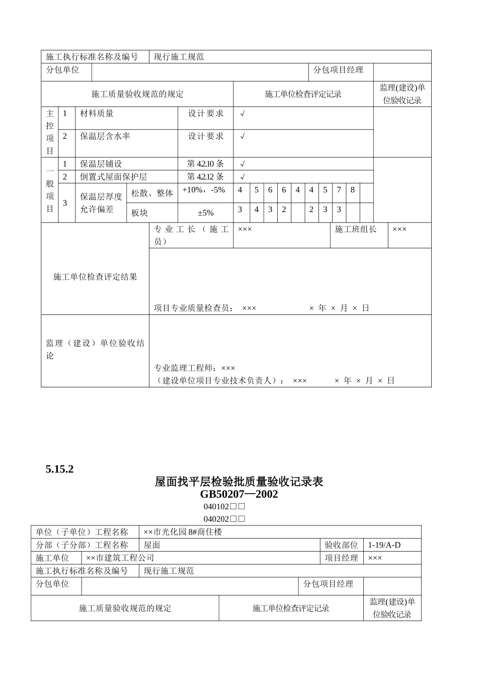
5.15.1屋面保温层检验批质量验收记录表GB50207—2002040101□□040201□□单位(子单位)工程名称××市光化园8#商住楼分部(子分部)工程名称屋面验收部位1-19/A-D施工单位××项目经理×××施工执行标准名称及编号现行施工规范分包单位分包项目经理施工质量验收规范的规定施工单位检查评定记录监理(建设)单位验收记录主控项目1材料质量设计要求√2保温层含水率设计要求√一般项目1保温层铺设第4.2.10条√2倒置式屋面保护层第4.2.12条√3保温层厚度允许偏差松散、整体+10%,-5%456644578板块±5%3432233施工单位检查评定结果专业工长(施工员)×××施工班组长×××项目专业质量检查员:××××年×月×日监理(建设)单位验收结论专业监理工程师:×××(建设单位项目专业技术负责人):××××年×月×日5.15.1屋面保温层检验批质量验收记录表GB50207—2002040101□□040201□□单位(子单位)工程名称××市光化园8#商住楼分部(子分部)工程名称屋面验收部位19-37/A-D施工单位××项目经理×××施工执行标准名称及编号现行施工规范分包单位分包项目经理施工质量验收规范的规定施工单位检查评定记录监理(建设)单位验收记录主控项目1材料质量设计要求√2保温层含水率设计要求√一般项目1保温层铺设第4.2.10条√2倒置式屋面保护层第4.2.12条√3保温层厚度允许偏差松散、整体+10%,-5%456644578板块±5%3432233施工单位检查评定结果专业工长(施工员)×××施工班组长×××项目专业质量检查员:××××年×月×日监理(建设)单位验收结论专业监理工程师:×××(建设单位项目专业技术负责人):××××年×月×日5.15.2屋面找平层检验批质量验收记录表GB50207—2002040102□□040202□□单位(子单位)工程名称××市光化园8#商住楼分部(子分部)工程名称屋面验收部位1-19/A-D施工单位××市建筑工程公司项目经理×××施工执行标准名称及编号现行施工规范分包单位分包项目经理施工质量验收规范的规定施工单位检查评定记录监理(建设)单位验收记录主控项目1材料质量及配合比设计要求√合格2排水坡度设计要求√一般项目1交接处和转角处细部处理第4.1.9条√合格2表面质量第4.1.10条√3分格缝位置和间距第4.1.11条√4表面平整度允许偏差5mm344324223施工单位检查评定结果专业工长(施工员)×××施工班组长×××项目专业质量检查员:××××年×月×日监理(建设)单位验收结论专业监理工程师:×××(建设单位项目专业技术负责人):××××年×月×日5.15.2屋面找平层检验批质量验收记录表GB50207—2002040102□□040202□□单位(子单位)工程名称××市光化园8#商住楼分部(子分部)工程名称屋面验收部位19-37/A-D施工单位××市建筑工程公司项目经理×××施工执行标准名称及编号现行施工规范分包单位分包项目经理施工质量验收规范的规定施工单位检查评定记录监理(建设)单位验收记录主控项目1材料质量及配合比设计要求√合格2排水坡度设计要求√一般项目1交接处和转角处细部处理第4.1.9条√合格2表面质量第4.1.10条√3分格缝位置和间距第4.1.11条√4表面平整度允许偏差5mm344324223专业工长(施工员)×××施工班组长×××施工单位检查评定结果项目专业质量检查员:××××年×月×日监理(建设)单位验收结论专业监理工程师:×××(建设单位项目专业技术负责人):××××年×月×日5.15.3卷材防水层检验批质量验收记录表GB50207—2002040103□□单位(子单位)工程名称××市光化园8#商住楼分部(子分部)工程名称屋面验收部位1-19/A-D施工单位××市建筑工程公司项目经理×××施工执行标准名称及编号现行施工规范√分包单位分包项目经理施工质量验收规范的规定施工单位检查评定记录监理(建设)单位验收记录主控项目1卷材及配套材料质量设计要求√2卷材防水层第4.3.16条√3防水细部构造第4.3.17条√一般项目1卷材搭接缝与收头质量第4.3.18条√2卷材保护层第4.3.19条√3排汽屋面孔道留置第4.3.20条√4卷材铺贴方向铺贴方向正确√5搭接宽度允许偏差-10mm567854566施工单位检查评定结果专业工长(施工员)×××施工班组长×××项目专业质量检查员:×...

1、当您付费下载文档后,您只拥有了使用权限,并不意味着购买了版权,文档只能用于自身使用,不得用于其他商业用途(如 [转卖]进行直接盈利或[编辑后售卖]进行间接盈利)。
2、本站所有内容均由合作方或网友上传,本站不对文档的完整性、权威性及其观点立场正确性做任何保证或承诺!文档内容仅供研究参考,付费前请自行鉴别。
3、如文档内容存在违规,或者侵犯商业秘密、侵犯著作权等,请点击“违规举报”。

碎片内容

屋面工程质量验收表1(DOC12页)

您可能关注的文档

文泉书屋+ 关注
实名认证
内容提供者

热爱教学事业,对互联网知识分享很感兴趣

确认删除?
VIP
微信客服
  • 扫码咨询
会员Q群
  • 会员专属群点击这里加入QQ群
客服邮箱
回到顶部