电脑桌面
添加小米粒文库到电脑桌面
安装后可以在桌面快捷访问

新能源汽车实训室设备技术方案VIP免费

新能源汽车实训室设备技术方案_第1页
1/23
新能源汽车实训室设备技术方案_第2页
2/23
新能源汽车实训室设备技术方案_第3页
3/23
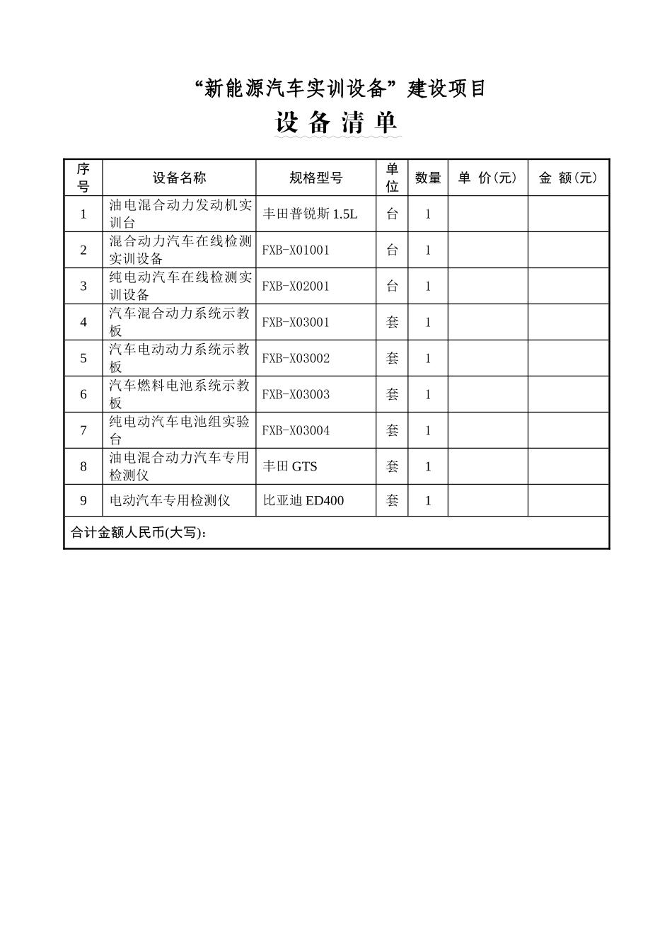
“新能源汽车实训设备”建设项目设备清单序号设备名称规格型号单位数量单价(元)金额(元)1油电混合动力发动机实训台丰田普锐斯1.5L台12混合动力汽车在线检测实训设备FXB-X01001台13纯电动汽车在线检测实训设备FXB-X02001台14汽车混合动力系统示教板FXB-X03001套15汽车电动动力系统示教板FXB-X03002套16汽车燃料电池系统示教板FXB-X03003套17纯电动汽车电池组实验台FXB-X03004套18油电混合动力汽车专用检测仪丰田GTS套19电动汽车专用检测仪比亚迪ED400套1合计金额人民币(大写):“新能源汽车实训设备”建设项目详细技术方案序号设备名称规格型号详细技术性能、规格与配置说明单位数量1油电混合动力发动机实训台丰田普锐斯1.5L一、产品简介该设备采用丰田普锐斯1.5L油电混合动力发动机和电子传动桥为基础,可对发动机和电子传动桥进行起动、加速、减速等工况的实践操作,真实展示油电混合动力发动机的组成结构和工作过程。适用于中高等职业技术院校、普通教育类学院和培训机构对油电混合动力发动机和维修实训的教学需要。二、功能特点1.真实可运行的油电混合动力发动机,充分展示油电混合动力发动机的组成结构和工作过程。2.实训台面板采用4mm厚耐腐蚀、耐创击、耐污染、防火、防潮的高级铝塑板,表面经特殊工艺喷涂底漆处理;面板打印有永不褪色的彩色电路图,表面喷涂光油;学员可直观对照电路图和油电混合动力发动机实物,认识和分析控制系统的工作原理。3.实训台面板上安装有汽车仪表和多功能显示台1屏,可实时显示动力传递过程、车速等、电控系统故障指示灯等参数变化。4.实训台面板上安装有检测端子、可直接在面板上检测各传感器、执行器、发动机控制单元、自动变速器、混合动力单元、电源控制单元管脚的电信号,如电阻、电压、电流、频率信号等。5.实训台安装有诊断座,可连接专用汽车解码器,对发动机、自动变速器、混合动力、电源等电控系统进行读取故障码、清除故障码、读取数据流等自诊断功能。6.实训台配备有油门控制装置,可方便对发动机加速减速。7.实训台配备有电源总开关、水箱防护罩、飞轮防护罩等安装保护装置。8.实训台底座采用钢结构焊接,表面采用喷涂工艺处理,带自锁脚轮装置,移动灵活,安全可靠、坚固耐用。9.配备无线智能化故障设置和考核系统:采用最新MCU技术RAM处理芯片的数字化集成电路板与配套无线故障设置控制系统,拥有专利技术,系统稳定、不易感染病毒。控制模块(PC控制终端或手持移动控制终端)和驱动模块(智能故障设置驱动盒)分离,避免复杂连线干扰控制器,系统更加可靠。驱动模块内置智能故障设置控制系统,配有专用新型无线数据传输模块(可插拔型)和RS232串行通讯接口,可无线组网通讯和RS232有线通讯。手持移动控制终端采用7寸高清晰彩色液晶触控屏,中文菜单式触控操作界面,人机对话友好。手持移动控制终端可控制任意一台带驱动模块的实训设备。手持移动控制终端不联网时可作单机操作,当带驱动模块的实训设备无线组网时,手持移动控制终端可无线进网作为联网终端,可作学生机登录实训与考核的操作终端,也可作教师机登录出题设故的操作终端。可通过PC控制终端进行实训考核,也可通过手持移动控制终端进行实训考核,教师与学员界面分开,教师通过密码进入教师界面出题,学员在普通界面答题。(注:教师与学员设故与排故界面原理图与设备面板原理图完全一致)可自由设定任意一处与汽车电控模块引脚有关的各种常见故障,故障类型包括:线路断路、对地短路、接触不良,偶发等故障现象。每套驱动模块可以设置8路大电流5A的开路故障、16路小电流2A的信号通路的开路、不良、偶发、短路等故障,共24路故障设置。可根据需求扩展设置64路大电流5A的开路故障、128路小电流2A的信号通路的开路、不良、偶发、短路等故障,共192路故障设置。可根据用户使用要求调整故障设置点的数量和故障设置类型。所有配备驱动模块的实训设备,均可通过内置的专用新型无线数据传输模块无线组网,实现远程集中管理。用户可选择通过无线或RS-232串口通讯与其它实训设备配套的无线故障设置控制系统组成一个网络,通过主控计算机控制每一台实训设备的故障...

1、当您付费下载文档后,您只拥有了使用权限,并不意味着购买了版权,文档只能用于自身使用,不得用于其他商业用途(如 [转卖]进行直接盈利或[编辑后售卖]进行间接盈利)。
2、本站所有内容均由合作方或网友上传,本站不对文档的完整性、权威性及其观点立场正确性做任何保证或承诺!文档内容仅供研究参考,付费前请自行鉴别。
3、如文档内容存在违规,或者侵犯商业秘密、侵犯著作权等,请点击“违规举报”。

碎片内容

新能源汽车实训室设备技术方案

确认删除?
VIP
微信客服
  • 扫码咨询
会员Q群
  • 会员专属群点击这里加入QQ群
客服邮箱
回到顶部