电脑桌面
添加小米粒文库到电脑桌面
安装后可以在桌面快捷访问

饰面砖粘贴工程检验批质量验收记录表VIP免费

饰面砖粘贴工程检验批质量验收记录表_第1页
1/2
饰面砖粘贴工程检验批质量验收记录表_第2页
2/2
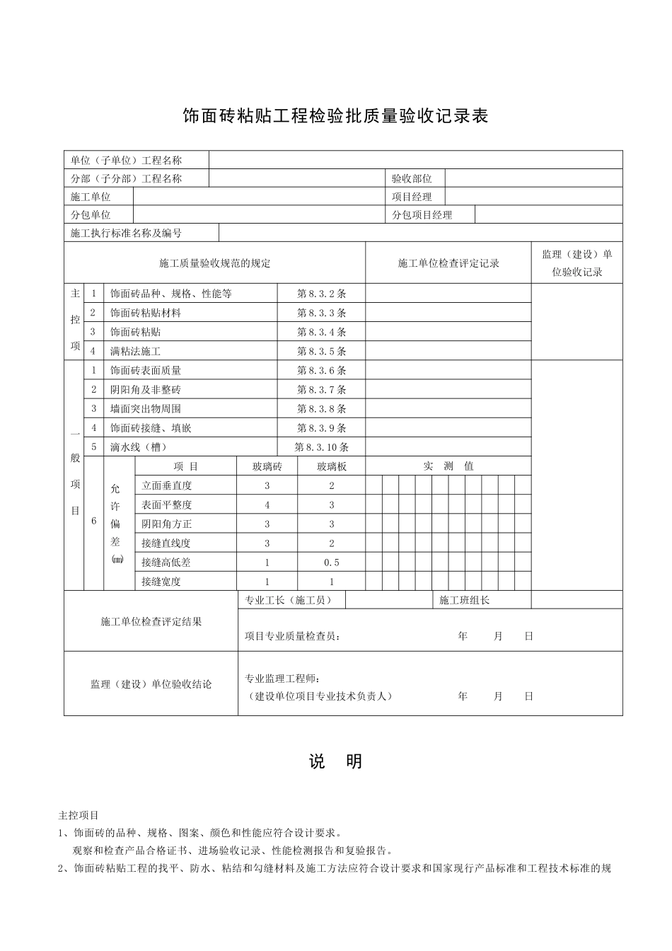
饰面砖粘贴工程检验批质量验收记录表单位(子单位)工程名称分部(子分部)工程名称验收部位施工单位项目经理分包单位分包项目经理施工执行标准名称及编号施工质量验收规范的规定施工单位检查评定记录监理(建设)单位验收记录主控项目1饰面砖品种、规格、性能等第8.3.2条2饰面砖粘贴材料第8.3.3条3饰面砖粘贴第8.3.4条4满粘法施工第8.3.5条一般项目1饰面砖表面质量第8.3.6条2阴阳角及非整砖第8.3.7条3墙面突出物周围第8.3.8条4饰面砖接缝、填嵌第8.3.9条5滴水线(槽)第8.3.10条6允许偏差(mm)项目玻璃砖玻璃板实测值(mm)立面垂直度32表面平整度43阴阳角方正33接缝直线度32接缝高低差10.5接缝宽度11施工单位检查评定结果专业工长(施工员)施工班组长项目专业质量检查员:年月日监理(建设)单位验收结论专业监理工程师:(建设单位项目专业技术负责人)年月日说明主控项目1、饰面砖的品种、规格、图案、颜色和性能应符合设计要求。观察和检查产品合格证书、进场验收记录、性能检测报告和复验报告。2、饰面砖粘贴工程的找平、防水、粘结和勾缝材料及施工方法应符合设计要求和国家现行产品标准和工程技术标准的规定。检查产品合格证书、复验报告和隐蔽工程验收记录。3、饰面砖粘贴必须牢固。检查样板件粘结强度检测报告和施工记录。4、满粘法施工的饰面砖工程应无空鼓、裂缝。观察和小锤轻击检查。一般项目1、饰面砖表面应平整、洁净、色泽一致,无裂痕和缺损。观察检查。2、阴阳角处搭接方式、非整砖使用部位应符合设计要求。观察检查。3、墙面突出物周围的饰面砖应整砖套割吻合,边缘应整齐。墙裙、贴脸突出墙面的厚度应一致。观察和尺量检查。4、饰面砖接缝应平直、光滑,填嵌应连续、密实;宽度和深度应符合设计要求。观察和尺量检查。5、有排水要求的部位应做滴水线(槽)。滴水线(槽)应顺直,流水坡向应正确,坡度应符合设计要求。观察和用水平尺检查。6、饰面砖粘贴的允许偏差的检验方法:(1)立面垂直度,用2m垂直检测尺检查。(2)表面平整度,用2m靠尺和塞尺检查。(3)阴阳角方正,用直角检测尺检查。(4)接缝直线度,拉5m,不足5m拉通线,用钢直尺检查。(5)接缝高低差,用钢直尺和塞尺检查。(6)接缝宽度,用钢直尺检查。

1、当您付费下载文档后,您只拥有了使用权限,并不意味着购买了版权,文档只能用于自身使用,不得用于其他商业用途(如 [转卖]进行直接盈利或[编辑后售卖]进行间接盈利)。
2、本站所有内容均由合作方或网友上传,本站不对文档的完整性、权威性及其观点立场正确性做任何保证或承诺!文档内容仅供研究参考,付费前请自行鉴别。
3、如文档内容存在违规,或者侵犯商业秘密、侵犯著作权等,请点击“违规举报”。

碎片内容

饰面砖粘贴工程检验批质量验收记录表

文泉书屋+ 关注
实名认证
内容提供者

热爱教学事业,对互联网知识分享很感兴趣

确认删除?
VIP
微信客服
  • 扫码咨询
会员Q群
  • 会员专属群点击这里加入QQ群
客服邮箱
回到顶部