关于固定资产标签粘贴要求的通知为更好完成公司资产标签粘贴工作,针对在资产标签粘贴过程中可能出现的问题,拟定以下指导及要求:一、资产...
室内瓷砖粘贴合同甲方(全称): 乙方(全称): 经 甲 、 乙 双 方 协 商 , 甲 方 将 工 程 的 劳务分包给乙方施工。为...
仿古建筑墙体干摆丝缝青砖饰面施工工法工法编号:ZJ1GF—***—2025编制单位:中建一局集团第三建筑有限公司主要执笔人:路占卫 李达明 ...
差旅费报销单据粘贴填写流程为了更好的管理财务工作,配合各部门审批方便简洁化,提高工作效率,现拟定《报销单据粘贴填写流程》,请各部门认...
目 录第一章 编制依据...............................................................................................................
目 录一、编制依据...................................................................................................................
外墙饰面砖粘贴工程本章适用于建筑工程高度不大于 100m、抗震设防烈度不大于 8 度、采纳满粘法施工的外墙饰面砖粘贴工程。一、材料要求...
文化石及其施工工艺一、天然文化石与人造文化石文化石在家庭装饰中使用源自国外。虽然我国早就使用类似的墙面处理,但一般是用于室外。20 ...
地砖、墙砖粘贴分项工程劳务分包合同甲 方: 乙 方: 工程名称: 工程地址: 甲方将承建的 工程的地砖、墙砖粘贴分项工程承包给乙方...
内墙饰面砖粘贴检验批质量验收记录 03080201_____ 单位(子单位)工程名称智多星分部(子分部)工程名称建筑装饰装修/饰面板分项工程名称内...
外墙通体砖粘贴劳务分包合同甲方:XX 工程项目部乙方: (身份证号码: )根据《中华人民共和国合同法》、《中华人民共和国建筑法》及其...
《建筑结构试验》实验报告课程名称: 《建筑结构试验》 实验名称: 电阻应变片的粘贴 院 (系): 土木工程学院 专业班级: 土木工...
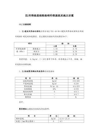
ZL 外饰面层粘贴面砖外保温技术施工方案一、工程材料1、ZL 建筑用界面处理剂应符合 DBJ/T01-40-98《建筑用界面处理剂应用技术规程》规定...
外墙通体砖施工中常见问题分类存在问题及标准照片1:外墙砖粘贴过程中存在问题大面贴砖过程中上下层砖错位粘贴转角间拼接不对缝外墙砖粘贴...
纤维复合材料粘贴加固工程1 适用范围纤维复合材料加固修补钢筋混凝土结构可广泛适用于各种结构类型(如建筑物、构筑物、桥梁、隧道、涵洞...
聚苯板外墙保温粘贴面砖质量控制聚苯板外墙保温粘贴面砖质量控制 [摘要]本文主要简述建筑外墙外保温粘贴面砖存在的质量问题,结合本施工工...
浅谈表面粘贴碳纤维布在现有建构筑物加固中的应用浅谈表面粘贴碳纤维布在现有建构筑物加固中的应用 【摘 要】本文通过对碳纤维材料性能及...
浅谈粘贴碳纤维布加固旧桥施工技术浅谈粘贴碳纤维布加固旧桥施工技术 摘要:结合两座旧桥板梁加固实例,浅谈利用粘贴碳纤维布来加固板梁的...
水库泄水建筑工程中的粘贴钢板加固技术水库泄水建筑工程中的粘贴钢板加固技术 摘要:在建筑工程加固改造工作中,粘贴加固是常用方法之一,...
外墙抹灰及粘贴外墙砖技术交底一、施工前准备: 1、必须经过有关部门进行结构工程的验收,合格后方可进行抹灰施工。2、所用水泥必须经过试...

