电脑桌面
添加小米粒文库到电脑桌面
安装后可以在桌面快捷访问

市政工程实体质量检查表VIP免费

市政工程实体质量检查表_第1页
1/7
市政工程实体质量检查表_第2页
2/7
市政工程实体质量检查表_第3页
3/7
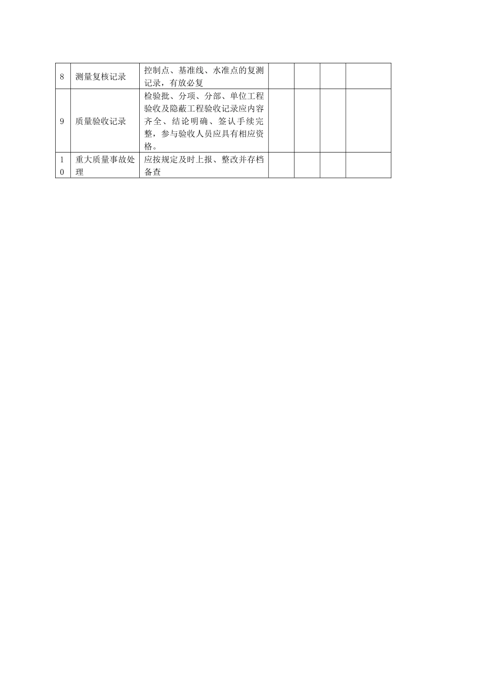
附件12表12-1市政工程实体质量检查表(道路工程、排水工程)工程名称开工日期施工单位项目经理监理单位总监序号检查项目检查内容和方法评价备注符合基本符合不符合一工程资料1施工组织设计(方案)、技术交底、施工日志施组有质量目标,审批手续齐全施工技术交底齐全,手续完备;配比通单施工日志2原材料、构配件、预制构件及商品混凝土水泥、钢筋、砂石料、石灰、砖、沥青、商品混凝土应具有出厂合格证明及现场检测报告,预制构件应进行结构性能检测3见证取样和送检记录水泥、掺和料、外加剂、混凝土试块、钢筋等见证取样和送检记录资料及相关试验(检验)报告单4图纸会审、设计交底,施工图设计文件修改、变更、洽商图纸会审、设计交底应符合程序,记录完整施工图设计文件修改、变更、洽商应符合程序,记录完整5施工试验资料道路侧各层密实检验回填土密实度混凝土试块抗压、抗折强度试验报告及统计评定沥青混凝土含油量试验6功能性检验污水管道闭水试验路床、基层、沥青路面弯沉试验7施工记录混凝土浇筑施工记录;沥青混凝土摊铺施工记录应内容完整、记录真实8测量复核记录控制点、基准线、水准点的复测记录,有放必复9质量验收记录检验批、分项、分部、单位工程验收及隐蔽工程验收记录应内容齐全、结论明确、签认手续完整,参与验收人员应具有相应资格。10重大质量事故处理应按规定及时上报、整改并存档备查二路基1路基填土压实度检验2车辙经12~15t压路机碾压检验,轮印不大于5㎜3土路床不得有翻浆、软弹、起皮、波浪、积水等现象三水稳基层1配合比应符合设计要求2现场施工严禁低于5℃的条件施工,从拌和到碾压终了的延时时间不得超过4h。混合料严禁路拌,必须机械拌和。3强度、刚度基层的7d饱水抗压强度、基层顶面弯沉必须符合设计要求四沥青面层1配合比沥青混合料的目标配合比、生产配合比、试拌试铺验证配合比三个阶段的配比设计应符合设计要求。2压实度、厚度、平整度应满足设计及验收规范的要求五水泥混凝土面层1水泥主干道必须使用普通硅酸盐水泥,严禁使用矿渣水泥2混凝土配比查阅配合比设计检验报告3强度、厚度必须符合设计要求4外观无裂缝、断板、孔洞、起砂、露石现象六排水工程1地基地基承载力、高程应满足设计及规范、标准要求,检查验槽记录2沟槽开挖边坡、支护、几何尺寸应满足设计及规范、标准操作规程的要求3管道安装或箱涵(渠道)砌筑沟槽开挖到设计标高后,及时施工垫层。管道纵向无反坡4回填分层回填结果统计符合项,基本符合项,不符合项检查组成员:年月日表12-2市政工程实体质量检查表(桥梁工程)工程名称开工日期施工单位项目经理监理单位总监序号检查项目检查内容和方法评价备注符合基本符合不符合一工程资料1施工组织设计(方案)、技术交底、施工日志施组有质量目标,审批手续齐全施工技术交底齐全,手续完备;配比通单施工日志2原材料、构配件、预制构件及商品混凝土水泥、钢筋、砂石料、沥青、预应力混凝土的锚具、夹具、商品混凝土应具有出厂合格证明及现场检测报告,预制构件应进行结构性能检测3见证取样和送检记录主体结构用水泥及外加剂、混凝土试块、钢筋及连接接头试件等见证取样和送检记录资料及相关试验(检验)报告单4图纸会审、设计交底,施工图设计文件修改、变更、洽商图纸会审、设计交底应符合程序,记录完整施工图设计文件修改、变更、洽商应符合程序,记录完整5施工试验资料混凝土配合比设计检验报告、混凝土抗压强度试验报告及统计评定主体结构的受力钢筋及连接接头检测报告钢结构焊缝质量检测报告基桩检测报告(承载力检测、完整性检测)6功能性检验动、静载试验7施工记录桩基钻孔施工记录、桩基水下混凝土浇筑记录;混凝土浇筑施工记录;预应力张拉、灌浆记录应内容完整、记录真实8测量复核记录控制点、基准线、水准点的复测记录,有放必复9质量验收记录检验批、分项、分部、单位工程验收及隐蔽工程验收记录应内容齐全、结论明确、签认手续完整,参与验收人员应具有相应资格。10重大质量事故处理应按规定及时上报、整改并存档备查二基础1试件强度;桩长、桩径;桩位偏差、桩头锚固筋长度、桩顶标高、应符合设计要求三主体结构...

1、当您付费下载文档后,您只拥有了使用权限,并不意味着购买了版权,文档只能用于自身使用,不得用于其他商业用途(如 [转卖]进行直接盈利或[编辑后售卖]进行间接盈利)。
2、本站所有内容均由合作方或网友上传,本站不对文档的完整性、权威性及其观点立场正确性做任何保证或承诺!文档内容仅供研究参考,付费前请自行鉴别。
3、如文档内容存在违规,或者侵犯商业秘密、侵犯著作权等,请点击“违规举报”。

碎片内容

市政工程实体质量检查表

确认删除?
VIP
微信客服
  • 扫码咨询
会员Q群
  • 会员专属群点击这里加入QQ群
客服邮箱
回到顶部