电脑桌面
添加小米粒文库到电脑桌面
安装后可以在桌面快捷访问

水泥冷再生技术在路面基层施工中的应用111VIP免费

水泥冷再生技术在路面基层施工中的应用111_第1页
1/6
水泥冷再生技术在路面基层施工中的应用111_第2页
2/6
水泥冷再生技术在路面基层施工中的应用111_第3页
3/6
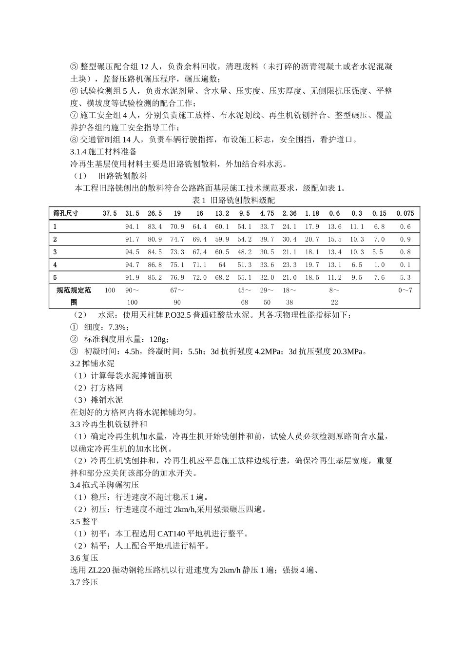
水泥冷再生技术在路面基层施工中的应用摘要:通过实际施工经验,总结出水泥路面基层冷再生技术在施工中的合理施工流程和各个施工环节的要求标准,同时在实际施工实际中经过反复试验、研究得出施工过程中对含水量、铣刨深度等细节对施工质量的影响规律和程度以及冷再生路面使用性能情况。关键词:冷再生;水泥路面基层;施工方法;旧路铣刨0引言公路建设高速发展之后,必转入公路路面养护高峰。采用传统的路面养护技术需消耗大量自然资源,同时产生大量难以处理的旧路铣刨废料。怎样解决可持续发展与环保这一时代问题,水泥冷再生基层以技术可靠、工艺简单、质量稳定赢得公路工作者的青睐。1工程概况该工程全长7.367公里,全线无桥梁,1处圆管涵重建。该工程为改造工程,改造后技术等级不变,为平原微丘区三级公路。全线采用沥青混凝土路面,路基宽度为8米,路面宽度为7米,土路肩宽度为2×0.5米。2冷再生基层的施工工艺流程本工程采用冷再生设备现场就地铣刨拌和,主要施工工艺流程如图1所示。施工准备施工放样检测旧路含水量布水泥再生机铣刨拌合检测含水量水泥剂量羊角碾初压整型测外观尺寸复压和终压检测压实度覆盖毛毡初期养护侧强度作评定3冷再生基层具体施工方法3.1施工准备(1)进行旧路病害程度、旧路面弯沉值检测,验证设计合理性;(2)根据各项设计指标,委托有资质的试验单位做各类标准试验(混合料配比试验,标准击实试验,水泥剂量检测标准曲线,无侧限抗压强度等);(3)组建工地试验室,制定冷再生基层施工质量检测方法和程序;(4)成立各级质量管理组织,制定质量管理制度,建立健全施工质量保证体系。3.1.2施工机械准备冷再生基层施工选用机械:WR2500S再生机1台,ZL25型拖式振动羊脚碾1台,CAT140型平地机1台,ZL220型振动钢轮压路机1台,XP261型胶轮压路机1台,8T洒水车6台(4台用于养护,2台用于冷再生加水)。3.1.3施工人员准备(1)施工技术人员12人,包括技术总工1人,道路工程师1人,质检工程师1人,试验室主任1人,施工放线、布水泥技术员1人,再生机铣刨混合料质量检测技术员1人,平整度、横坡度检测技术员1人,水泥剂量、含水量检测技术员1人,压实度检测技术员2人,施工资料收集整理2人。(2)施工作业人员共58人,具体分工如下:①施工放样组3人,负责清理路表杂物,施工中线、边线放样;②划线组4人,负责丈量布水泥宽度,计算每袋水泥应布长度、宽度,并划线;③布水泥组12人,负责水泥装运,按照水泥预布方格将水泥摊铺;④冷再生机拌和组4人,负责协调冷再生机加水,检测铣刨深度、宽度、铣刨横坡度、含水量、铣刨散料质量以及指挥再生机操作;⑤整型碾压配合组12人,负责余料回收,清理废料(未打碎的沥青混凝土或者水泥混凝土块),监督压路机碾压程序,碾压遍数;⑥试验检测组5人,负责水泥剂量、含水量、压实度、压实厚度、无侧限抗压强度、平整度、横坡度等试验检测的配合工作;⑦施工安全组4人,分别负责施工放样、布水泥划线、再生机铣刨拌合、整型碾压、覆盖养护各组的施工安全指导工作;⑧交通管制组14人,负责车辆行驶指挥,布设施工标志,安全围挡,看护道口。3.1.4施工材料准备冷再生基层使用材料主要是旧路铣刨散料,外加结合料水泥。(1)旧路铣刨散料本工程旧路铣刨出的散料符合公路路面基层施工技术规范要求,级配如表1。表1旧路铣刨散料级配筛孔尺寸37.531.526.5191613.29.54.752.361.180.60.30.150.075194.183.470.964.460.154.133.724.117.913.611.16.80.6291.780.974.769.459.954.239.730.420.715.510.37.00.9394.584.573.367.460.548.230.521.118.113.410.35.50.8494.786.875.171.16451.333.623.319.713.16.51.00.1591.985.276.972.068.255.132.021.018.511.29.57.65.3规范规定范围10090~10067~9045~6829~5018~388~220~7(2)水泥:使用天柱牌P.O32.5普通硅酸盐水泥。其各项物理性能指标如下:①细度:7.3%;②标准稠度用水量:128g;③初凝时间:4.5h,终凝时间:5.5h;3d抗折强度4.2MPa;3d抗压强度20.3MPa。3.2摊铺水泥(1)计算每袋水泥摊铺面积(2)打方格网(3)摊铺水泥在划好的方格网内将水泥摊铺均匀。3.3冷...

1、当您付费下载文档后,您只拥有了使用权限,并不意味着购买了版权,文档只能用于自身使用,不得用于其他商业用途(如 [转卖]进行直接盈利或[编辑后售卖]进行间接盈利)。
2、本站所有内容均由合作方或网友上传,本站不对文档的完整性、权威性及其观点立场正确性做任何保证或承诺!文档内容仅供研究参考,付费前请自行鉴别。
3、如文档内容存在违规,或者侵犯商业秘密、侵犯著作权等,请点击“违规举报”。

碎片内容

水泥冷再生技术在路面基层施工中的应用111

文泉书屋+ 关注
实名认证
内容提供者

热爱教学事业,对互联网知识分享很感兴趣

确认删除?
VIP
微信客服
  • 扫码咨询
会员Q群
  • 会员专属群点击这里加入QQ群
客服邮箱
回到顶部