电脑桌面
添加小米粒文库到电脑桌面
安装后可以在桌面快捷访问

水泥搅拌桩试桩方案(修改)VIP免费

水泥搅拌桩试桩方案(修改)_第1页
1/7
水泥搅拌桩试桩方案(修改)_第2页
2/7
水泥搅拌桩试桩方案(修改)_第3页
3/7
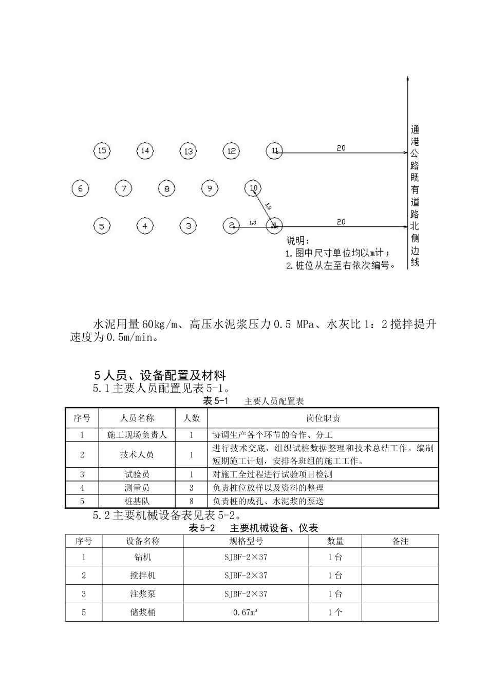
泉州台商投资区通港公路拓改工程(沿海大通道-杏秀路)水泥搅拌桩试桩方案编制审核福建省亿方建设工程有限公司二0一一年九月水泥搅拌桩试桩方案1工程概况本标段K0+000~K3+600路段地基土存在海积成因的软土层,且填土层一般厚度较大,地基承载力低,属软弱地基,设计对软基深度大于3m的路段采用水泥搅拌桩(浆喷桩)处理。为保证路基填筑质量需采用水泥搅拌桩对地基进加固,水泥搅拌桩桩径0.5m,一般路段桩间距1.3m,涵洞基底范围内桩间距为1.0m,具体段落、桩长及桩间距见表1-1。表1-1水泥搅拌桩分布情况表序号起讫里程长度(m)平均处治宽度(m)平均处治深度(m)搅拌桩根数(根)搅拌桩总长(m)备注1K0+000~K0+100100454.5307515374围堰平均高2米K0+100~K0+15050605.52050122992K0+730~K0+78050605.0205011274同上3K1+830~K1+980150605.06149338224K2+280~K2+500220605.5901954115K2+500~K2+6301301055.09327512975K2+820~K2+9601401356.01291483940K2+960~K3+22026063.06.011192727482试桩目的通过试桩确定水泥品种与强度等级、水泥掺入量及水灰比,取得搅拌桩水泥土的重度、相对密实度、无侧限抗压强度、抗剪强度和变形模量等指标以及钻机转速、提升速度和喷浆压力以及单桩承载力特征值、复合地基承载力值等施工数据。3试桩地点试桩地点选在K1+830~K1+980段线路左侧。4试桩桩位布置及水泥参量本次试桩15根,按正三角形布置、桩间距1.3m、桩径0.5m、设平均桩长5.0m。桩位布置图见图4-1。图4-1桩位示意图水泥用量60㎏/m、高压水泥浆压力0.5MPa、水灰比1:2搅拌提升速度为0.5m/min。5人员、设备配置及材料5.1主要人员配置见表5-1。表5-1主要人员配置表序号人员名称人数岗位职责1施工现场负责人1协调生产各个环节的合作、分工2技术人员1进行技术交底,组织试桩数据整理和技术总结工作。编制短期施工计划,安排各班组的施工工作。3试验员1对施工全过程进行试验项目检测4测量员3负责桩位放样以及资料的整理5桩基队8负责桩的成孔、水泥浆的泵送5.2主要机械设备表见表5-2。表5-2主要机械设备、仪表序号设备名称规格型号数量备注1钻机SJBF-2×371台2搅拌机SJBF-2×371台3注浆泵SJBF-2×371台5储浆桶0.67m³1个6发电机100KW1台7电流表44L1-A2块8压力表1.6MPa2块9流量计MLF-1B2块5.3材料水泥采用P.O42.5普通硅酸盐水泥,经检测各项指标均符合设计要求施工用水采用试桩周边池塘积水。6施工工艺6.1施工工艺流程见图6-1。钻机就位喷浆下沉喷浆提升喷浆复搅下沉喷浆复搅提升清洗移机图6-1水泥搅拌桩施工工艺流程图6.2施工工艺:6.2.1试桩工艺要求(1)场地平整:在机械设备进场前平整好场地,并开挖合适的排水沟,其位置以不影响深层搅拌机施工为原则;(2)施工位置:试验桩由业主或现场监理确定其位置在工程桩附近,与成桩在相同施工工艺和相近地质条件下进行;(3)设备布置与安装调试:制浆点离桩机的水平距离不超过50米,以保证注浆出口压力保持在0.4—0.6Mpa。机具安装时应注意深层搅拌桩机的组装就位、水泥浆液制备系统安装、用压力胶管连接灰浆出口与搅拌桩出口与搅拌桩的输浆进口应准确、紧密、稳固、可靠。机械设备试运转时,应注意以下相关事项:①电压保持在额定工作电压范围内,电机工作电流不得超过额定值;②调试搅拌桩轴转速度,使其达到规定的要求;③调试输送浆的管路和供水水路通畅;④各种监测仪表应能正确显示,监测的数据应准确可靠。(4)搅拌桩预搅下沉时电机的工作电流不得超过60A;(5)钻进和提升速度控制:喷浆搅拌提升速度拟定在0.5m/min,并应使搅拌桩机提升速度与输浆速度同步,搅拌桩机下沉速度控制拟定在1.0m/min;(6)浆液水灰比一般为0.45~0.55;(7)试桩根数共15根。6.2.2施工步骤(1)施工平台测量放样,搅拌机定位对中,保持设备水平,钻机主轴垂直误差不大于1%,桩位偏差不大于50mm;成桩直径和桩长不得小于设计值。(2)制备水泥浆:按设计确定的配合比拌制水泥浆,待压浆前将水泥浆倒入集料斗中。水泥采用P.O42.5硅酸盐水泥,水泥浆水灰比为0.5。(3)喷浆钻进搅拌。启动搅拌桩机,钻头正向旋转,实施钻进作业;为了防止堵塞钻头上的喷...

1、当您付费下载文档后,您只拥有了使用权限,并不意味着购买了版权,文档只能用于自身使用,不得用于其他商业用途(如 [转卖]进行直接盈利或[编辑后售卖]进行间接盈利)。
2、本站所有内容均由合作方或网友上传,本站不对文档的完整性、权威性及其观点立场正确性做任何保证或承诺!文档内容仅供研究参考,付费前请自行鉴别。
3、如文档内容存在违规,或者侵犯商业秘密、侵犯著作权等,请点击“违规举报”。

碎片内容

水泥搅拌桩试桩方案(修改)

确认删除?
VIP
微信客服
  • 扫码咨询
会员Q群
  • 会员专属群点击这里加入QQ群
客服邮箱
回到顶部