电脑桌面
添加小米粒文库到电脑桌面
安装后可以在桌面快捷访问

室内采暖管道及配件安装工程质量检验表VIP免费

室内采暖管道及配件安装工程质量检验表_第1页
1/2
室内采暖管道及配件安装工程质量检验表_第2页
2/2
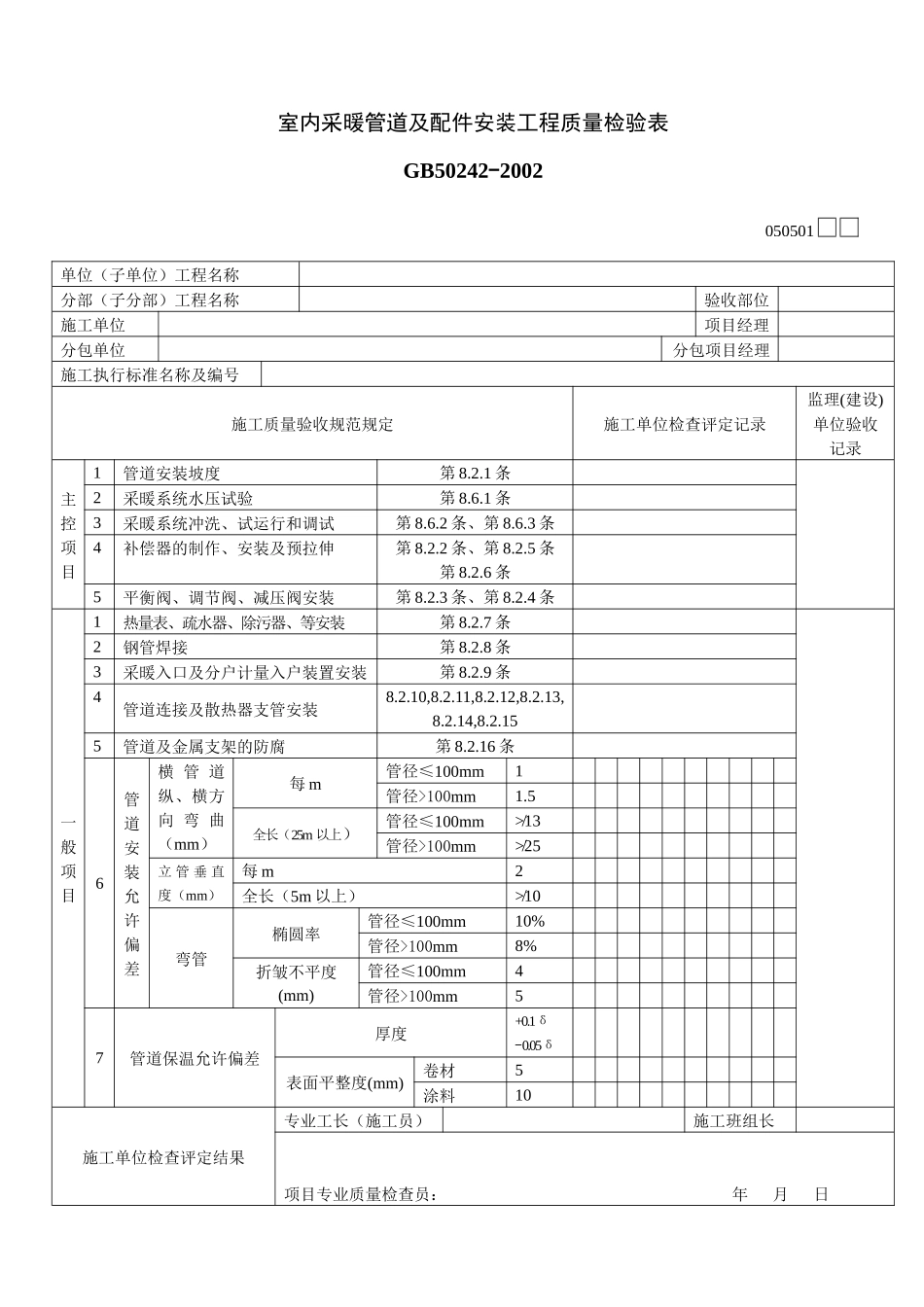
室内采暖管道及配件安装工程质量检验表GB50242-2002050501单位(子单位)工程名称分部(子分部)工程名称验收部位施工单位项目经理分包单位分包项目经理施工执行标准名称及编号施工质量验收规范规定施工单位检查评定记录监理(建设)单位验收记录主控项目1管道安装坡度第8.2.1条2采暖系统水压试验第8.6.1条3采暖系统冲洗、试运行和调试第8.6.2条、第8.6.3条4补偿器的制作、安装及预拉伸第8.2.2条、第8.2.5条第8.2.6条5平衡阀、调节阀、减压阀安装第8.2.3条、第8.2.4条一般项目1热量表、疏水器、除污器、等安装第8.2.7条2钢管焊接第8.2.8条3采暖入口及分户计量入户装置安装第8.2.9条4管道连接及散热器支管安装8.2.10,8.2.11,8.2.12,8.2.13,8.2.14,8.2.155管道及金属支架的防腐第8.2.16条6管道安装允许偏差横管道纵、横方向弯曲(mm)每m管径≤100mm1管径>100mm1.5全长(25m以上)管径≤100mm≯�13管径>100mm≯�25立管垂直度(mm)每m2全长(5m以上)≯�10弯管椭圆率管径≤100mm10%管径>100mm8%折皱不平度(mm)管径≤100mm4管径>100mm57管道保温允许偏差厚度+0.1δ-0.05δ表面平整度(mm)卷材5涂料10施工单位检查评定结果专业工长(施工员)施工班组长项目专业质量检查员:年月日监理(建设)单位验收结论专业监理工程师:(建设单位项目专业技术负责人)年月日

1、当您付费下载文档后,您只拥有了使用权限,并不意味着购买了版权,文档只能用于自身使用,不得用于其他商业用途(如 [转卖]进行直接盈利或[编辑后售卖]进行间接盈利)。
2、本站所有内容均由合作方或网友上传,本站不对文档的完整性、权威性及其观点立场正确性做任何保证或承诺!文档内容仅供研究参考,付费前请自行鉴别。
3、如文档内容存在违规,或者侵犯商业秘密、侵犯著作权等,请点击“违规举报”。

碎片内容

室内采暖管道及配件安装工程质量检验表

确认删除?
VIP
微信客服
  • 扫码咨询
会员Q群
  • 会员专属群点击这里加入QQ群
客服邮箱
回到顶部