电脑桌面
添加小米粒文库到电脑桌面
安装后可以在桌面快捷访问

沈阳合力必胜安装工程有限公司简介

沈阳合力必胜安装工程有限公司简介_第1页
1/11
沈阳合力必胜安装工程有限公司简介_第2页
2/11
沈阳合力必胜安装工程有限公司简介_第3页
3/11
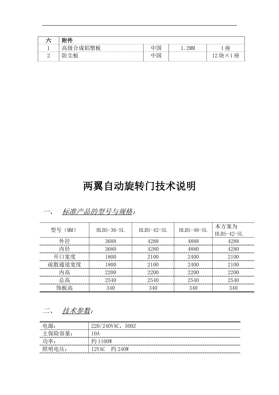
公 司 简 介沈阳合力必胜安装工程有限公司是以门窗生产制造、安装及室内外装饰业为主的高新技术专业公司,是集设计开发、生产加工、现场安装、经营销售和售后服务为一体的经济实体。 本公司技术力量雄厚,拥有多名高中级专业技术人员,并拥有一支素质高,技术精的员工队伍,具备独立承揽设计、生产加工、现场施工、安装等高中档次的装饰装修工程。公司自行设计生产的自动、手动旋转门、弧形门、自动平滑门、平开门采用国内外最先进的技术,产品覆盖全国各地及出口韩国、朝鲜、俄罗斯等国家。公 司 生 产 的 高 中 档 复 合 铝 合 金 断 热 门 窗 均 采 用 德 国 AME-PRESSTA(安美-百事达)技术,是目前国际上先进、实用中流行的门窗产品。对待尊敬的客户,我们本着“认真做事,诚实做人”的原则和 “全程无忧服务”的宗旨,面对市场、面对客户我们将会提供具有设计新颖、品质优良的装饰装修工程及造型美观、经济耐用、质量第一的门窗产品。我们的合作让您无后顾之忧。两翼旋转门设备清单项目内 容产 地型号及规格数 量豪华典雅型两翼旋转门沈阳HLBS-2-361 座大门内径:3600mm、4200mm大门总高:2640mm、2740mm大门内高:2300mm、2400mm顶盖高度:340 mm(可选)表面处理:氟碳喷涂、不锈钢包饰、套色包饰颜 色:(可选)一主控部分 I旋转门控制系统1驱动马达德国LENZE(伦茨)2 台×1 座2变速齿轮箱德国LENZE(伦茨)2 个×1 座3变频器德国西门子6SE6420-2UC17-5AA11 台×1 座4刹车制动器德国LENZE(伦茨)2 套×1 座5雷达比利时BEA6 只×1 组6防撞传感器 PDR比利时BEA4 对×1 座7位置识别器韩国Autonics2 组×1 座8光电安全传感器韩国Autonics2 个×1 座9安全光幕德国P+F2 个×1 座10西门子 PLC德国1 个×1 座11電源箱德国德国技术1 个×1 座II平滑门控制系统1控制主板瑞士KABA1 块×1 座2驱动电机瑞士KABA1 台×1 座3控制面板瑞士KABA4平滑门反向轮瑞士KABA1 个×1 座5平滑门皮带瑞士KABA1 条×1 座6驱动电延长线瑞士KABA7涨紧轮瑞士KABA8挂轮架瑞士KABA二旋转密封装置1垂直马鬃密封毛刷合资若干×1 座2水平密封毛刷合资若干×1 座3拐角马鬃密封毛刷合资4 个×1 座三技术参数1电源:220V /50HZ2功率: 旋转门电机370W×2=740W3平滑门电机﹤100W×14照明 240W5照明电压12V AC6高速调节范围1-5 r.p.m7低速调节范围0.5-2.5 r.p.m8高档圆点射灯PHILIPS12 个×1 座四玻璃1弧...

1、当您付费下载文档后,您只拥有了使用权限,并不意味着购买了版权,文档只能用于自身使用,不得用于其他商业用途(如 [转卖]进行直接盈利或[编辑后售卖]进行间接盈利)。
2、本站所有内容均由合作方或网友上传,本站不对文档的完整性、权威性及其观点立场正确性做任何保证或承诺!文档内容仅供研究参考,付费前请自行鉴别。
3、如文档内容存在违规,或者侵犯商业秘密、侵犯著作权等,请点击“违规举报”。

碎片内容

沈阳合力必胜安装工程有限公司简介

您可能关注的文档

文章天下+ 关注
实名认证
内容提供者

各种文档应有尽有

确认删除?
VIP
微信客服
  • 扫码咨询
会员Q群
  • 会员专属群点击这里加入QQ群
客服邮箱
回到顶部