电脑桌面
添加小米粒文库到电脑桌面
安装后可以在桌面快捷访问

现金流量分析与财务评价方法VIP免费

现金流量分析与财务评价方法_第1页
1/8
现金流量分析与财务评价方法_第2页
2/8
现金流量分析与财务评价方法_第3页
3/8
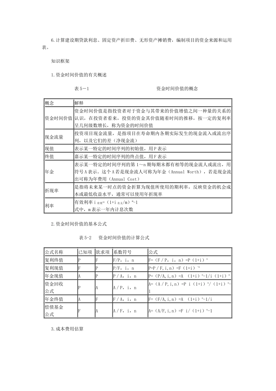
2007现代咨询方法与实务重点预测第五章第五章现金流量分析及财务评价方法大纲要求1.熟悉资金时间价值基本概念、基本公式2.掌握现金流量分析及财务评价方法题型组合1.根据产业生产经营情况,计算销售税金及所得税,进而编制还本付息表,全部投资(自有资金)现金流量表,并计算项目投资回收期,债务净现值、财务内部收益率,从而分析项目的可行性;2.利用等额本金偿还、等额本息偿还、最大还款能力归还贷款方法编制借款本息付息表、总成本费用表、投资现金流量表,从而分析项目的财务可行性;3.计算偿债备付率和利息备付率,从而进行项目清偿能力分析;4.通过编制项目现金流量表,计算项目的净现值,进行项目能力能力分析;5.利用净现值法、内部收益率法等进行方案评价;6.计算建设期贷款利息、固定资产折旧费、无形资产摊销费,编制项目的资金来源和运用表。知识框架1.资金时间价值的有关概述表5-1资金时间价值的概念概念解释资金时间价值资金时间价值是指投资者对于资金与其带来的价值增值之间一种量的关系的认识,在投资者看来,投资的资金其价值随着时间的推移,按一定的复利率呈几何级数增长,称为资金的时间价值现金流量投资项目现金流量,是指项目在寿命期内各期实际发生的现金流入或流出序列,以及它们的差(净现金流)现值表示某一特定的时间序列的初始值,用P表示终值嘉示某一特定的时间序列的终点值,用F表示年金表示某一特定的时间序列的第1~n期每期末都有相等的现金流人或流出,用符号A表示。这个A若是现余流人可称为年金(AnnualWorth),若是现金流出可称为年费用(AnnualCost)折现率是指将未来某一时点的资金折算为现值所使用的期利率,反映资金的机会成本或最低收益水平,通常可以使用年折现率利率有效利率i有效=(1+i名义/m)m-1式中,m表示一年内计息次数2.资金时间价值的基本公式表5-2资金时间价值的计算公式公式名称已知项欲求项系数符号公式复利终值PFF/P,i,nF=(F/P,i,n)=P(1+i)n复利现值FPP/F,i,nP=P/F,i,n)=F(1+i)-n年金现值APP/A,i,nP=(P/A,i,n)=A(1+i)n-1/i(1+i)n资金回收公式PAA/P,i,nA=(A/P,i,n)=Pi(1+i)n/(1+i)n-1年金终值AFF/A,i,nF=(F/A,i,n)=A(1+i)n-1/i偿债基金公式FAA/F,i,nA=(A/F,i,n)=Fi/(1+i)n-13.成本费用估算4.总成本费用各构成要素的估算5.固定资产的折旧方法表5-3固定资产折旧的方法方法内容平均年限法年折旧率=(1-预计残值率)/折旧年限×100%年折旧额=固定资产原值×年折旧率工作量法对于一些运输设备,一般按照行驶里程计算折旧。其公式为:单位里程折旧额=原值×(1-预计净残值率)/总行驶里程年折旧额=单位里程折旧额×年行驶里程按照工作小时计算折旧的公式:每工作小时折旧额=原值×(1-预计净残值率)/总工作小时年折旧额=每工作小时折旧额×年工作小时双倍余额递减法年折旧率=2/折旧年限×100%年折旧额=固定资产净值×年折旧率实行双倍余额递减法的,应在折旧年限到期前两年内,将固定资产净值和除净残值后的净额平均摊销年数总和法年折旧率=(折旧年限-已使用的年限)/折旧年限×(折旧年限-1)/2×100%年折旧额=(固定资产原值一预计净残值)×年折旧率6.财务费用中固定资产投资借款利息支出的估算表5-4固定资产投资借款利息的估算等额还本付息方式等额还本利息照付方式最大能力还本付息方式A=Ic×i×(1+i)n/(1+i)n-1每年支付利息一年初本息累计×年利率每年偿还本金=A--每年支付利息式中年初本金累计一Ic一本年以前各年偿还的本金累计At=Ic/n+Ic×[1-(t-1)/n]×i每年支付利息一年初本金累计×年利率第t年支付的利息=Ic×[1-(t-1)/n]×i每年偿还本金=Ic/n每年偿还本金按最大偿还能力计算,偿还能力主要包括可以用于还款的折旧费、摊销费以及税后利润(一般是扣除法定盈余公积金和公益金的税后利润)。每年支付利息的计算公式如下:每年支付利息=年初本息累计×年利率式中A——每年还本付息额;Ic一一还款年年初的本息和;i——年利率;n——预定的还款期;At——第t年还本付息额7.现金流量分析应注意的问题图5-3现金流量分析应考虑的因素8.投资项目财务评价(1...

1、当您付费下载文档后,您只拥有了使用权限,并不意味着购买了版权,文档只能用于自身使用,不得用于其他商业用途(如 [转卖]进行直接盈利或[编辑后售卖]进行间接盈利)。
2、本站所有内容均由合作方或网友上传,本站不对文档的完整性、权威性及其观点立场正确性做任何保证或承诺!文档内容仅供研究参考,付费前请自行鉴别。
3、如文档内容存在违规,或者侵犯商业秘密、侵犯著作权等,请点击“违规举报”。

碎片内容

现金流量分析与财务评价方法

文泉书屋+ 关注
实名认证
内容提供者

热爱教学事业,对互联网知识分享很感兴趣

相关文档

确认删除?
VIP
微信客服
  • 扫码咨询
会员Q群
  • 会员专属群点击这里加入QQ群
客服邮箱
回到顶部