电脑桌面
添加小米粒文库到电脑桌面
安装后可以在桌面快捷访问

机械制造及自动化专业标准与课程设置VIP免费

机械制造及自动化专业标准与课程设置_第1页
1/10
机械制造及自动化专业标准与课程设置_第2页
2/10
机械制造及自动化专业标准与课程设置_第3页
3/10
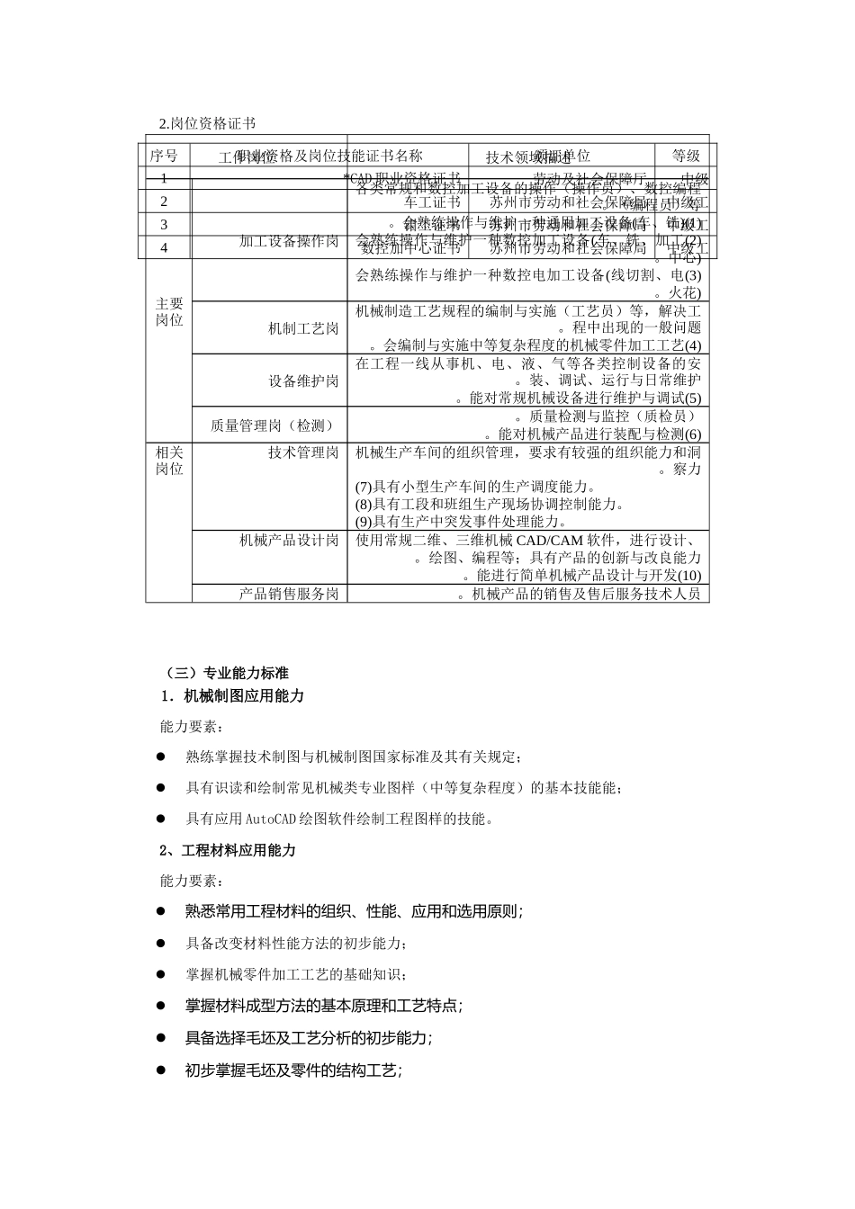
更多资料请访问.(.....)更多企业学院:...../Shop/《中小企业管理全能版》183套讲座+89700份资料...../Shop/40.shtml《总经理、高层管理》49套讲座+16388份资料...../Shop/38.shtml《中层管理学院》46套讲座+6020份资料...../Shop/39.shtml《国学智慧、易经》46套讲座...../Shop/41.shtml《人力资源学院》56套讲座+27123份资料...../Shop/44.shtml《各阶段员工培训学院》77套讲座+324份资料...../Shop/49.shtml《员工管理企业学院》67套讲座+8720份资料...../Shop/42.shtml《工厂生产管理学院》52套讲座+13920份资料...../Shop/43.shtml《财务管理学院》53套讲座+17945份资料...../Shop/45.shtml《销售经理学院》56套讲座+14350份资料...../Shop/46.shtml《销售人员培训学院》72套讲座+4879份资料...../Shop/47.shtml此资料来自:.(....)联系电话:020-.值班手机:提供50万份管理资料下载3万集企业管理资料下载1300GB高清管理讲座硬盘拷贝专业标准及课程设置一、专业标准(一)专业概述专业名称:机械制造与自动化学习年制:三年培养目标:本专业培养德、智、体、美等方面全面发展,能适应机械制造行业现代化建设和经济发展需要,具有良好职业道德和创新精神,具有普通及自动化机械加工设备操作、维护调试能力,能从事工艺实施等现场技术应用及管理工作的高素质技术应用性人才。专业规格:本专业学习者在完成学业后应:具有较强的机械制图与机械设计应用、机械加工操作与现场检测维护、机械装配与机械设备的控制、机制工艺编制等能力,同时具有分析解决工程实践问题和获取新知识的能力。具备本专业必需的科学文化知识,掌握机械制造及自动化专业的基础知识和专业技能。熟悉现代制造技术,能够对现代制造设备进行操作与维护。能从事机械零件加工、机制工艺编制、产品检测及质量管理、技术服务及生产管理等工作。具有良好的职业素质、团队意识和社会责任心。并有向设备改造、产品创新设计、制造企业管理等技术领域发展的潜力。(二)职业岗位、技术工作领域描述:1.职业岗位描述2.岗位资格证书序号职业资格及岗位技能证书名称颁证单位等级1CAD职业资格证书*劳动及社会保障厅中级2车工证书苏州市劳动和社会保障局中级工3钳工证书苏州市劳动和社会保障局中级工4数控加中心证书苏州市劳动和社会保障局中级工(三)专业能力标准1.机械制图应用能力能力要素:熟练掌握技术制图与机械制图国家标准及其有关规定;具有识读和绘制常见机械类专业图样(中等复杂程度)的基本技能能;具有应用AutoCAD绘图软件绘制工程图样的技能。2、工程材料应用能力能力要素:熟悉常用工程材料的组织、性能、应用和选用原则;具备改变材料性能方法的初步能力;掌握机械零件加工工艺的基础知识;掌握材料成型方法的基本原理和工艺特点;具备选择毛坯及工艺分析的初步能力;初步掌握毛坯及零件的结构工艺;工作岗位技术领域描述主要岗位加工设备操作岗各类常规和数控加工设备的操作(操作员)、数控编程(编程员)等。(1)会熟练操作与维护一种通用加工设备)车、铣(。(2)会熟练操作与维护一种数控加工设备)车、铣、加工中心(。(3)会熟练操作与维护一种数控电加工设备)线切割、电火花(。机制工艺岗机械制造工艺规程的编制与实施(工艺员)等,解决工程中出现的一般问题。(4)会编制与实施中等复杂程度的机械零件加工工艺。设备维护岗在工程一线从事机、电、液、气等各类控制设备的安装、调试、运行与日常维护。(5)能对常规机械设备进行维护与调试。质量管理岗(检测)质量检测与监控(质检员)。(6)能对机械产品进行装配与检测。相关岗位技术管理岗机械生产车间的组织管理,要求有较强的组织能力和洞察力。)7(具有小型生产车间的生产调度能力。)8(具有工段和班组生产现场协调控制能力。)9(具有生产中突发事件处理能力。机械产品设计岗使用常规二维、三维机械CAD/CAM软件,进行设计、绘图、编程等;具有产品的创新与改良能力。(10)能进行简单机械产品设计与开发。产品销售服务岗机械产品的销售及售后服务技术人员。了解新材料、新工艺、新技术及发展概况。3、机构、传动装置设计能力能力要...

1、当您付费下载文档后,您只拥有了使用权限,并不意味着购买了版权,文档只能用于自身使用,不得用于其他商业用途(如 [转卖]进行直接盈利或[编辑后售卖]进行间接盈利)。
2、本站所有内容均由合作方或网友上传,本站不对文档的完整性、权威性及其观点立场正确性做任何保证或承诺!文档内容仅供研究参考,付费前请自行鉴别。
3、如文档内容存在违规,或者侵犯商业秘密、侵犯著作权等,请点击“违规举报”。

碎片内容

机械制造及自动化专业标准与课程设置

确认删除?
VIP
微信客服
  • 扫码咨询
会员Q群
  • 会员专属群点击这里加入QQ群
客服邮箱
回到顶部