电脑桌面
添加小米粒文库到电脑桌面
安装后可以在桌面快捷访问

06-8 防雷及接地安装质量管理VIP免费

06-8 防雷及接地安装质量管理_第1页
1/14
06-8 防雷及接地安装质量管理_第2页
2/14
06-8 防雷及接地安装质量管理_第3页
3/14
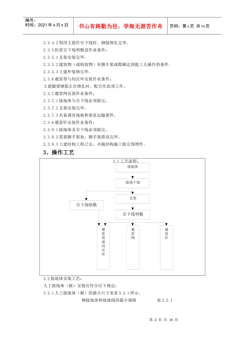
第1页共14页编号:时间:2021年x月x日书山有路勤为径,学海无涯苦作舟页码:第1页共14页防雷及接地安装质量管理依据标准:《建筑工程施工质量验收统一标准》GB50300-2001《建筑电气工程施工质量验收规范》GB50303-20021、范围本工艺标准适用于建筑物防雷接地、保护接地、工作接地、重复接地及屏蔽接地装置安装工程。2、施工准备2.1材料要求:2.1.1镀锌钢材有扁钢、扁钢、圆钢、钢管等,使用时应意采用冷镀锌还是采用热镀锌材料,应符合设计规定。产品应有材质检验证明及产品出厂合格证。2.1.2镀锌辅料有铜丝(即镀锌铁丝)、螺栓、垫圈、弹簧垫圈、U型螺栓、元宝螺栓、支架等。2.1.3电焊条、氧气、乙炔、沥青漆,混凝土支架,预埋铁件,小线,水泥,砂子,塑料管,红油漆、白油漆、防腐漆、银粉,黑色油漆等。2.2主要机具:2.2.1常用电工工具、手锤、钢钢锯、锯条、压力案子、铁锹、铁镐、大锤、夯桶。2.2.2线坠、卷尺、大绳、粉线袋、绞磨(或倒链)、紧线器、电锤、冲击钻、电焊机、电焊工具等。2.3作业条件:2.3.1接地体作业条件:2.3.1.1按设计位置清理好场地。2.3.1.2底板筋与柱筋连接处已绑扎完。2.3.1.3桩基内钢筋与柱筋连接处已绑扎完。2.3.2接地干线作业条件:2.3.2.1支架安装完毕。2.3.2.2保护管已预埋。2.3.2.3土建抹灰完毕。2.3.3支架安装作业条件:2.3.3.1各种支架已运到现场。2.3.3.2结构工程已经完成。2.3.3.3室外必须有脚手架或爬梯。2.3.4防雷引下线暗敷设作业条件:2.3.4.1建筑物(或构筑物)有脚手架或爬梯,达到能上人操作的条件。第2页共14页第1页共14页编号:时间:2021年x月x日书山有路勤为径,学海无涯苦作舟页码:第2页共14页2.3.4.2利用主筋作引下线时,钢筋绑扎完毕。2.3.5防雷引下线明敷设作业条件:2.3.5.1支架安装完毕。2.3.5.2建筑物(或构筑物)有脚手架或爬梯达到能上人操作的条件。2.3.5.3土建外装修完毕。2.3.6避雷带与均压环安装作业条件:土建圈梁钢筋正在绑扎时,配合作此项工作。2.3.7避雷网安装作业条件:2.3.7.1接地体与引下线必须做完。2.3.7.2支架安装完毕。2.3.7.3具备调直场地和垂直运输条件。2.3.8避雷针安装作业条件:2.3.8.1接地体及引下线必须做完。2.3.8.2需要脚手架处,脚手架搭设完毕。2.3.8.3土建结构工程已完,并随结构施工做完预埋件。3、操作工艺3.1工艺流程:3.2接地体安装工艺:人工接地体(极)安装应符合以下规定:3.2.1人工接地体(极)的最小尺寸见表3.2.1所示。钢接地体和接地线的最小规格表3.2.1接地体接地干线引下线明敷支架引下线暗敷避雷带或均压环避雷网避雷针第3页共14页第2页共14页编号:时间:2021年x月x日书山有路勤为径,学海无涯苦作舟页码:第3页共14页种类、规格及单位地上地下室内室外交流电流回路直流电流回路圆钢直径(mm)681012扁钢截面(m㎡)厚度(mm)603100410041006角钢厚度(mm)钢管管壁厚离(mm)22.52.52.543.564.53.2.2接地体的埋设深度其顶部不应小于0.6m,角钢及钢管接地体应垂直配置。3.2.3垂直接地体长度不应小于2.5m,其相互之间间距一般不应小于5m。3.2.4接地体埋设位置距建筑物不宜小于1.5m;遇在垃圾灰渣等埋设接地体时,应换土,并分层夯实。3.2.5当接地装置必须埋设在距建筑物出入口或入行道小于3m时,应采用均压带做法或在接地装置上面敷设50~90mm厚度沥青层,其宽度应超过接地装置2m。3.2.6接地体(线)的连接应采用焊接,焊接处焊缝应饱满并有足够的机械强度,不得有夹渣、咬肉、裂纹、虚焊、气孔等缺陷,焊接处的药皮敲净后,刷沥青做防腐处理。3.2.7采用搭接焊时,其焊接长度如下:3.2.7.1镀锌扁钢不小于其宽度的2倍,三面施焊。(当扁钢宽度不同时,搭接长度以宽的为准)。敷设前扁钢需调直,煨弯不得过死,直线段上不应有明显弯曲,并应立放。3.2.7.2镀锌圆钢焊接长度为其直径的6倍并应双面施焊。(当扁钢宽度不同时,搭接长度以宽的为准)。敷设前扁钢需调直,煨弯不得过死,直线段上不应有明显弯曲,并应立放。3.2.7.2镀锌圆钢焊接长度为其直径的6倍并应双面施焊(当直径不同时,搭接长度以直径大的为准)。3.2.7.3镀锌圆钢与镀锌扁钢连接时,其长度为圆钢直径的...

1、当您付费下载文档后,您只拥有了使用权限,并不意味着购买了版权,文档只能用于自身使用,不得用于其他商业用途(如 [转卖]进行直接盈利或[编辑后售卖]进行间接盈利)。
2、本站所有内容均由合作方或网友上传,本站不对文档的完整性、权威性及其观点立场正确性做任何保证或承诺!文档内容仅供研究参考,付费前请自行鉴别。
3、如文档内容存在违规,或者侵犯商业秘密、侵犯著作权等,请点击“违规举报”。

碎片内容

06-8 防雷及接地安装质量管理

确认删除?
VIP
微信客服
  • 扫码咨询
会员Q群
  • 会员专属群点击这里加入QQ群
客服邮箱
回到顶部