电脑桌面
添加小米粒文库到电脑桌面
安装后可以在桌面快捷访问

建设工程质量安全监督手册(蓝色)VIP专享VIP免费

建设工程质量安全监督手册(蓝色)_第1页
1/77
建设工程质量安全监督手册(蓝色)_第2页
2/77
建设工程质量安全监督手册(蓝色)_第3页
3/77
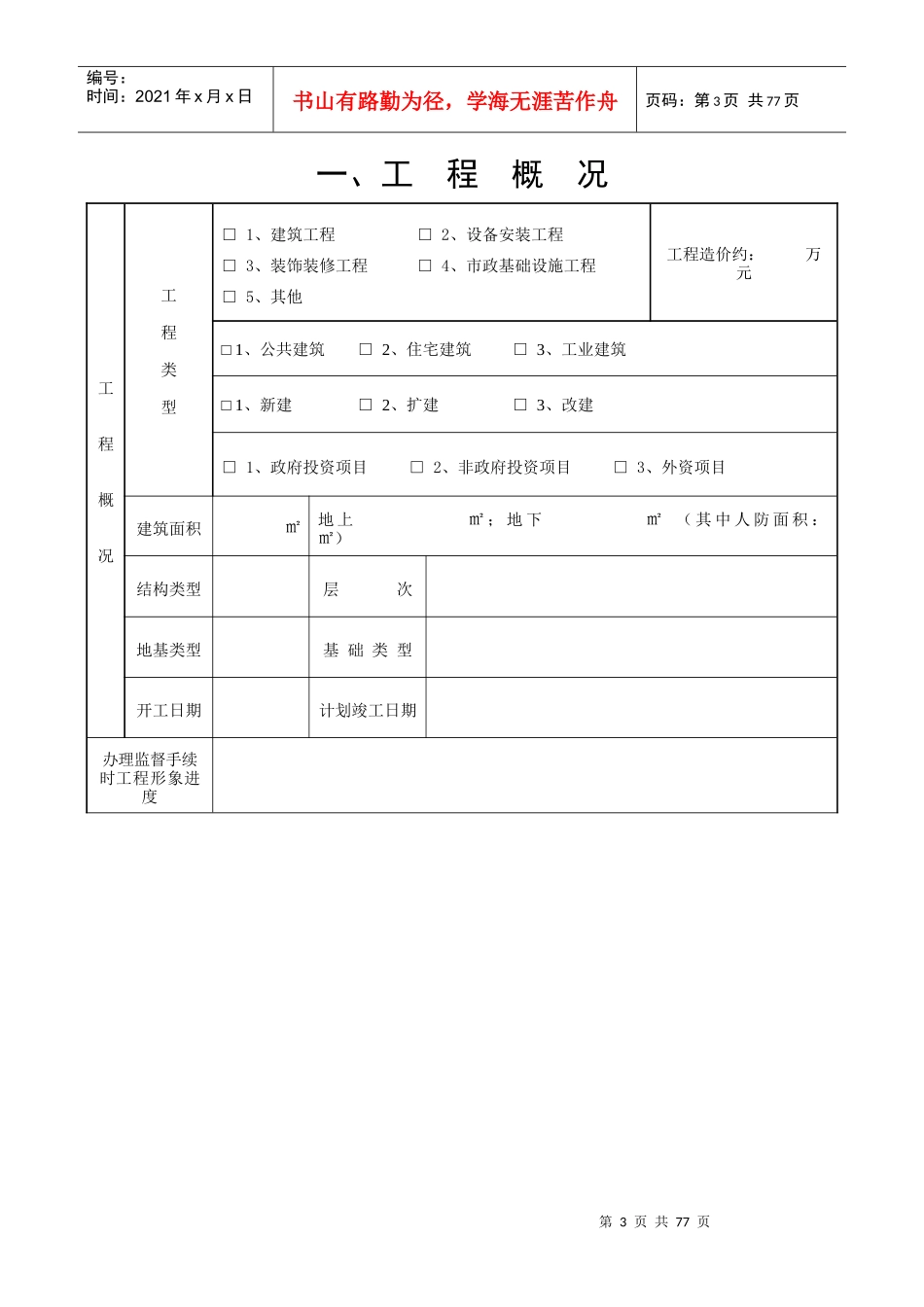
监督号建设工程质量安全监督手册工程名称开工日期监督员资阳市建设工程质量安全监督站第2页共77页编号:时间:2021年x月x日书山有路勤为径,学海无涯苦作舟页码:第2页共77页第3页共77页第2页共77页编号:时间:2021年x月x日书山有路勤为径,学海无涯苦作舟页码:第3页共77页一、工程概况工程概况工程类型□1、建筑工程□2、设备安装工程□3、装饰装修工程□4、市政基础设施工程□5、其他工程造价约:万元□1、公共建筑□2、住宅建筑□3、工业建筑□1、新建□2、扩建□3、改建□1、政府投资项目□2、非政府投资项目□3、外资项目建筑面积㎡地上㎡;地下㎡(其中人防面积:㎡)结构类型层次地基类型基础类型开工日期计划竣工日期办理监督手续时工程形象进度第4页共77页第3页共77页编号:时间:2021年x月x日书山有路勤为径,学海无涯苦作舟页码:第4页共77页需说明的情况二、建设工程各方责任主体基本情况登记表建设单位名称地址项目法人联系电话现场代表联系电话勘察单位名称地址资质等级资质证书号项目负责人联系电话设计单位名称地址资质等级资质证书号项目负责人联系电话第5页共77页第4页共77页编号:时间:2021年x月x日书山有路勤为径,学海无涯苦作舟页码:第5页共77页建筑师姓名结构工程师姓名资格等级资格等级监理单位名称地址资质等级资质证书号技术负责人联系电话职务姓名专业职称证书编号职务姓名专业职称证书编号总监监理员监理工程师施工单总包单位名称地址资质等级资质证书号技术负责人联系电话建造师姓名联系电话资格等级注册证书号施工员岗位证书号质检员岗位证书号安全员岗位证书号第6页共77页第5页共77页编号:时间:2021年x月x日书山有路勤为径,学海无涯苦作舟页码:第6页共77页位分包单位名称地址资质等级资质证书号技术负责人联系电话建造师姓名联系电话资格等级证书号施工员岗位证书号质检员岗位证书号安全员岗位证书号分包单位名称地址资质等级资质证书号技术负责人联系电话建造师姓名联系电话资格等级证书号施工员岗位证书号质检员岗位证书号安全员岗位证书号施工单分包单位名称地址资质等级资质证书号技术负责人联系电话建造师姓名联系电话资格等级证书号施工员岗位证书号第7页共77页第6页共77页编号:时间:2021年x月x日书山有路勤为径,学海无涯苦作舟页码:第7页共77页位质检员岗位证书号安全员岗位证书号分包单位名称地址资质等级资质证书号技术负责人联系电话建造师姓名联系电话资格等级证书号施工员岗位证书号质检员岗位证书号安全员岗位证书号检测单位单位名称资质编号计量认证证书号检测类别建设工程质量监督工作方案:你单位报监时提供的文件和资料经行政服务中心审查,符合规定。第8页共77页第7页共77页编号:时间:2021年x月x日书山有路勤为径,学海无涯苦作舟页码:第8页共77页同意办理工程质量监督注册手续。对其实施政府质量监督管理,并按《建设工程质量管理条例》第七章条款履行责任和义务。工程名称:工程地点:监督登记号:资阳市建设工程质量安全监督站年月日此表一式四份,建设单位、监理单位、施工单位、监督站各一份。第9页共77页第8页共77页编号:时间:2021年x月x日书山有路勤为径,学海无涯苦作舟页码:第9页共77页工程质量监督工作方案根据监督登记号,由我站对进行质量监督,为保证质量监督工作的顺利实施,使监督工作的开展有序,依据《建设工程质量管理条例》,特制定如下监督工作方案。一、工程概况根据施工图设计文件,该工程为结构,层,建筑面积㎡,总造价万元。勘察单位。设计单位、施工单位、监理单位。二、计划编制依据编制计划的依据主要是施工图设计文件及审查意见、施工组织设计、监理规则(监理实施细则)、有关施工质量验收规范及有关法律、法规。三、监督组织该项目工程监督工作由等人组成监督组。四、监督工作内容及要求1、核查受监工程的各方责任主体和有关机构及预拌混凝土生产单位的资质和到场人员资格。2、抽查各方责任主体和有关机构执行有关法律、法规及工程建设强制性标准的情况及质量责任制落实情况。3、发现存在违法违规行为的,按建设行政主管部门委托的权限对违法、违规事实进行调查取证,对责任单...

1、当您付费下载文档后,您只拥有了使用权限,并不意味着购买了版权,文档只能用于自身使用,不得用于其他商业用途(如 [转卖]进行直接盈利或[编辑后售卖]进行间接盈利)。
2、本站所有内容均由合作方或网友上传,本站不对文档的完整性、权威性及其观点立场正确性做任何保证或承诺!文档内容仅供研究参考,付费前请自行鉴别。
3、如文档内容存在违规,或者侵犯商业秘密、侵犯著作权等,请点击“违规举报”。

碎片内容

建设工程质量安全监督手册(蓝色)

确认删除?
VIP
微信客服
  • 扫码咨询
会员Q群
  • 会员专属群点击这里加入QQ群
客服邮箱
回到顶部