电脑桌面
添加小米粒文库到电脑桌面
安装后可以在桌面快捷访问

了解失效模式與效應分析VIP免费

了解失效模式與效應分析_第1页
1/4
了解失效模式與效應分析_第2页
2/4
了解失效模式與效應分析_第3页
3/4
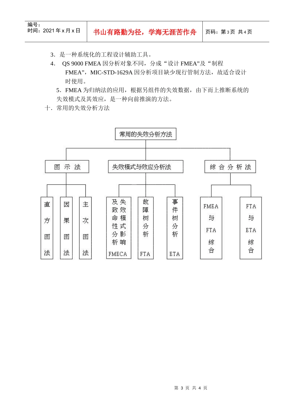
第1页共4页编号:时间:2021年x月x日书山有路勤为径,学海无涯苦作舟页码:第1页共4页了解失效模式與效應分析一.FMEA的发展历史FMEA于1960年首此应用于航空工业中的阿波罗任务(Apollo),并于80年代被美国军方确认为军方规范(MIL-STD-1629A)1974年美海军用于舰艇装备的标准《舰艇装备的失效模式和后果分析实施程》,首先将它用于军事项目合约。1970年晚期,汽车工业将FMEA作为在对其零件设计和生产制造的会审项目的一部分。1980年初,产品事故责任的费用突升和不断的法庭起诉事件发生,使FMEA成为降低事故的不可或缺的重要工具。并由开始的500多家公司扩展到其供应商。1993年包括美国三大汽车公司和美国质量管理协会在内的,美汽车工业行动集团组织采用、编制了FMEA参考手册。二.FMEA的基本慨念FMEA(FailureModeandEffectAnalysis)即“失效模式和效果分析”。FMEA是一种可靠性设计的重要方法﹐是一种系统化之工程设计辅助工具,主要是利用表格方式协助工程师进行工程分析。它实际上是FMA(故障模式分析)和FEA(故障影响分析)的组合。它对各种可能的风险进行评价、分析,以便在现有技术的基础上消除这些风险或将这些风险减小到可接受的水平。及时性是成功实施FMEA的最重要因素之一,它是一个“事前的行为”,而不是“事后的行为”。为达到最佳效益,FMEA必须在故障模式被纳入产品之前进行。三.FMEA的目的目的在于改善产品和制造的可靠性,指出在设计阶段就可提升设计的可靠性,从而提升产品质量,降低成本损失。四.FMEA的分類由于产品故障可能与设计、制造过程、使用、承包商/供货商以及服务有关,因此FMEA又细分为设计FMEA、过程FMEA、使用FMEA和服务FMEA四类。其中设计FMEA和过程FMEA最为常用。五.失效的定义在失效分析中,首先要明确产品的失效是什么,否则产品的数据分析和可靠度评估结果将会不一样,一般而言,失效是指:1.在规定条件下(如环境、操作、时间)不能完成既定功能。2.在规定条件下,产品参数值不能维持在规定的上下限之间。3.产品在工作范围内,导致零组件的破裂、断裂、卡死等损坏现象。第2页共4页第1页共4页编号:时间:2021年x月x日书山有路勤为径,学海无涯苦作舟页码:第2页共4页六.失效的分类失效的分类应根据失效原因、危害程度、失效程度与产生的频率加以分类,一般的分类原则如下:失效类别分类原则1致命失效危及产品安全、可能导致人身伤亡,或引起重要总成报废,造成重大经济损失或对周围环境造成重大危害。2严重失效影响产品安全,可能导致主要总成及零组件损坏或性能显著下降,且不能用简易工具和备件在短时间(约30min)内修复。3一般失效不影响产品安全,造成性能下降,但一般不会导致主要总成及零组件损坏,并且可用简易工具和备件在短时间(约30min)内修复。4轻微失效一般不会导致性能下降,不需要更换零件,用简易工具在短时间(5min)内能轻易排除。七.常用的失效等级划分失效等级严重程度Ⅰ级能导致系统功能失效,造成系统或环境重大损失,并(或)导致人员伤亡。Ⅱ级能导致系统功能失效,造成系统或环境重大损失,不造成人员伤亡。Ⅲ级能导致系统功能下降,对系统、周围环境、人员均无显著损害。Ⅳ级能导致系统功能下降,对系统、周围环境、人员均无害。八.FMEA之功用阶段功用设计阶段a.发掘所有可能之失效模式。b.依固有的技术进行设计变更。c.必要之处采用可靠性高之零组件。开发阶段a.明确把握失效原因,并实施可行的改善。b.零件安全之宽放确认。c.寿命、性能、强度等之确认。制造阶段a.活用工程设计,进而改善制程上之弱点。b.利用FMEA之过程制订必要的制程标准。客户抱怨阶段a.不同的环境产生的失效,以FMEA克服。b.不同的使用方法产生的失效,以FMEA克服。九.FMEA的特征1.是一项以失效为讨论重点的支持性与辅助性的可靠度技术。2.用表格方式进行工程分析,使产品在设计与制程规化时,早期发现缺陷及影响程度,以便及早提出解决方案。第3页共4页第2页共4页编号:时间:2021年x月x日书山有路勤为径,学海无涯苦作舟页码:第3页共4页3.是一种系统化的工程设计辅助工具。4.QS9000FMEA因分析对象不同,分成“设计FMEA”...

1、当您付费下载文档后,您只拥有了使用权限,并不意味着购买了版权,文档只能用于自身使用,不得用于其他商业用途(如 [转卖]进行直接盈利或[编辑后售卖]进行间接盈利)。
2、本站所有内容均由合作方或网友上传,本站不对文档的完整性、权威性及其观点立场正确性做任何保证或承诺!文档内容仅供研究参考,付费前请自行鉴别。
3、如文档内容存在违规,或者侵犯商业秘密、侵犯著作权等,请点击“违规举报”。

碎片内容

了解失效模式與效應分析

您可能关注的文档

确认删除?
VIP
微信客服
  • 扫码咨询
会员Q群
  • 会员专属群点击这里加入QQ群
客服邮箱
回到顶部