电脑桌面
添加小米粒文库到电脑桌面
安装后可以在桌面快捷访问

数控机床装调维修教案2011-4-14VIP免费

数控机床装调维修教案2011-4-14_第1页
1/7
数控机床装调维修教案2011-4-14_第2页
2/7
数控机床装调维修教案2011-4-14_第3页
3/7
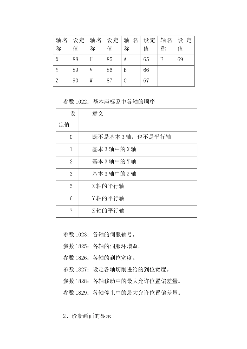
生产实习课教案首页授课日期授课班级授课教师项目名称FANUC系统伺服驱动单元的调试和故障诊断时数6教学设备SLT-FT-08型数控车床电气控制维修实训操作台课时分配教学环节组织教学项目指导操作示范巡回指导结束指导时间分配2分25分15分5小时15分3分术要求项目技应知理论知识:参数的分类应会操作技术:参数的修改教学目的了解伺服驱动单元的调试过程教学重点参数的含义教学难点伺服驱动单元的故障排除课后小结:教研组长意见(签字)年月日教务审核(盖章)年月日项目:FANUC系统伺服驱动单元的调试和故障诊断一、组织教学1.检查学生出勤情况;2.检查学生劳动防护用品的穿戴情况及实习工具的准备情况;3.宣布上课。二、项目指导1.复习旧课请说明系统报警P/S000和P/S001的含义?P/S报警100(允许参数写入)P/S报警000(需切断电源)2.项目引入作为现场数控维修人员,今后涉及硬件的工作量会越来越少,而软件工作量会越来越多,这是由于CPU运算速度成几何倍数提高,过去必须靠硬件实现的工作,现在依托高速处理器用软件的形式取而代之。那么在今后的系统以及数字伺服维修过程中,熟知各类重要参数的调整,特别是熟悉理解重要伺服参数的含义并能够进行优化、调整,对于我们今后的日常维修调试中愈发显得重要。3.相关知识1、有关伺服参数的含义参数1010:CNC控制轴数。参数1020:各轴的编程名称参数1022:基本座标系中各轴的顺序设定值意义0既不是基本3轴,也不是平行轴1基本3轴中的X轴2基本3轴中的Y轴3基本3轴中的Z轴5X轴的平行轴6Y轴的平行轴7Z轴的平行轴参数1023:各轴的伺服轴号。参数1825:各轴的伺服环增益。参数1826:各轴的到位宽度。参数1827:设定各轴切削进给的到位宽度。参数1828:各轴移动中的最大允许位置偏差量。参数1829:各轴停止中的最大允许位置偏差量。2、诊断画面的显示轴名称设定值轴名称设定值轴名称设定值轴名称设定值X88U85A65E69Y89V86B66Z90W87C67(1)按SYSTEM键。(2)按[诊断]软键、显示诊断画面。3、伺服相关诊断号的含义诊断号200:OVLLVOVCHCAHVADCAFBAOFAOVL:发生过载报警。(详细内容显示在诊断号201上)。LV:伺服放大器电压不足的报警。OVC:在数字伺服内部,检查出过流报警。HCA:检测出伺服放大器电流异常报警。HVA:检测出伺服放大器过电压报警。DCA:伺服放大器再生放电电路报警。FBA:发生了断线报警。OFA:数字伺服内部发生了溢出报警。诊断号201:ALDEXP当诊断号200的OVL为1时ALD:1:电机过热。0:伺服放大器过热。当诊断号200的FBA为1时ALDEXP报警内容10内装编码器断线11分离式编码器断线00脉冲编码器断线诊断号203:PRMPRM:数字伺服侧检测到报警,参数设定值不正确。诊断号204:OFSMCCLDAPMSOFS:数字伺服电流值的A/D转换异常。MCC:伺服电磁触器的接点熔断了。LDA:LED表明串行编码器异常。PMS:由于反馈电缆异常导致的反馈脉冲错误。4、伺服报警号的含义(具体参考系统维修说明书)报警号417:当第n轴处在下列状况之一时发生此报警。(1)参数2020设定在特定限制范围以外。(2)参数2022没有设定正确值。(3)参数2023设定了非法数据。(4)参数2024设定了非法数据。(5)参数2084和参数2085(柔性齿轮比)没有设定。(6)参数1023设定了超出范围的值或是设定了范围内不连续的值,或设定隔离的值。(7)PMC轴控制中,扭矩控制参数设定不正确。报警号5136:与控制轴的数量比较,FSSB认出的放大器的数量不够。报警号5137:FSSB进入了错误方式。报警号5138:在自动设定方式,还没完成轴的设定。报警号5139:伺服初始化没有正常结束。三、示范操作参数的查找和修改实训内容:参数1010:设置为2(车床),设置为3(铣床)。参数1020:设置为88(X轴),设置为89(Y轴),设置为90(Z轴)。参数1022:设置为1(X轴),设置为2(Y轴),设置为3(Z轴)。参数1023:设置为1(X轴),设置为2(Z轴)-车床。设置为1(X轴),设置为2(Y轴),设置为3(Z轴)-铣床。参数1420:设置各轴快速运行速度。参数1423:设置各轴手动连续进给(JOG进给)时的进给速度。参数1424:设置各轴的手动快速运行速度。参数1825:设置为3000参数1826:设置为20参数...

1、当您付费下载文档后,您只拥有了使用权限,并不意味着购买了版权,文档只能用于自身使用,不得用于其他商业用途(如 [转卖]进行直接盈利或[编辑后售卖]进行间接盈利)。
2、本站所有内容均由合作方或网友上传,本站不对文档的完整性、权威性及其观点立场正确性做任何保证或承诺!文档内容仅供研究参考,付费前请自行鉴别。
3、如文档内容存在违规,或者侵犯商业秘密、侵犯著作权等,请点击“违规举报”。

碎片内容

数控机床装调维修教案2011-4-14

您可能关注的文档

确认删除?
VIP
微信客服
  • 扫码咨询
会员Q群
  • 会员专属群点击这里加入QQ群
客服邮箱
回到顶部