电脑桌面
添加小米粒文库到电脑桌面
安装后可以在桌面快捷访问

品质检验表格-进料检验记录表(一)VIP免费

品质检验表格-进料检验记录表(一)_第1页
1/8
品质检验表格-进料检验记录表(一)_第2页
2/8
品质检验表格-进料检验记录表(一)_第3页
3/8
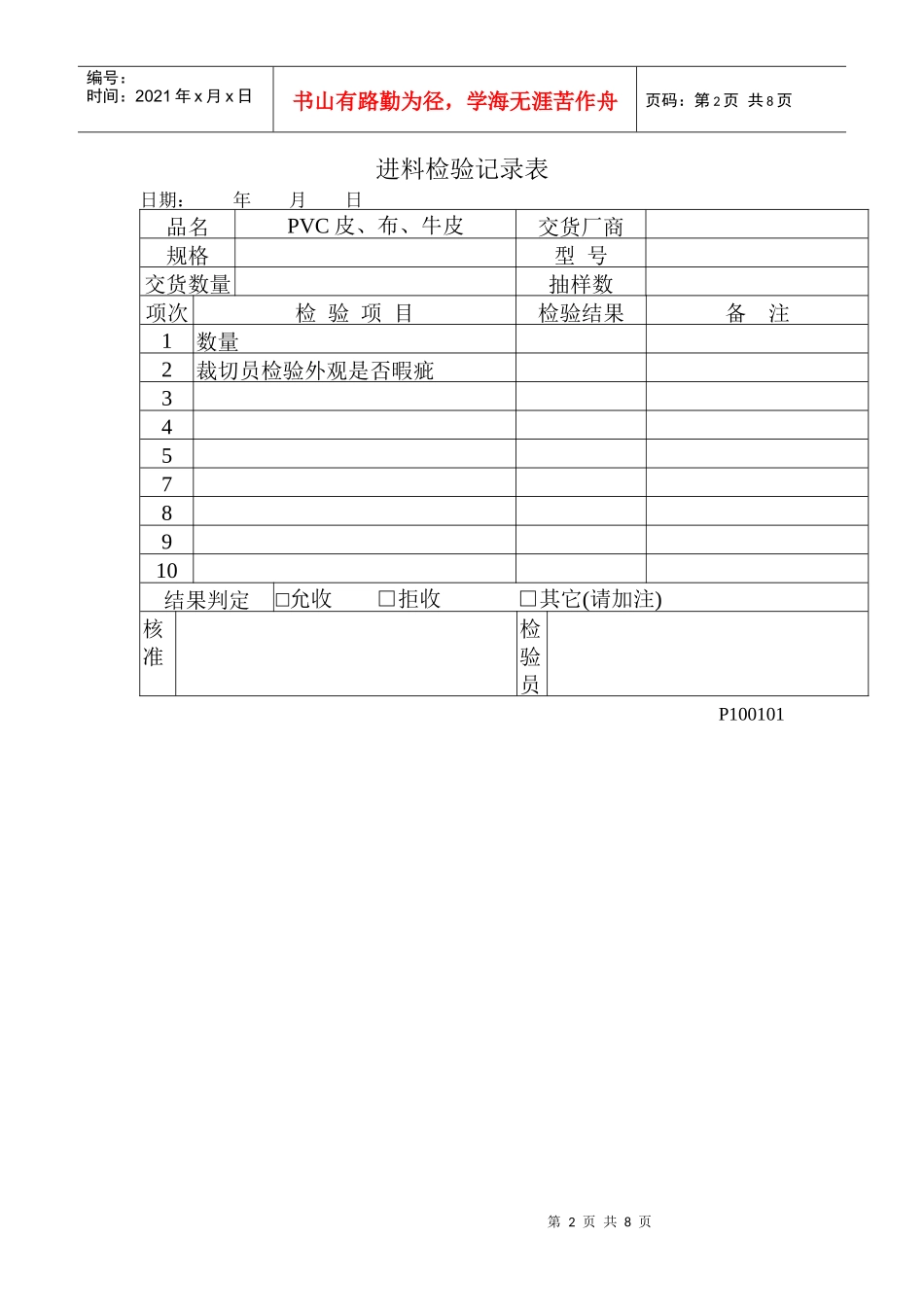
进料检验记录表日期:年月日品名椅脚交货厂商规格型号交货数量抽样数项次检验项目检验结果备注1球轮运转是否顺畅2椅脚耐压程度为何34578910结果判定□允收□拒收□其它(请加注)核准检验员P100101第2页共8页编号:时间:2021年x月x日书山有路勤为径,学海无涯苦作舟页码:第2页共8页进料检验记录表日期:年月日品名PVC皮、布、牛皮交货厂商规格型号交货数量抽样数项次检验项目检验结果备注1数量2裁切员检验外观是否暇疵34578910结果判定□允收□拒收□其它(请加注)核准检验员P100101第3页共8页第2页共8页编号:时间:2021年x月x日书山有路勤为径,学海无涯苦作舟页码:第3页共8页进料检验记录表日期:年月日品名合成泡棉交货厂商规格型号交货数量抽样数项次检验项目检验结果备注1厚度2尺寸34578910结果判定□允收□拒收□其它(请加注)核准检验员P100101第4页共8页第3页共8页编号:时间:2021年x月x日书山有路勤为径,学海无涯苦作舟页码:第4页共8页进料检验记录表日期:年月日品名曲木板交货厂商规格型号交货数量抽样数项次检验项目检验结果备注1尺寸2厚度3形状4对称5强度78910结果判定□允收□拒收□其它(请加注)核准检验员P100101第5页共8页第4页共8页编号:时间:2021年x月x日书山有路勤为径,学海无涯苦作舟页码:第5页共8页进料检验记录表日期:年月日品名扶手交货厂商规格型号交货数量抽样数项次检验项目检验结果备注1数量2外观状况(是否瑕疵)34578910结果判定□允收□拒收□其它(请加注)核准检验员P100101第6页共8页第5页共8页编号:时间:2021年x月x日书山有路勤为径,学海无涯苦作舟页码:第6页共8页进料检验记录表日期:年月日品名弹簧头Tns或Tn或KT弹簧交货厂商规格型号交货数量抽样数项次检验项目检验结果备注1冲孔位置是否正确2弹簧松紧调整是否良好34578910结果判定□允收□拒收□其它(请加注)核准检验员P100101第7页共8页第6页共8页编号:时间:2021年x月x日书山有路勤为径,学海无涯苦作舟页码:第7页共8页进料检验记录表日期:年月日品名四角盘及中心管交货厂商规格型号交货数量抽样数项次检验项目检验结果备注1数量2冲孔(位置是否正确)3铁皮厚度4578910结果判定□允收□拒收□其它(请加注)核准检验员P100101第8页共8页第7页共8页编号:时间:2021年x月x日书山有路勤为径,学海无涯苦作舟页码:第8页共8页进料检验记录表日期:年月日品名气压棒交货厂商规格型号交货数量抽样数项次检验项目检验结果备注1上下调整是否顺畅234578910结果判定□允收□拒收□其它(请加注)核准检验员P100101

1、当您付费下载文档后,您只拥有了使用权限,并不意味着购买了版权,文档只能用于自身使用,不得用于其他商业用途(如 [转卖]进行直接盈利或[编辑后售卖]进行间接盈利)。
2、本站所有内容均由合作方或网友上传,本站不对文档的完整性、权威性及其观点立场正确性做任何保证或承诺!文档内容仅供研究参考,付费前请自行鉴别。
3、如文档内容存在违规,或者侵犯商业秘密、侵犯著作权等,请点击“违规举报”。

碎片内容

品质检验表格-进料检验记录表(一)

您可能关注的文档

确认删除?
VIP
微信客服
  • 扫码咨询
会员Q群
  • 会员专属群点击这里加入QQ群
客服邮箱
回到顶部