电脑桌面
添加小米粒文库到电脑桌面
安装后可以在桌面快捷访问

砖面层工程检验批质量验收记录表VIP免费

砖面层工程检验批质量验收记录表_第1页
1/2
砖面层工程检验批质量验收记录表_第2页
2/2
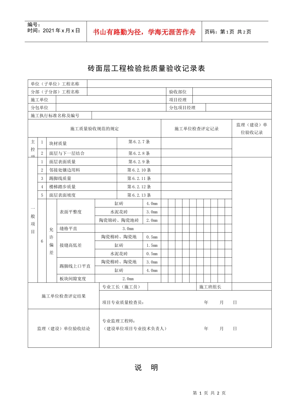
第1页共2页编号:时间:2021年x月x日书山有路勤为径,学海无涯苦作舟页码:第1页共2页砖面层工程检验批质量验收记录表单位(子单位)工程名称分部(子分部)工程名称验收部位施工单位项目经理分包单位分包项目经理施工执行标准名称及编号施工质量验收规范的规定施工单位检查评定记录监理(建设)单位验收记录主控项1块材质量第6.2.7条2面层与下一层结合第6.2.8条一般项目1面层表面质量第6.2.9条2邻接处镶边用料第6.2.10条3踢脚线质量第6.2.11条4楼梯踏步质量第6.2.12条5面层表面坡度第6.2.13条6允许偏差表面平整度缸砖4.0mm水泥花砖3.0mm陶瓷锦砖、陶瓷地砖2.0mm缝格平直3.0mm接缝高低差陶瓷棉砖、陶瓷地砖、水泥花砖0.5mm缸砖1.5mm水泥花砖0.5mm踢脚线上口平直陶瓷棉砖、陶瓷地砖、水泥花砖3.0mm缸砖4.0mm板块间隙宽度2.0mm施工单位检查评定结果专业工长(施工员)施工班组长项目专业质量检查员:年月日监理(建设)单位验收结论专业监理工程师:(建设单位项目专业技术负责人)年月日说明第2页共2页第1页共2页编号:时间:2021年x月x日书山有路勤为径,学海无涯苦作舟页码:第2页共2页主控项目1、面层所用板块的品种、质量必须符合设计要求。尚应符合第6.2.3条规定。观察检查和检查产品材质证明文件及检测报告。2、面层与下一层的结合(粘结)应牢固,无空鼓。用小锤轻击检查。注:凡单块砖边角有局部空鼓,且每自然间(标准间)不超过总数的5%可不计。一般项目1、砖面层的表面应洁净、图案清晰、色泽一致,接缝平整,深浅一致,周边顺直。板块无裂纹、掉角和缺楞等缺陷。观察检查。2、面层邻接处的镶边用料及尺寸应符合设计要求,边角整齐、光滑。尚应符合第6.2.4条有关规定。观察和用尺量检查。3、踢脚线表面应洁净、高度一致、结合牢固、出墙厚度一致。观察和用小锤轻击及尺量检查。4、楼梯踏步和台阶板块的缝隙宽度应一致、齿角整齐;楼层梯段相邻踏步高度差不应大于10mm;防滑条顺直。观察和尺量检查。5、面层表面的坡度应符合设计要求,不倒泛水、无积水;与地漏、管道结合处应严密牢固、无渗漏。观察、泼水或坡度尺及蓄水检查。6、用2m靠尺和楔形塞尺检查表面平整度的允许偏差,拉5m线和用钢尺检查平直度允许偏差;用钢尺和楔形塞尺检查高低差和间隙宽度允许偏差。

1、当您付费下载文档后,您只拥有了使用权限,并不意味着购买了版权,文档只能用于自身使用,不得用于其他商业用途(如 [转卖]进行直接盈利或[编辑后售卖]进行间接盈利)。
2、本站所有内容均由合作方或网友上传,本站不对文档的完整性、权威性及其观点立场正确性做任何保证或承诺!文档内容仅供研究参考,付费前请自行鉴别。
3、如文档内容存在违规,或者侵犯商业秘密、侵犯著作权等,请点击“违规举报”。

碎片内容

砖面层工程检验批质量验收记录表

确认删除?
VIP
微信客服
  • 扫码咨询
会员Q群
  • 会员专属群点击这里加入QQ群
客服邮箱
回到顶部