电脑桌面
添加小米粒文库到电脑桌面
安装后可以在桌面快捷访问

附录F:无功补偿装置安装工程施工记录及质量验评表VIP专享VIP免费

附录F:无功补偿装置安装工程施工记录及质量验评表_第1页
1/77
附录F:无功补偿装置安装工程施工记录及质量验评表_第2页
2/77
附录F:无功补偿装置安装工程施工记录及质量验评表_第3页
3/77
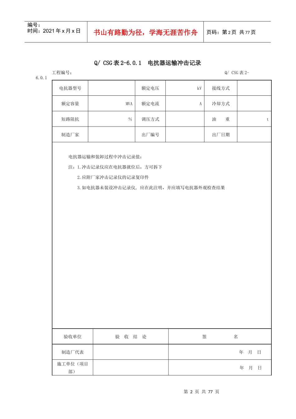
第1页共77页编号:时间:2021年x月x日书山有路勤为径,学海无涯苦作舟页码:第1页共77页附录F:无功补偿装置安装工程施工记录及质量验评表无功补偿装置安装单位工程资料核查项目表序号资料名称应有份数实有份数备注1施工、检验及安装调整记录1电抗器运输冲击记录Q/CSG表2-6.0.12电抗器破压前气体压力检查记录Q/CSG表2-6.0.23电抗器绝缘油试验(新到油每批取样,油处理后注油前、后,电抗器投运前、后取样)记录Q/CSG表2-6.0.34气体继电器检验记录Q/CSG表2-6.0.45电抗器器身检查(隐蔽)签证Q/CSG表2-6.0.56电抗器冷却器密封试验签证Q/CSG表2-6.0.67电抗器真空注油及密封试验签证Q/CSG表2-6.0.78导线液压施工检查记录Q/CSG表2-6.0.89箱柜基础检查记录Q/CSG表2-6.0.910电容器组安装签证Q/CSG表2-6.0.1011组合式油浸电容器安装签证Q/CSG表2-6.0.112质量评定、验收记录1单位工程质量验收与评定表Q/CSG表2-62分部工程质量验收记录表3分项工程质量验收记录表验收单位核查结论签名施工单位(项目部)年月日监理年月日第2页共77页第1页共77页编号:时间:2021年x月x日书山有路勤为径,学海无涯苦作舟页码:第2页共77页Q/CSG表2-6.0.1电抗器运输冲击记录工程编号:Q/CSG表2-6.0.1电抗器型号额定电压kV接线方式额定容量MVA额定电流A冷却方式短路阻抗%调压方式油重t制造厂家出厂编号出厂日期电抗器运输和装卸过程中冲击记录值:注:1.冲击记录仪应在电抗器就位后,方可拆下2.应附厂家冲击记录仪的记录复印件3.如电抗器未装设冲击记录仪,应在此注明,并应填写电抗器外观检查结果验收单位验收结论签名制造厂代表年月日施工单位(项目部)年月日第3页共77页第2页共77页编号:时间:2021年x月x日书山有路勤为径,学海无涯苦作舟页码:第3页共77页监理年月日Q/CSG表2-6.0.2电抗器破压前气体压力检查记录工程编号:Q/CSG表2-6.0.2电抗器型号额定电压kV接线方式额定容量MVA额定电流A冷却方式短路阻抗%调压方式油重t制造厂家出厂编号出厂日期检查项目油箱内气体压力各阶段气体压力值MPa环境温度℃检查日期检查人到达现场时保管期间第1次检查第2次检查第3次检查第4次检查第5次检查第6次检查第7次检查第8次检查破压前检查意见:验收单位验收结论签名班组年月日施工队年月日第4页共77页第3页共77页编号:时间:2021年x月x日书山有路勤为径,学海无涯苦作舟页码:第4页共77页项目部年月日监理年月日备:保管期间内,油箱内气体压力检查间隔时间不应超过3~5天电抗器绝缘油试验记录工程编号:Q/CSG表2-6.0.3电抗器型号额定电压kV绝缘油牌号额定容量MVA额定电流A油总重t冷却方式绝缘油批数绝缘油桶数制造厂家出厂编号出厂日期绝缘油验收批次桶数出厂试验报告编号抽样桶数抽样分析报告份数(后附)(后附)(后附)(后附)绝缘油试验报告登记表试验项目电抗器内残油报告编号注油前报告编号局放前报告编号冲击前报告编号简化分析或全分析-色谱分析---微水含量ppm-含气量--%电气强度试验第5页共77页第4页共77页编号:时间:2021年x月x日书山有路勤为径,学海无涯苦作舟页码:第5页共77页验收单位验收结论签名班组年月日施工队年月日项目部年月日监理年月日Q/CSG表2-6.0.4电抗器气体继电器检验记录工程编号:Q/CSG表2-6.0.4电抗器型号额定电压kV冷却方式额定容量MVA额定电流A制造厂家出厂编号出厂日期气体继电器电抗器气体继电器型号规格管路内径mm报告编号第6页共77页第5页共77页编号:时间:2021年x月x日书山有路勤为径,学海无涯苦作舟页码:第6页共77页(后附气体继电器检验报告)验收单位验收结论签名班组年月日施工队年月日项目部年月日监理年月日Q/CSG表2-6.0.5电抗器器身检查(隐蔽)签证工程编号:Q/CSG表2-6.0.5电抗器型号额定电压kV容量Mvar额定电流A冷却方式制造厂家出厂编号出厂日期检查日期气象条件环境温℃第7页共77页第6页共77页编号:时间:2021年x月x日书山有路勤为径,学海无涯苦作舟页码:第7页共77页相对湿度%检查方式铁芯暴露时间开始放油或排气时间开始抽真空时间检查记录检查项目检查结果检查项目检查结果检查项目检查结果临时支撑是否拆除器身无位移螺栓是否紧固螺栓防松措施绝缘...

1、当您付费下载文档后,您只拥有了使用权限,并不意味着购买了版权,文档只能用于自身使用,不得用于其他商业用途(如 [转卖]进行直接盈利或[编辑后售卖]进行间接盈利)。
2、本站所有内容均由合作方或网友上传,本站不对文档的完整性、权威性及其观点立场正确性做任何保证或承诺!文档内容仅供研究参考,付费前请自行鉴别。
3、如文档内容存在违规,或者侵犯商业秘密、侵犯著作权等,请点击“违规举报”。

碎片内容

附录F:无功补偿装置安装工程施工记录及质量验评表

确认删除?
VIP
微信客服
  • 扫码咨询
会员Q群
  • 会员专属群点击这里加入QQ群
客服邮箱
回到顶部