《中小企业管理全能版》183 套讲座+89700份资料...../Shop/40.shtml《总经理、高层管理》49 套讲座+16388份资料...../Shop/38.shtml《中...
目录第一章 绪论.....................................................................................................................
摘 要本设计按照现有的单粒精播播种机加以改进设计,主要用于小田作业,目的是在玉米、大豆等作物精量播种施肥的同时,进行覆土和镇压土壤...
摘要:电能变换技术是一种将电能进行变换和控制电能的技术,它利用了电力半导体器件来进行能量变换、电力控制和电能传输,被广泛应用于电力...
第一部分:水箱安装指导第二部分:面板安装指导第三部分:挂厕安装指导第一部分吉博力隐蔽式水箱安装说明1、 先让土工确定地板完成面的高...
比空气大且不与空气中的物质反应比空气小且不与空气中的物质反应“ 难” 或“不易” 溶于水且不与水反应可用作气体的收集装置复习巩固复...
带式运输机传动装置的二级圆柱齿轮减速器设计和实现目录1 设计任务书……………………………………………………………………………12 传...
材料扭转力学性能测试装置的设计摘 要轴作为机械设备中的重要组成零件,其在动力传递过程中以及导向过程都有着相当重要的作用。在传动设备...
物理性质 物理性质 化学性质 化学性质 二氧化碳最常见的一种用途是灭火,这体现了它的哪些性质呢 ? 二氧化碳最常见的一种用途是灭火...
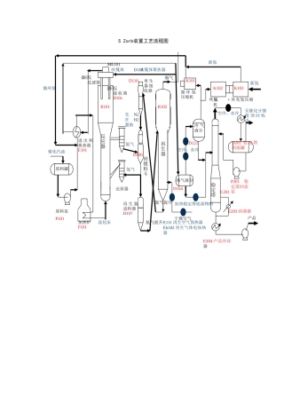
二氧化碳吸收实验装置说明书 一、实验目的1.了解填料吸收塔的结构、性能和特点,练习并掌握填料塔操作方法;通过实验测定数据的处理分析,...
目 录1. 设计目的……………………………………………………………22. 设计方案……………………………………………………………33. 电...
安全试车专项培训第 1 部分 试车工作流程生产准备1: 组织准备2: 人员准备3: 技术准备4: 安全准备5: 物资及外部条件准备6: 营销及...
安全试车专项培训第 1 部分试车工作流程试车工作流程 化工装置试车分为四个阶段,即试车前的生产准备阶段、 预试车阶段、化工投料试车...
PCS-9705TA/B/C/D/E 测控装置选型指南 2.1 PCS-9705TAB02B01NR6401A4CT/5PT01Ua02 Ub03Uc04 Un043U006 3U0n07Ux08 Uxn09 10 11 1...
I LNG 撬 装 加 注 装 置 安 全 操 作 规 程LNG filling device with pry safety operation proceduresII 目 录1. ...
实验 DH-3 型三相一次自动重合闸装置实验一、实验目的1、熟悉三相一次重合闸装置的电气结构和工作原理。2、理解三相一次重合闸装置内部...
摘 要在机电传动控制系统中,电机控制算法和手段有很多,最早开发的模拟 PID 控制早已形成了典型的结构。但是它的参数一旦设定,系统在...
加油站油气回收装置使用指南 一、操作规程(一)一次油气回收装置操作规程.1.应先连接好卸油胶管和油气回收胶管,然后打开罐车油气回收阀...
编号:加氢装置首次试车方案(初稿)内蒙古伊泰化工有限责任公司油品加工装置二○一四年七月首次试车方案审批程序编写: 油品加工 签名审...
山东****化工有限公司加氢裂化车间安全技术规程(编号)编写审核批准编写说明****化工有限公司 180×104 t/a 加氢裂化装置,采纳**...

