电脑桌面
添加小米粒文库到电脑桌面
安装后可以在桌面快捷访问

土建质量监督表资料大全(完整版)VIP免费

土建质量监督表资料大全(完整版)_第1页
1/19
土建质量监督表资料大全(完整版)_第2页
2/19
土建质量监督表资料大全(完整版)_第3页
3/19
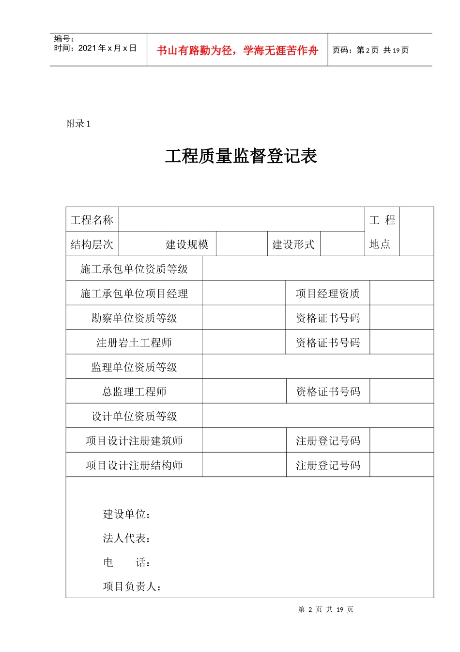
第1页共19页编号:时间:2021年x月x日书山有路勤为径,学海无涯苦作舟页码:第1页共19页目录工程质量监督登记表..................................................................................2建设工程质量监督通知书..........................................................................3工程质量监督计划......................................................................................4工程质量保证体系审查表..........................................................................7建设工程质量监督记录..............................................................................8隐蔽工程验收记录及重点部位抽查统计表..............................................9工程质量事故报告....................................................................................10建设工程质量整改通知单........................................................................11建设工程质量整改情况报告书................................................................12青海省房屋建筑工程和市政基础设施工程............................................13第2页共19页第1页共19页编号:时间:2021年x月x日书山有路勤为径,学海无涯苦作舟页码:第2页共19页附录1工程质量监督登记表工程名称工程地点结构层次建设规模建设形式施工承包单位资质等级施工承包单位项目经理项目经理资质勘察单位资质等级资格证书号码注册岩土工程师资格证书号码监理单位资质等级总监理工程师资格证书号码设计单位资质等级项目设计注册建筑师注册登记号码项目设计注册结构师注册登记号码建设单位:法人代表:电话:项目负责人:第3页共19页第2页共19页编号:时间:2021年x月x日书山有路勤为径,学海无涯苦作舟页码:第3页共19页电话:盖章年月日本表一式四份,建设单位、监理单位、施工单位、质检站各一份。附录2建设工程质量监督通知书:你单位报监时提供的文件和资料经审查,符合规定,已交纳监督费。同意办理工程质量监督注册手续。对其实施政府质量监督管理,并按《建设工程质量管理条例》第七章条款履行责任和义务。工程名称:工程地点:监督注册号:第4页共19页第3页共19页编号:时间:2021年x月x日书山有路勤为径,学海无涯苦作舟页码:第4页共19页监督站年月日此表一式四份,建设、监督、施工、监督站各一份。附录3工程质量监督计划根据监督登记号,由我站对进行质量监督。为保证质量监督工作的顺利实施,使监督工作的开展有序,依据《建设工程质量管理条例》,特制定如下监督计划:一、工程概况:根据施工图设计文件,该工程为结构,层,建筑面积m2,总造价万。勘察单位,设计单位,施工单位,监理单位。第5页共19页第4页共19页编号:时间:2021年x月x日书山有路勤为径,学海无涯苦作舟页码:第5页共19页二、计划编制依据:编制计划的依据主要是施工图设计文件及审查意见,施工组织设计,有关施工质量验收规范及有关法律、法规。三、监督组织:该项目工程监督工作由级监督工程师等人组成监督组。四、监督工作内容及要求:1、核查受监工程的勘察、设计、监理、施工及预拌砼生产单位的资质以及参建各方质量行为及执行强制性标准的情况。2、基础验槽时,建设单位(监理单位)应协同施工单位提前通知勘察、设计单位及监督站。3、工程施工中,监督人员对工程质量进行抽查。房屋建筑物的抽查重点是地基基础、主体结构和影响使用功能的重要部位。根据本工程的特点,当施工至附表规定的质量控制点部位时,由建设(监理)单位提前通知我站到现场核查(见附表)。4、除对上述质量控制点进行重点监督检查外,监督人员采用抽检与巡检相结合的办法,随机抽检主体施工阶段的砼、砌体、构件安装等施工质量,并对各方面的质量行为及质量责任制的落实情况进行检查。我站对该工程的检查次数不少于次。五、我站选派一级监理工程师同志为本工程的项目监督工程师请配合工作。电话,监督站地第6页共19页第5页共19页编号:时间:2021年x月x日书山有路勤为径,...

1、当您付费下载文档后,您只拥有了使用权限,并不意味着购买了版权,文档只能用于自身使用,不得用于其他商业用途(如 [转卖]进行直接盈利或[编辑后售卖]进行间接盈利)。
2、本站所有内容均由合作方或网友上传,本站不对文档的完整性、权威性及其观点立场正确性做任何保证或承诺!文档内容仅供研究参考,付费前请自行鉴别。
3、如文档内容存在违规,或者侵犯商业秘密、侵犯著作权等,请点击“违规举报”。

碎片内容

土建质量监督表资料大全(完整版)

确认删除?
VIP
微信客服
  • 扫码咨询
会员Q群
  • 会员专属群点击这里加入QQ群
客服邮箱
回到顶部