电脑桌面
添加小米粒文库到电脑桌面
安装后可以在桌面快捷访问

现浇结构尺寸偏差检验批质量验收记录VIP免费

现浇结构尺寸偏差检验批质量验收记录_第1页
1/3
现浇结构尺寸偏差检验批质量验收记录_第2页
2/3
现浇结构尺寸偏差检验批质量验收记录_第3页
3/3
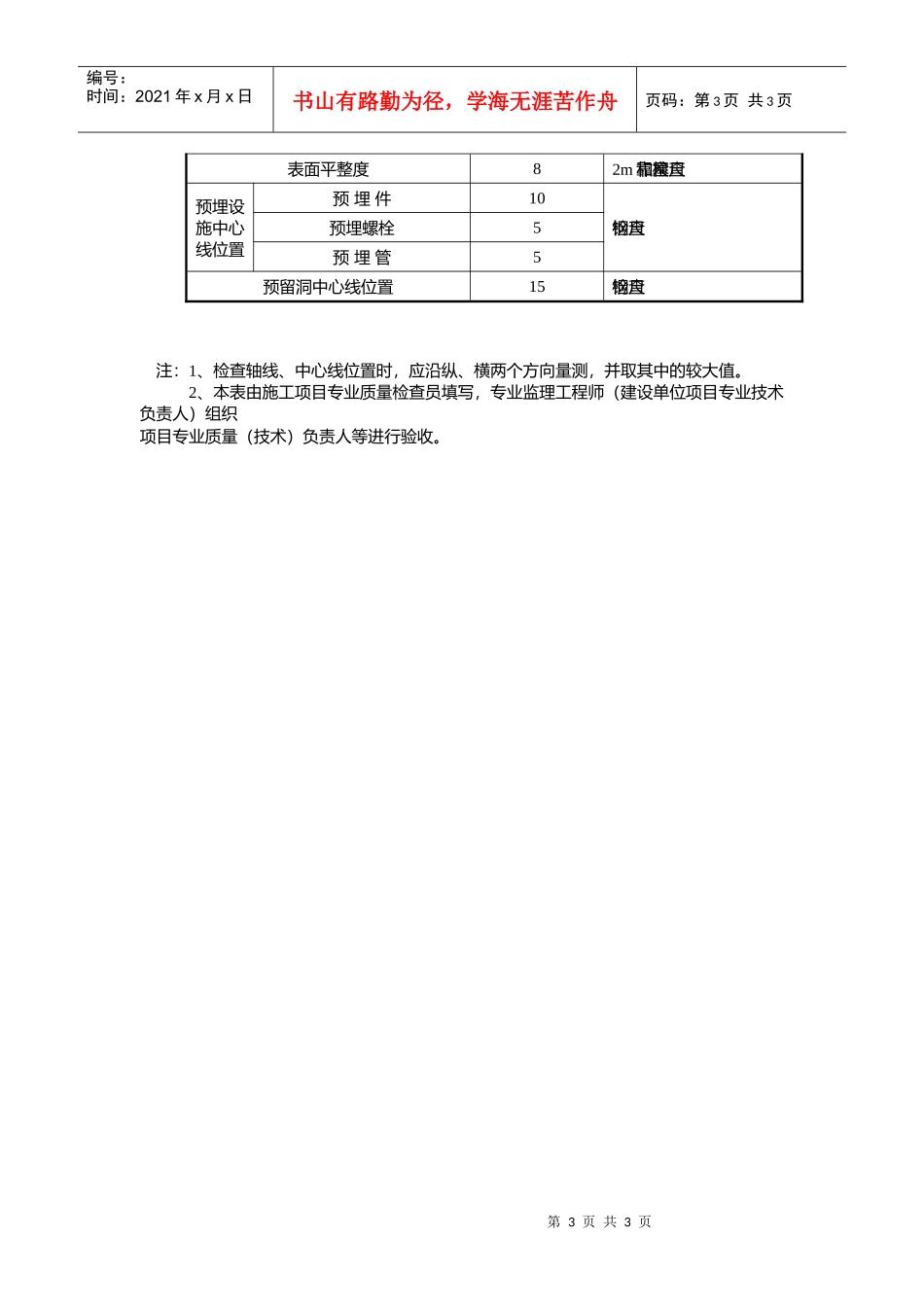
第1页共3页编号:时间:2021年x月x日书山有路勤为径,学海无涯苦作舟页码:第1页共3页现浇结构尺寸偏差检验批质量验收记录(I)(GB50204-2002)表8.3-1编号:010603(5)/020105(2)□□□工程名称分项工程名称项目经理施工单位验收部位施工执行标准名称及编号专业工长(施工员)分包单位分包项目经理施工班组长质量验收规范的规定施工单位自检记录监理(建设)单位验收记录主控项目尺寸偏差不应有影响结构性能和使用功能的尺寸偏差;对超过尺寸允许偏差且影响结构性能和安装、使用功能的部位,应由施工单位提出技术处理方案,并经监理(建设)单位认可后进行处理。对经处理的部位,应重新检查验收。(第8.3.1条)一般项目拆模后的尺寸偏差(第8.3.2条)项目允许偏差(mm)实测值轴线位置基础15独立基础10墙、柱、梁8剪力墙5垂直度层高≤5m8>5m10全高(H)H/1000且≤30标高层高10全高30截面尺寸+8,5电梯井井筒长、宽对定位中心线+25,0井筒全高(H)垂直度H/1000且≤30表面平整度8预埋设施中心位置预埋件10预埋螺栓5预埋管5预留洞中心线位置15施工操作依据质量检查记录施工单位检查结果评定项目专业项目专业质量检查员:技术负责人:年月日第2页共3页第1页共3页编号:时间:2021年x月x日书山有路勤为径,学海无涯苦作舟页码:第2页共3页监理(建设)单位验收结论专业监理工程师:(建设单位项目专业技术负责人)年月日010603(5)/020105(2)□□□说明主控项目8.3.1现浇结构不应有影响结构性能和使用功能的尺寸偏差。对超过尺寸允许偏差且影响结构性能和安装、使用功能的部位,应由施工单位提出技术提出处理方案,并经监理(建设)单位认可后进行处理。对经处理的部位,应重新检查验收。检查数量:全数检查。检验方法:量测,检查技术处理方案。一般项目8.3.2现浇结构拆摸后的尺寸偏差应符合表8.3.2-1的规定。检查数量:按楼层、结构缝或施工段划分检验批。在同一检验批内,对梁、柱和独立基础,应抽查构件数量的10%,且不少于3件;对墙和板,应按有代表性的自然间抽查10%,且不少于3间;对大空间结构,墙可按相邻轴线间高度5m左右划分检查面,板可按纵、横轴线划分检查面,抽查10%,且均不少于3面;对电梯井,应全数检查。现浇结构尺寸允许偏差和检验方法表8.3.2-1项目允许偏差(mm)检验方法轴线位置基础15钢尺检查独立基础10墙、柱、梁8剪力墙5垂直度层高≤5m8经纬仪或吊线、钢尺检查<5m10经纬仪或吊线、钢尺检查全高(H)H/1000且≤30经纬仪、钢尺检查标高层高±10水准仪或拉线、钢尺检查全高±30截面尺寸+8,-5钢尺检查电梯井井筒长、宽对定位中心线+25,0钢尺检查井筒全高(H)垂直度H/1000且≤30经纬仪、钢尺检查第3页共3页第2页共3页编号:时间:2021年x月x日书山有路勤为径,学海无涯苦作舟页码:第3页共3页表面平整度82m靠尺和塞尺检查预埋设施中心线位置预埋件10钢尺检查预埋螺栓5预埋管5预留洞中心线位置15钢尺检查注:1、检查轴线、中心线位置时,应沿纵、横两个方向量测,并取其中的较大值。2、本表由施工项目专业质量检查员填写,专业监理工程师(建设单位项目专业技术负责人)组织项目专业质量(技术)负责人等进行验收。

1、当您付费下载文档后,您只拥有了使用权限,并不意味着购买了版权,文档只能用于自身使用,不得用于其他商业用途(如 [转卖]进行直接盈利或[编辑后售卖]进行间接盈利)。
2、本站所有内容均由合作方或网友上传,本站不对文档的完整性、权威性及其观点立场正确性做任何保证或承诺!文档内容仅供研究参考,付费前请自行鉴别。
3、如文档内容存在违规,或者侵犯商业秘密、侵犯著作权等,请点击“违规举报”。

碎片内容

现浇结构尺寸偏差检验批质量验收记录

精华资料店+ 关注
实名认证
内容提供者

大量教育教学资料

确认删除?
VIP
微信客服
  • 扫码咨询
会员Q群
  • 会员专属群点击这里加入QQ群
客服邮箱
回到顶部