电脑桌面
添加小米粒文库到电脑桌面
安装后可以在桌面快捷访问

土方分项工程质量检验评定表VIP免费

土方分项工程质量检验评定表_第1页
1/2
土方分项工程质量检验评定表_第2页
2/2
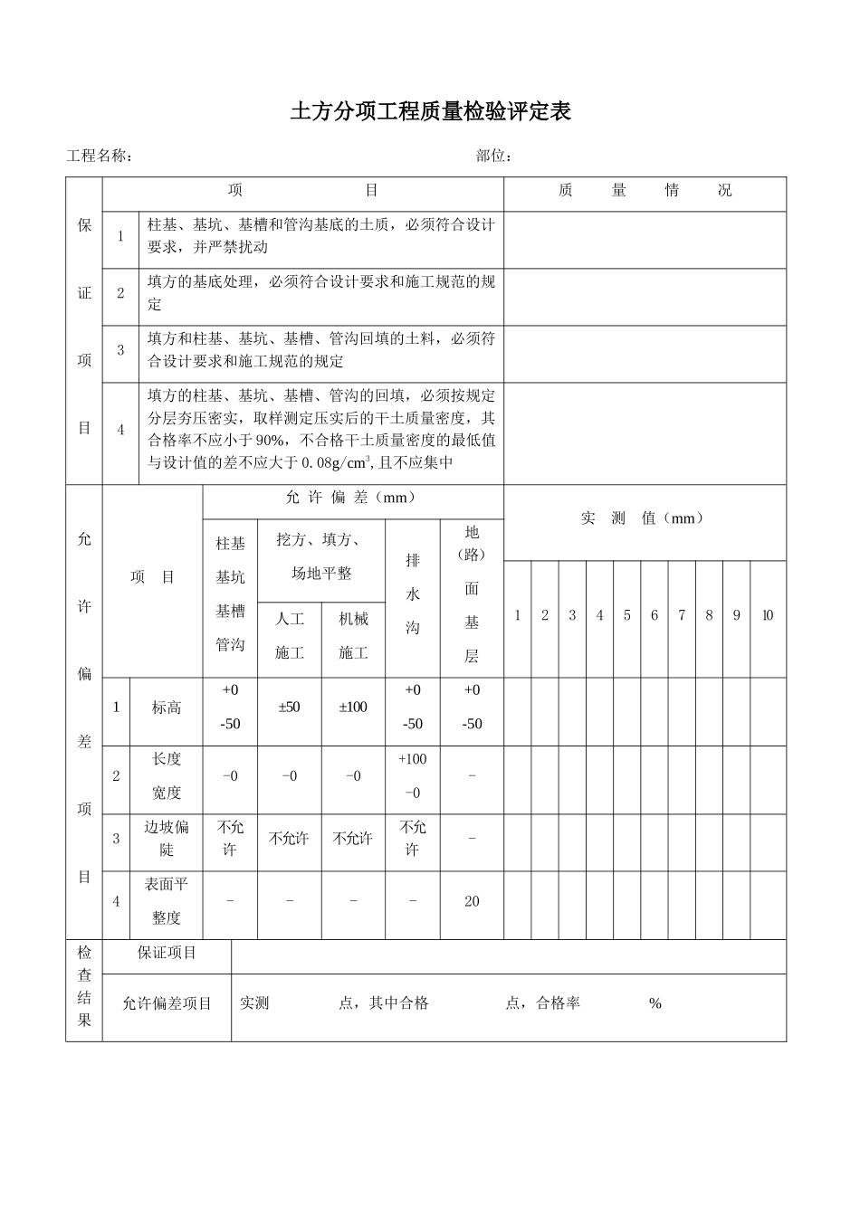
土方分项工程质量检验评定表工程名称:部位:保证项目项目质量情况1柱基、基坑、基槽和管沟基底的土质,必须符合设计要求,并严禁扰动2填方的基底处理,必须符合设计要求和施工规范的规定3填方和柱基、基坑、基槽、管沟回填的土料,必须符合设计要求和施工规范的规定4填方的柱基、基坑、基槽、管沟的回填,必须按规定分层夯压密实,取样测定压实后的干土质量密度,其合格率不应小于90%,不合格干土质量密度的最低值与设计值的差不应大于0.08g/cm3,且不应集中允许偏差项目项目允许偏差(mm)实测值(mm)柱基基坑基槽管沟挖方、填方、场地平整排水沟地(路)面基层12345678910人工施工机械施工1标高+0-50±50±100+0-50+0-502长度宽度-0-0-0+100-0-3边坡偏陡不允许不允许不允许不允许-4表面平整度----20检查结果保证项目允许偏差项目实测点,其中合格点,合格率%评定等级工程负责人:工长:班组长:核定等级质量检查员:注:地(路)面基层的偏差只适用于直接在挖、填方上做地(路)面的基层。年月日土方分项工程质量检验评定表使用说明本表适用于柱基、基坑、基槽和管沟的开挖与回填,以及挖方、填方、场地平整、排水沟等土方工程。(1)保证项目检查数量:1、3项全数检查。4项环刀法的取样数量:柱基回填,抽查柱基总数的10%,但不少于5个;基槽和管沟回填,每层按长度20~50m取样1组,但不少于1组;基坑和室内填土,每层按100~500m2取样1组,但不少于1组;场地平整填方,每层按400~900m2取样1组,但不少于1组。灌砂或灌水法的取样数量可较环刀法适当减少。检验方法:1项观察检查和检查验槽记录。2项观察检查和检查基底处理记录。3项野外鉴别或取样试验。4项观察检查和检查取样平面图及试验记录。(2)允许偏差项目检查数量:1项柱基按总数抽查10%,但不少于5个,每个不少于2点;基坑每20m2取1点,每坑不少于2点;基槽、管沟、排水沟、路面基层每20m取1点,但不少于5点;挖方、填方、地面基层每30~50m2取1点,但不少于5点;场地平整每100~400m2取1点,但不少于10点。2、3项每20m取1点,每边不少于1点。4项每30~50m2取1点。检验方法:1项用水准仪检查。2项用经纬仪、拉线和尺量检查。3项观察或用坡度尺检查。4项用2m靠尺和楔形塞尺检查。

1、当您付费下载文档后,您只拥有了使用权限,并不意味着购买了版权,文档只能用于自身使用,不得用于其他商业用途(如 [转卖]进行直接盈利或[编辑后售卖]进行间接盈利)。
2、本站所有内容均由合作方或网友上传,本站不对文档的完整性、权威性及其观点立场正确性做任何保证或承诺!文档内容仅供研究参考,付费前请自行鉴别。
3、如文档内容存在违规,或者侵犯商业秘密、侵犯著作权等,请点击“违规举报”。

碎片内容

土方分项工程质量检验评定表

文泉书屋+ 关注
实名认证
内容提供者

热爱教学事业,对互联网知识分享很感兴趣

确认删除?
VIP
微信客服
  • 扫码咨询
会员Q群
  • 会员专属群点击这里加入QQ群
客服邮箱
回到顶部