电脑桌面
添加小米粒文库到电脑桌面
安装后可以在桌面快捷访问

机泵安装工序质量控制表VIP免费

机泵安装工序质量控制表_第1页
1/31
机泵安装工序质量控制表_第2页
2/31
机泵安装工序质量控制表_第3页
3/31
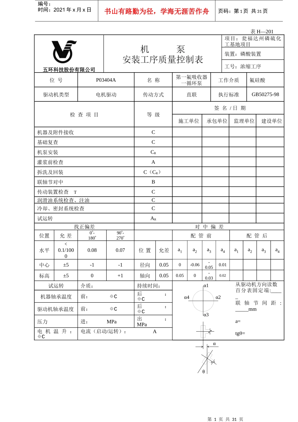
第1页共31页αθα3α2α4α1编号:时间:2021年x月x日书山有路勤为径,学海无涯苦作舟页码:第1页共31页表H—201五环科技股份有限公司机泵安装工序质量控制表项目:瓮福达州磷硫化工基地项目装置:磷酸装置工号:浓缩工序位号P03404A名称第一氟吸收器一循环泵工作介质氟硅酸驱动机类型电机驱动传动方式直联执行标准GB50275-98检查项目等级签名/日期施工单位承包单位监理单位建设单位机器及附件接收C基础复查C机泵安装CR灌浆前检查A拆洗及回装C(CR)联轴节对中B传动装置检查TC润滑油系统检查、注油C冷却、密封系统检查C试运转AR找正偏差对中偏差位置允差0-18090-270配管前配管后水平﹤0.1/10000.080.07位置允差a1a2a3a4a1a2a3a4中心±5-1-1径向0.050-0.06-0.050.01标高±50+1轴向0.050.050-0.030.02试运转介质:持续时间:从驱动机方向读数百分表固定端:_____联轴节间距:_____mma=tg=机器轴承温度前:C后:C驱动机轴承温度前:C后:C压力进:MPa出:MPa电机温升:C电流(启动/运转):A第2页共31页第1页共31页αα3α2α4α1编号:时间:2021年x月x日书山有路勤为径,学海无涯苦作舟页码:第2页共31页备注:表H—201五环科技股份有限公司机泵安装工序质量控制表项目:瓮福达州磷硫化工基地项目装置:磷酸装置工号:浓缩工序位号P03404B名称第一氟吸收器一循环泵工作介质氟硅酸驱动机类型电机驱动传动方式直联执行标准GB50275-98检查项目等级签名/日期施工单位承包单位监理单位建设单位机器及附件接收C基础复查C机泵安装CR灌浆前检查A拆洗及回装C(CR)联轴节对中B传动装置检查TC润滑油系统检查、注油C冷却、密封系统检查C试运转AR找正偏差对中偏差位置允差0-18090-270配管前配管后水平﹤0.1/10000.120.11位置允差a1a2a3a4a1a2a3a4中心±50+1径向0.0500.050.03-0.02标高±5+10轴向0.050.030-0.070.04试运转介质:持续时间:从驱动机方向读数百分表固定端:_____联轴节间距:_____mma=机器轴承温度前:C后:C驱动机轴承温度前:C后:C压力进:MPa出:MPa第3页共31页第2页共31页α3α2α4α1编号:时间:2021年x月x日书山有路勤为径,学海无涯苦作舟页码:第3页共31页tg=电机温升:C电流(启动/运转):A备注:表H—201五环科技股份有限公司机泵安装工序质量控制表项目:瓮福达州磷硫化工基地项目装置:磷酸装置工号:浓缩工序位号P03404C名称第一氟吸收器一循环泵工作介质氟硅酸驱动机类型电机驱动传动方式直联执行标准GB50275-98检查项目等级签名/日期施工单位承包单位监理单位建设单位机器及附件接收C基础复查C机泵安装CR灌浆前检查A拆洗及回装C(CR)联轴节对中B传动装置检查TC润滑油系统检查、注油C冷却、密封系统检查C试运转AR找正偏差对中偏差位置允差0-18090-270配管前配管后水平﹤0.1/10000.10.12位置允差a1a2a3a4a1a2a3a4中心±5+1+1径向0.050-0.07-0.040.03标高±5+1-1轴向0.05-0.0600.030.03试运转介质:持续时间:从驱动机方向读数百分表固定端:_____联轴节间距:_____mm机器轴承温度前:C后:C驱动机轴承温度前:C后:C第4页共31页第3页共31页α3α2α4α1编号:时间:2021年x月x日书山有路勤为径,学海无涯苦作舟页码:第4页共31页a=tg=压力进:MPa出:MPa电机温升:C电流(启动/运转):A备注:表H—201五环科技股份有限公司机泵安装工序质量控制表项目:瓮福达州磷硫化工基地项目装置:磷酸装置工号:浓缩工序位号P03405A名称第一氟吸收器二循环泵工作介质氟硅酸驱动机类型电机驱动传动方式直联执行标准GB50275-98检查项目等级签名/日期施工单位承包单位监理单位建设单位机器及附件接收C基础复查C机泵安装CR灌浆前检查A拆洗及回装C(CR)联轴节对中B传动装置检查TC润滑油系统检查、注油C冷却、密封系统检查C试运转AR找正偏差对中偏差位置允差0-18090-270配管前配管后水平﹤0.1/10000.080.09位置允差a1a2a3a4a1a2a3a4中心±50+1径向0.050-0.050.040.01标高±5+1+1轴向0.050.050.060-0.01试运转介质:持续时间:从驱动机方向读数百分表固定端:_____联轴节间距:_____mm机器轴承温度前:C后:C...

1、当您付费下载文档后,您只拥有了使用权限,并不意味着购买了版权,文档只能用于自身使用,不得用于其他商业用途(如 [转卖]进行直接盈利或[编辑后售卖]进行间接盈利)。
2、本站所有内容均由合作方或网友上传,本站不对文档的完整性、权威性及其观点立场正确性做任何保证或承诺!文档内容仅供研究参考,付费前请自行鉴别。
3、如文档内容存在违规,或者侵犯商业秘密、侵犯著作权等,请点击“违规举报”。

碎片内容

机泵安装工序质量控制表

您可能关注的文档

确认删除?
VIP
微信客服
  • 扫码咨询
会员Q群
  • 会员专属群点击这里加入QQ群
客服邮箱
回到顶部