电脑桌面
添加小米粒文库到电脑桌面
安装后可以在桌面快捷访问

通用及专项条件和编写质量手册18个体系要素说明VIP专享VIP免费

通用及专项条件和编写质量手册18个体系要素说明_第1页
1/88
通用及专项条件和编写质量手册18个体系要素说明_第2页
2/88
通用及专项条件和编写质量手册18个体系要素说明_第3页
3/88
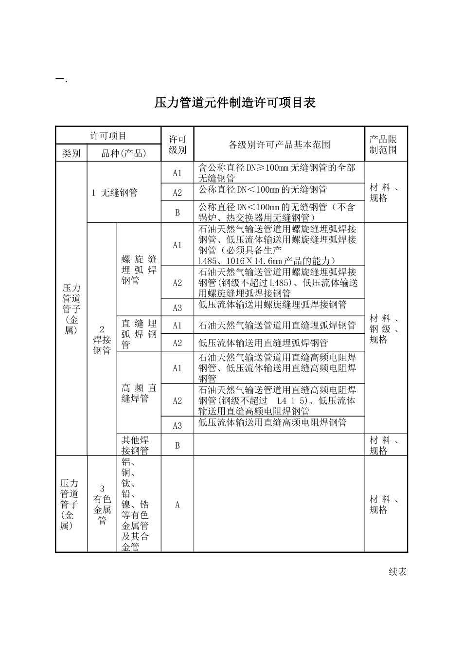
一.压力管道元件制造许可项目表许可项目许可级别各级别许可产品基本范围产品限制范围类别品种(产品)压力管道管子(金属)1无缝钢管A1含公称直径DN≥100mm无缝钢管的全部无缝钢管材料、规格A2公称直径DN<100mm的无缝钢管B公称直径DN<100mm的无缝钢管(不含锅炉、热交换器用无缝钢管)2焊接钢管螺旋缝埋弧焊钢管A1石油天然气输送管道用螺旋缝埋弧焊接钢管、低压流体输送用螺旋缝埋弧焊接钢管(必须具备生产L485、1016Χ14.6mm产品的能力)材料、钢级、规格A2石油天然气输送管道用螺旋缝埋弧焊接钢管(钢级不超过L485)、低压流体输送用螺旋缝埋弧焊接钢管A3低压流体输送用螺旋缝埋弧焊接钢管直缝埋弧焊钢管A1石油天然气输送管道用直缝埋弧焊钢管A2低压流体输送用直缝埋弧焊钢管高频直缝焊管A1石油天然气输送管道用直缝高频电阻焊钢管、低压流体输送用直缝高频电阻焊钢管A2石油天然气输送管道用直缝高频电阻焊钢管(钢级不超过L415)、低压流体输送用直缝高频电阻焊钢管A3低压流体输送用直缝高频电阻焊钢管其他焊接钢管B材料、规格压力管道管子(金属)3有色金属管铝、铜、钛、铅、镍、锆等有色金属管及其合金管A材料、规格续表第2页共88页编号:时间:2021年x月x日书山有路勤为径,学海无涯苦作舟页码:第2页共88页许可项目许可级别各级别许可产品基本范围产品限制范围类别品种(产品)压力管道管件(金属)4铸铁管B铸造工艺、材料、规格5钢制无缝管件(包括含有缝管坯料制管件)A铬钼钢、双相不锈钢、标准抗拉强度不小于540Mpa且公称压力大于6.4MPa的管件产品名称、材料、规格B不包括铬钼钢、双相不锈钢、标准抗拉强度不小于540Mpa钢材制且公称压力大于6.4MPa的管件之外的其他无缝管件6钢制有缝管件(钢板制对焊管件)B包括铬钼钢、双相不锈钢、标准抗拉强度不小于540Mpa钢材制且公称压力不小于10MPa、公称直径不小于500mm的钢板制对焊管件材料、规格B不包括铬钼钢、不锈钢、标准抗拉强度不小于540Mpa的钢材制且公称压力不小于6.4MPa、公称直径不小于500mm的钢板制对焊管件之外的其他无缝管件7有色金属管件铝合金管件、铜合金管件、钛合金管件A材料、规格8锻造管件(机加工)B规格9铸造管件B材料、规格阀门(金属壳体)10阀门特殊工况阀门A1特殊工况阀门及一般工况用阀门用途、产品名称、规格A2不包括设计温度大于425℃且公称压力大于10MPa的特殊工况阀门和一般工况用阀门一般工况阀门B不包括设计温度不小于425℃或者公称压力大于6.4MPa的一般工况阀门第3页共88页第2页共88页编号:时间:2021年x月x日书山有路勤为径,学海无涯苦作舟页码:第3页共88页续表许可项目许可级别各级别许可产品基本范围产品限制范围类别品种(产品)阀门(金属壳体)11安全阀A1公称压力不小于4.0MPa的蒸汽、气体、液化气体介质安全阀产品名称、规格A2公称压力小于4.0MPa的蒸汽、气体、液化气体介质安全阀;各种液体介质用安全阀B公称压力小于1.6MPa的无毒非易燃气体(蒸气)及液体介质用安全阀法兰12.法兰(钢制机加工)B规格补偿器13金属波纹膨胀节B1各种规格的金属波纹膨胀节产品名称、规格B2不包括公称压力不小于4.0MPa且公称直径不小于500mm的金属波纹膨胀节之外的其他金属波纹膨胀节14其他型式金属补偿器套筒补偿器、旋转式补偿器、非金属织物补偿器、特种补偿器等B产品名称、规格15金属软管B规格压力管道支承件16弹簧支吊架B第4页共88页第3页共88页编号:时间:2021年x月x日书山有路勤为径,学海无涯苦作舟页码:第4页共88页续表许可项目许可级别各级别许可产品基本范围产品限制范围类别品种(产品)压力管道密封件17密封件金属垫片、非金属垫片、金属非金属复合垫片、密封填料A产品名称18紧固件合金钢制M14以上螺柱、螺母A包括M36及以上高强合金钢制螺柱、螺母的各种螺柱、螺母材料、规格B不包括M36及以上高强合金钢制螺柱、螺母的各种螺柱、螺母压力管道特种元件19元件组合装置减温减压装置、撬装调压装置、井口装置及采油树等A产品名称第5页共88页第4页共88页编号:时间:2021年x月x日书山有路勤为径,学海无涯苦作舟页码:第5页共88页许可项目许可级别各级别许可产品基本范围产品限制范围类别品种(产品)压力管道...

1、当您付费下载文档后,您只拥有了使用权限,并不意味着购买了版权,文档只能用于自身使用,不得用于其他商业用途(如 [转卖]进行直接盈利或[编辑后售卖]进行间接盈利)。
2、本站所有内容均由合作方或网友上传,本站不对文档的完整性、权威性及其观点立场正确性做任何保证或承诺!文档内容仅供研究参考,付费前请自行鉴别。
3、如文档内容存在违规,或者侵犯商业秘密、侵犯著作权等,请点击“违规举报”。

碎片内容

通用及专项条件和编写质量手册18个体系要素说明

确认删除?
VIP
微信客服
  • 扫码咨询
会员Q群
  • 会员专属群点击这里加入QQ群
客服邮箱
回到顶部