电脑桌面
添加小米粒文库到电脑桌面
安装后可以在桌面快捷访问

自然风景质量评价VIP免费

自然风景质量评价_第1页
1/9
自然风景质量评价_第2页
2/9
自然风景质量评价_第3页
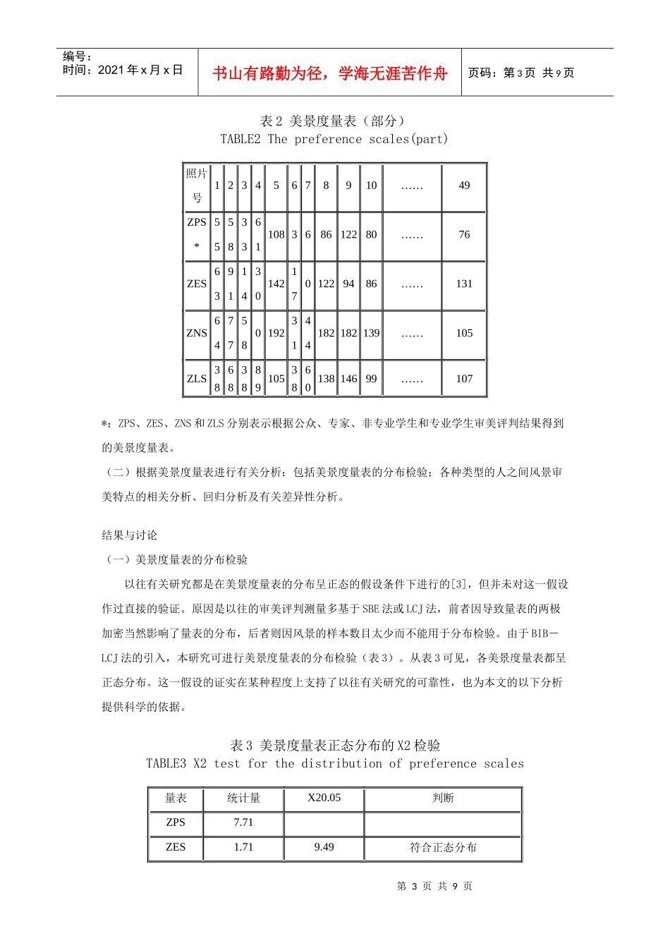
3/9
第1页共9页编号:时间:2021年x月x日书山有路勤为径,学海无涯苦作舟页码:第1页共9页自然风景质量评价--BIB-LCJ审美评判测量法(本文发表在北京林业大学学报,1988,10(2):1-11)摘要本文分析了目前世界上公认最好的两种风景审美评判测量法(SBE法和LCJ法),综合了两者的优点,同时消除其缺点,提出了BIB-LCJ一种新的评判方法。应用BIB-LCJ法研究了公众、专家、非专业学生和专业学生在风景审美方面的特点及相互关系。刺激是一组湖泊风景(N=49)。应用计算机"ANALYST"软件包进行分析表明:不同类型的人之间,在自然风景的审美评判方面有普遍的一致性;同时,在某些方面又各有特点。关键词BIB-LCJ法,风景评价,风景美学,湖泊风景引言风景质量评价是风景资源系统研究的中心问题之一,亦是风景资源管理[1]的重要环节。世界上许多国家对此十分重视,而我国在这方面的研究则刚刚起步。风景质量评价主要分为三个部分:风景审美评判测量;风景要素分析和建立风景质量评价模型。本文主要对风景审美评判测量方法进行探讨,并对不同类型的人在风景审美方面所反映出的特点及相互关系作了分析。关于风景审美评判测量,目前采用的方法有多种[2],其中有两种方法一般认为是最好的[3],其一是评分法-SBE法(ScenicBeautyEstimation)[4],其二是比较评判法-LCJ法(LawofComparativeJudgemment)[5,6]。这两种方法都是从瑟斯顿和托格森的有关态度测量法[7,8]演化来的。在本质上两者差别甚微,但在具体的测量程序上却有所不同,它们各有优缺点。SBE法多以幻灯片作为评判测量的媒介,通过逐个评分(五分制或十分制)制定一个反映各风景优美程度的美景度量表;其最大优点是能对大量风景进行评价,但它有一个致命的缺点,就是各风景之间缺乏相互比较的机会,并且往往使量表两的密度加大,这将影响有关相关分析的可靠性[2]。LCJ法又有两种比较评判途径:对偶比较法和等级排列法[2],这两种方法都有很高的可靠性,但对偶比较法因为工作量太大而限制了风景样本数目,而等级排列法则因为人的辨别能力的局限性,限制了风景样本的数目,所以,LCJ法只适用于小样本(小于20)风景的评价。本文提出了BIB-LCJ审美评判方法,并运用该方法探讨了不同类型的人风景审美的特点和审美方面的相互关系。第2页共9页第1页共9页编号:时间:2021年x月x日书山有路勤为径,学海无涯苦作舟页码:第2页共9页材料及方法(一)照片:大量研究表明,用照片作为风景质量评价的媒介同现场评价无显著差异[4,9,10,11]。该研究从大量照片中精选出49张彩色5寸照片作为媒介。照片取样于镜泊湖,千岛湖等中国东部主要山地湖泊。(二)被试者:根据职业等特点,被试者分为4种类型:(1)公众,280人;(2)专家,60人;(3)非专业学生,168人;(4)专业学生,168人。(三)BIB-LCJ审美评判测量法:为了使风景审美评判测量既适合于大样本风景,又具有较高的可靠性,同时避免工作量过大。该方法是将BIB(平衡不完全区组)实验设计[12]同LCJ法相结合,提出了BIB-LCJ法,即平衡不完全区组比较评判法。在风景审美评判测量中应用BIB设计时,有必要作如下几点说明:(1)测量的目的是为了得到反映各风景美学质量的相对值(美景度);(2)把所有待评判的风景,都看作是同一因素的不同水平(处理)。这样,BIB-LCJ法在以照片作媒介进行风景审美评判测量时,有以下的程序:1、对所有风景(照片)进行随机编号;2、根据照片数及其它条件选择BIB设计表;3、根据BIB设计表将照片分为若干组;4、被试者分别对每组照片进行等级排列;5、根据BIB设计表进行若干次重复实验。表1BIB设计表表1(见附印文)说明:表中罗马字母I.....VIII是重复实验次序(重组次序);数字1-49为照片编号:每重复号下的每一行为一一比较组内的所有照片号(本表引自中科院数学研究所编《常用数理统计表》,P71.)鉴于人的辨别能力,本实验取每组照片的数目为心理学上的最佳数7[13],这样,49张照片分为7组,实验将重复8次(表1)。实验时,每组照片分别固定在硬纸板上,给每个被试者发以表格,要求他们按照自己的喜欢程度,分别把每组内的7张照片排出次序。数据的处理...

1、当您付费下载文档后,您只拥有了使用权限,并不意味着购买了版权,文档只能用于自身使用,不得用于其他商业用途(如 [转卖]进行直接盈利或[编辑后售卖]进行间接盈利)。
2、本站所有内容均由合作方或网友上传,本站不对文档的完整性、权威性及其观点立场正确性做任何保证或承诺!文档内容仅供研究参考,付费前请自行鉴别。
3、如文档内容存在违规,或者侵犯商业秘密、侵犯著作权等,请点击“违规举报”。

碎片内容

自然风景质量评价

精华资料店+ 关注
实名认证
内容提供者

大量教育教学资料

确认删除?
VIP
微信客服
  • 扫码咨询
会员Q群
  • 会员专属群点击这里加入QQ群
客服邮箱
回到顶部