电脑桌面
添加小米粒文库到电脑桌面
安装后可以在桌面快捷访问

工程建设强制性标准执行情况检查表doc-工程实体质量检查VIP免费

工程建设强制性标准执行情况检查表doc-工程实体质量检查_第1页
1/5
工程建设强制性标准执行情况检查表doc-工程实体质量检查_第2页
2/5
工程建设强制性标准执行情况检查表doc-工程实体质量检查_第3页
3/5
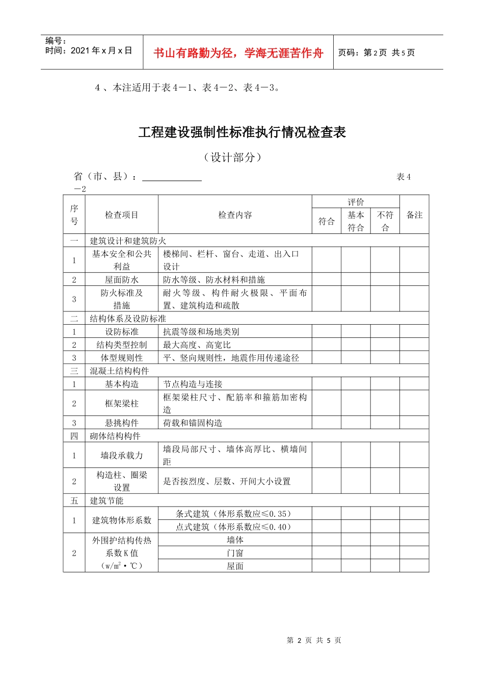
第1页共5页编号:时间:2021年x月x日书山有路勤为径,学海无涯苦作舟页码:第1页共5页工程建设强制性标准执行情况检查表(勘察部分)省(市、县):表4-1序号检查项目检查内容评价备注符合基本符合不符合1原始记录是否规范、真实钻探及取样原位测试室内试验2编制技术文件执行强制性标准情况地质、水文评价场地、地基勘察评价、地震效应勘察评价对不良地质作用与特殊土的评价3勘察成果与实际情况的符合程度地质条件地下水承载力和变形参数4违反工程建设强制性标准情况的说明检查意见好中差检查组成员签字:检查日期:注:1、检查项目均满足工程建设强制性标准的,评价为“符合”;2、检查项目中有个别内容不满足工程建设强制性标准,但不影响结构安全和使用功能的,评价为“基本符合”;3、检查项目中多个不满足工程建设强制性标准,或有结构安全隐患或影响重要使用功能的,评价为“不符合”;第2页共5页第1页共5页编号:时间:2021年x月x日书山有路勤为径,学海无涯苦作舟页码:第2页共5页4、本注适用于表4-1、表4-2、表4-3。工程建设强制性标准执行情况检查表(设计部分)省(市、县):表4-2序号检查项目检查内容评价备注符合基本符合不符合一建筑设计和建筑防火1基本安全和公共利益楼梯间、栏杆、窗台、走道、出入口设计2屋面防水防水等级、防水材料和措施3防火标准及措施耐火等级、构件耐火极限、平面布置、建筑构造和疏散二结构体系及设防标准1设防标准抗震等级和场地类别2结构类型控制最大高度、高宽比3体型规则性平、竖向规则性,地震作用传递途径三混凝土结构构件1基本构造节点构造与连接2框架梁柱框架梁柱尺寸、配筋率和箍筋加密构造3悬挑构件荷载和锚固构造四砌体结构构件1墙段承载力墙段局部尺寸、墙体高厚比、横墙间距2构造柱、圈梁设置是否按烈度、层数、开间大小设置五建筑节能1建筑物体形系数条式建筑(体形系数应≤0.35)点式建筑(体形系数应≤0.40)2外围护结构传热系数K值(w/m2·℃)墙体门窗屋面第3页共5页第2页共5页编号:时间:2021年x月x日书山有路勤为径,学海无涯苦作舟页码:第3页共5页六违反工程建设强制性标准情况的说明检查意见好中差检查组成员签字:检查日期:工程建设强制性标准执行情况检查表(施工部分)省(市、县):表4-3检查项目检查内容评价备注符合基本符合不符合一、工程资料1原材料、成品、半成品、构配件质量证明文件和进场复试报告结构用水泥、钢筋、外加剂、预拌混凝土、防水材料、砂、石、砖、砌块、预应力混凝土的锚具、夹具、门、窗、保温材料等质量合格证明文件和进场验收记录,对重要工程使用水泥、钢材及预制构件结构性能检测报告2见证取样和送检记录承重结构用水泥、外加剂、混凝土试块、砂浆试块、钢筋及连接接头试件、承重墙的砖、砌块和防水材料等见证取样和送检记录资料及相关试验(检验)报告单3施工图设计文件变更、洽商施工图设计文件变更、洽商应符合程序,记录完整第4页共5页第3页共5页编号:时间:2021年x月x日书山有路勤为径,学海无涯苦作舟页码:第4页共5页4施工试验报告(记录)混凝土试块、砌筑砂浆试块抗压强度试验报告及统计评定、钢筋焊接、机械连接、钢结构焊缝质量检测报告、基桩检测报告、回填土检验报告等5施工记录工程定位、基槽验线、桩基础隐蔽记录、楼层标高、轴线、垂直度、沉降观测等测量复核记录;混凝土施工记录;预应力张拉、灌浆记录;桩基施工记录应内容完整、有效真实6质量验收记录检验批、分项、分部验收及隐蔽工程验收记录应内容齐全、结论明确、签认手续完整,参与验收人员应具有相应资格7质量问题的处理检查工程发生违反强制性条文的质量问题的调查、处理记录二、地基基础1复合地基地基强度或承载力检验、单桩强度检验方法和数量应符合要求2桩基础工程桩承载力检验方法和数量应符合要求3基坑开挖开挖顺序、方法、保护措施、排水措施,基坑周边堆载情况,基坑(槽)支撑监测情况三、混凝土结构1模板与支架的设计模板的设计方案及实施情况,现场查看其承载能力、刚度和稳定性情况2受力钢筋品种、级别、规格和数量对照施工图检查及钢筋代换情况3预应力钢筋预应力筋张拉锚固,锚...

1、当您付费下载文档后,您只拥有了使用权限,并不意味着购买了版权,文档只能用于自身使用,不得用于其他商业用途(如 [转卖]进行直接盈利或[编辑后售卖]进行间接盈利)。
2、本站所有内容均由合作方或网友上传,本站不对文档的完整性、权威性及其观点立场正确性做任何保证或承诺!文档内容仅供研究参考,付费前请自行鉴别。
3、如文档内容存在违规,或者侵犯商业秘密、侵犯著作权等,请点击“违规举报”。

碎片内容

工程建设强制性标准执行情况检查表doc-工程实体质量检查

确认删除?
VIP
微信客服
  • 扫码咨询
会员Q群
  • 会员专属群点击这里加入QQ群
客服邮箱
回到顶部