业务流程层面内部控制设计和执行情况评价表被审计单位: 索引号: 2221 项目: 截止日/期间: 编制: 复核: 日期: 日期: 一、...
药品经营企业质量管理制度执行情况考核表检查内容考核标准检查频次检查结果及处理跟踪检查结果及处理药品销售管理制度为顾客正确介绍药品的...
某国企党委 2025 年党内法规执行情况总结2025 年,某国企党委以习近平新时代中国特色社会主义思想为指引,深入贯彻党的二十大及二十届二...
公司 2025 年度党内法规执行情况报告根据《中国共产党党内法规执行责任制规定(试行)》及上级党委关于加强党内法规执行工作的部署要求,...
镇关于《中华人民共和国乡村振兴促进法》贯彻执行情况的报告主任、各位副主任、各位代表:受镇人民政府委托,现将 XX 镇贯彻执行《中华人...
动物防疫条件及防疫制度执行情况报告 泗水县泉林镇环城养殖场,法人:张勇,此养殖场位于可养(限养)区内,该场所在取得《动物防疫条件合格...
制度建设和制度执行情况自查报告各位读友大家好,此文档由网络收集而来,欢迎您下载,谢谢 《制度建设和制度执行情况自查报告》是一篇好的...
制度建设及执行情况-—-法律规范管理 提升效率企业管理体系是企业日常运营的管理基础,而构成管理体系的是一系列的制度和流程文档为了使公...
分部工程强制性条文执行情况检查表工程名称:湖北华电江陵发电厂一期工程电土施表 1-5施工单位名称中国能源建设集团安徽电力建设第二工程...
龙绕中心小学几项重大制度执行情况督查汇报报告本学期,我校仔细贯彻落实教育局有关几项重大制度文件精神,切实加强几项重大制度执行的制度...
内部管理制度和控制制度的建立和执行情况1、内部控制管理根据上级部门的要求,我部门不断加强自身的制度建设,进行不断的梳理和完善,对内控...
内部管理制度和控制制度的建立和执行情况1、内部控制管理根据上级部门的要求,我单位不断加强自身的制度建设,进行不断的梳理和完善,对内...
公路改建工程项目执行情况的报告一、工程概况 耀州区柳林至印台区崾岘二级公路是铜川市“φ"字型路网规划中的重要组成部分,原有三级公路标...
*********公司质量管理制度执行情况检查考 核表2025 年度 检查人: 检查日期: 年月 日 制度名称 考核内容 得分 存在问题 ...
公司法定代表人安全生产责任制执行情况考核表姓名:年份得分:考核内容及要求标准分考核办法考核情况考核结果1贯彻安全生产法律法规,建立安...
会所装修施工项目进度计划执行情况图形对比法1.图形对比法的选择图形对比法是在表示计划进度的图形上,标注出实际进度,根据两个进度之间...
西藏自治区第一建筑工程公司“三重一大”决策制度执行情况根据上级的要求,公司对贯彻执行“三重一大”决策制度的执行情况进行了自查.公司领...
8 质量管理制度执行情况考核记录(用心整理的精品 word 文档,可以编辑,欢迎下载)作者:------------------------------------------...
安全管理制度(操作规程)执行情况和适用情况检查、评估报告安全管理制度名称安全目标管理制度主要内容要求明确相应的制定部门、目标实行分解...
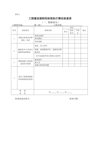
2025 年工程建设标准强制性条文执行情况检查记录表工程名称 受检单位 检查人员检查时间 强条编号标准名称/编号强制性条文规定检查方法...

