电脑桌面
添加小米粒文库到电脑桌面
安装后可以在桌面快捷访问

城市桥梁工程施工与质量验收规范表格VIP免费

城市桥梁工程施工与质量验收规范表格_第1页
1/99
城市桥梁工程施工与质量验收规范表格_第2页
2/99
城市桥梁工程施工与质量验收规范表格_第3页
3/99
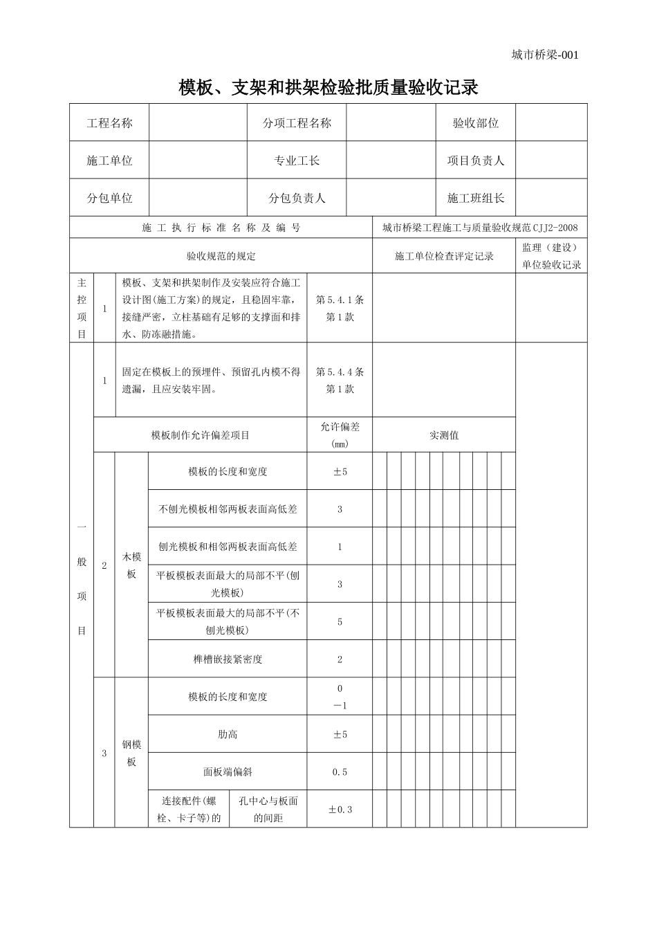
城市桥梁-001模板、支架和拱架检验批质量验收记录工程名称分项工程名称验收部位施工单位专业工长项目负责人分包单位分包负责人施工班组长施工执行标准名称及编号城市桥梁工程施工与质量验收规范CJJ2-2008验收规范的规定施工单位检查评定记录监理(建设)单位验收记录主控项目1模板、支架和拱架制作及安装应符合施工设计图(施工方案)的规定,且稳固牢靠,接缝严密,立柱基础有足够的支撑面和排水、防冻融措施。第5.4.1条第1款一般项目1固定在模板上的预埋件、预留孔内模不得遗漏,且应安装牢固。第5.4.4条第1款模板制作允许偏差项目允许偏差(mm)实测值2木模板模板的长度和宽度±5不刨光模板相邻两板表面高低差3刨光模板和相邻两板表面高低差1平板模板表面最大的局部不平(刨光模板)3平板模板表面最大的局部不平(不刨光模板)5榫槽嵌接紧密度23钢模板模板的长度和宽度0-1肋高±5面板端偏斜0.5连接配件(螺栓、卡子等)的孔中心与板面的间距±0.3城市桥梁-001续孔眼位置板端孔中心与板端的间距0-0.5沿板长宽方向的孔±0.6板面局部不平1.0板面和板侧挠度±1.0模板、支架和拱架安装允许偏差项目允许偏差(mm)实测值4相邻两板表面高低差清水模板2混水模板4钢模板25表面平整度清水模板3混水模板5钢模板36垂直度墙、柱H/1000,且不大于6墩、台H/500,且不大于20塔柱H/3000,且不大于307模内尺寸基础±10墩、台+5-8梁、板、墙、柱、桩、拱+3-68轴线偏位基础15墩、台、墙10梁、柱、拱、塔柱8悬浇各梁段8城市桥梁-001续横隔梁59支承面高程+2-510悬浇各梁段底面高程+10011预埋件支座板、锚垫板、连接板等位置5平面高差2螺栓、锚筋等位置3外露长度±512预留孔洞预应力筋孔道位置(梁端)5其他位置8孔径+10013梁底模拱度+5-214对角线差板7墙板5桩315侧向弯曲板、拱肋、桁架L/1500柱、桩L/1000,且不大于10梁L/2000,且不大于1016支架、拱架纵轴线的平面偏位L/2000,且不大于3017拱架高程+20-10共实测点,其中合格点,不合格点,合格率%施工单位检查评定结果项目专业质量检查员:项目专业质量(技术)负责人:年月日监理(建设)单位验收结论监理工程师(建设单位项目技术负责人):年月日城市桥梁-002城市桥梁钢筋检验批质量验收记录工程名称分项工程名称验收部位施工单位专业工长项目负责人分包单位分包负责人施工班组长施工执行标准名称及编号城市桥梁工程施工与质量验收规范CJJ2-2008验收规范的规定施工单位检查评定记录监理(建设)单位验收记录主控项目1钢筋、焊条的品种、牌号、规格和技术性能必须符合国家现行标准规定和设计要求第6.5.1条第1款2钢筋进场时,必须按批抽取试件做力学性能和工艺性能试验,其质量必须符合国家现行标准的规定第6.5.1条第2款3当钢筋出现脆断、焊接性能不良或力学性能显著不正常等现象时,应对该批钢筋进行化学成分检验或其他专项检验第6.5.1条第3款4钢筋弯制和末端弯钩均应符合设计要求和本规范第6.2.3、6.2.4条的规定第6.5.2条5钢筋的连接形式必须符合设计要求第6.5.3条第1款6钢筋接头位置、同一般截面的接头数量、搭接长度应符合设计要求和本规范第6.3.2条和第6.3.5条的规定第6.5.3条第2款7钢筋焊接接头质量应符合国家现行标准《钢筋焊接及验收规范》JGJ18的规定和设计要求第6.5.3条第3款8HRB335和HRB400带肋钢筋机械连接接头质量应符合国家现行标准《钢筋机械连接通用技术规程》JGJ107、《带肋钢筋套筒挤压连接技术规程》JGJ108的规定和设计要求第6.5.3条第4款城市桥梁-002续9钢筋安装时,其品种、规格、数量、形状,必须符合设计要求第6.5.4条一般项目1预埋件的规格、数量、位置等必须符合设计要求第6.5.5条2钢筋表面不得有裂纹、结疤、折叠、锈蚀和油污,钢筋焊接接头表面不得有夹渣、焊瘤第6.5.6条项目允许偏差实测值钢筋加工受力钢筋顺长度方向全长的净尺寸±10弯起钢筋的弯折±20箍筋内净尺寸±5钢筋网网的长、宽±10网眼尺寸±10网眼对角线差15钢筋成形和安装受力钢筋两排以上排距±5同排梁板、拱助±10基础、墩台、柱±20灌柱桩±20箍筋、横向水平筋、螺旋筋间距±10钢筋骨架尺寸长±10宽、高或直径±5弯起钢筋位置±20钢筋保护层厚度墩台、基础±10...

1、当您付费下载文档后,您只拥有了使用权限,并不意味着购买了版权,文档只能用于自身使用,不得用于其他商业用途(如 [转卖]进行直接盈利或[编辑后售卖]进行间接盈利)。
2、本站所有内容均由合作方或网友上传,本站不对文档的完整性、权威性及其观点立场正确性做任何保证或承诺!文档内容仅供研究参考,付费前请自行鉴别。
3、如文档内容存在违规,或者侵犯商业秘密、侵犯著作权等,请点击“违规举报”。

碎片内容

城市桥梁工程施工与质量验收规范表格

精华资料店+ 关注
实名认证
内容提供者

大量教育教学资料

确认删除?
VIP
微信客服
  • 扫码咨询
会员Q群
  • 会员专属群点击这里加入QQ群
客服邮箱
回到顶部