电脑桌面
添加小米粒文库到电脑桌面
安装后可以在桌面快捷访问

质量检查方案(新益州二期安置房)VIP免费

质量检查方案(新益州二期安置房)_第1页
1/37
质量检查方案(新益州二期安置房)_第2页
2/37
质量检查方案(新益州二期安置房)_第3页
3/37
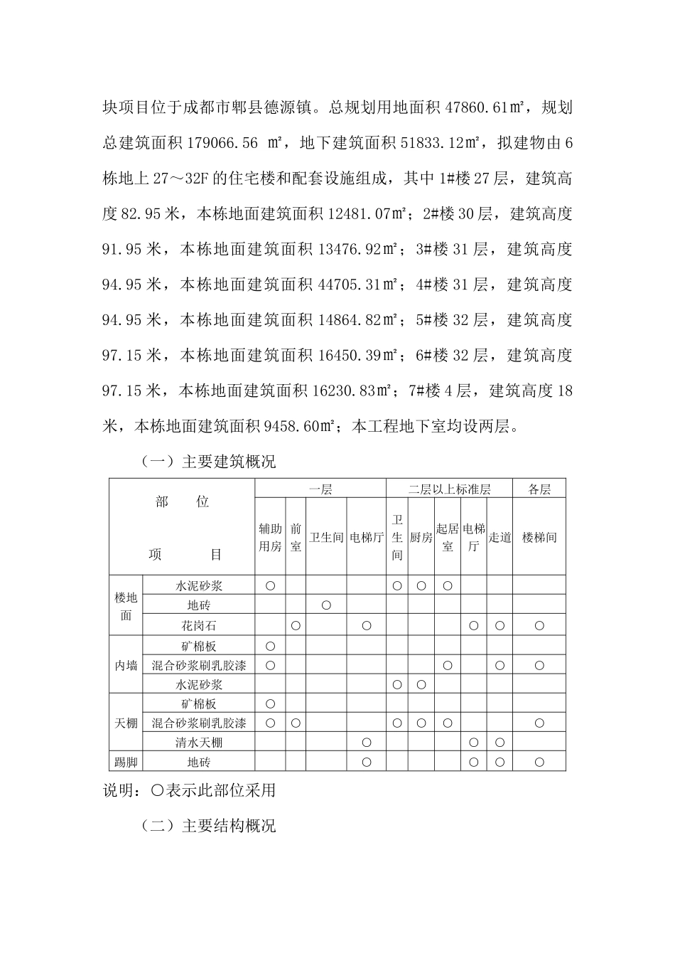
成都市新益州新城(富士康生活配套区)拆迁安置房(六)号地块建设工程质量检查方案编制人:审核人:批准人:中国五冶一分公司新益州新城(富士康生活配套区)拆迁安置房工程项目部编制时间:二〇一一年十一月目录一、工程概况..................................................................................3二、编制依据..................................................................................5三、编制说明..................................................................................5四、工程质量目标及创优目标.........................................................6五、项目质量保证体系....................................................................61、质量保证机构.........................................................................62、部门及各级人员职责............................................................10六、本工程特殊过程及控制方法....................................................11七、关键工序、质量停止点控制方法及措施..................................12八、工程主要质量保证措施...........................................................18九、工程分部、分项、检验批划分................................................23十、检测、试验设备及工具...........................................................31十一、主要施工规范、标准及标准图集.........................................31十二、施工过程的质量记录...........................................................32十三、本工程质量通病控制措施....................................................33一、工程概况新益州新城(富士康生活配套区)二期拆迁安置房(六)号地块项目位于成都市郫县德源镇。总规划用地面积47860.61㎡,规划总建筑面积179066.56㎡,地下建筑面积51833.12㎡,拟建物由6栋地上27~32F的住宅楼和配套设施组成,其中1#楼27层,建筑高度82.95米,本栋地面建筑面积12481.07㎡;2#楼30层,建筑高度91.95米,本栋地面建筑面积13476.92㎡;3#楼31层,建筑高度94.95米,本栋地面建筑面积44705.31㎡;4#楼31层,建筑高度94.95米,本栋地面建筑面积14864.82㎡;5#楼32层,建筑高度97.15米,本栋地面建筑面积16450.39㎡;6#楼32层,建筑高度97.15米,本栋地面建筑面积16230.83㎡;7#楼4层,建筑高度18米,本栋地面建筑面积9458.60㎡;本工程地下室均设两层。(一)主要建筑概况部位项目一层二层以上标准层各层辅助用房前室卫生间电梯厅卫生间厨房起居室电梯厅走道楼梯间楼地面水泥砂浆○○○○地砖○花岗石○○○○○内墙矿棉板○混合砂浆刷乳胶漆○○○○水泥砂浆○○天棚矿棉板○混合砂浆刷乳胶漆○○○○○○清水天棚○○○踢脚地砖○○○○说明:○表示此部位采用(二)主要结构概况1~6#楼为筏板基础,筏板厚为1.5m,基础埋深为自然地坪以下9.0m,持力层为稍密卵石层或中密卵石层,fak≥300KPa。主体为现浇框剪结构,抗震设防为7度,框架及剪力墙抗震等级为二级,结构安全等级为二级。钢筋采用HPB235,HRB335,HRB400,CRB550。墙柱填充墙采用页岩空心砖和页岩多孔砖。混凝土强度等级:C30-S8筏板基础C40-2层~9层墙、柱C3510~19层墙、柱C3019层以上墙、柱C35-1层~1层梁C302层以上梁C35-1层~1层现浇板C302层以上现浇板C35-1层~1现浇楼梯C302层以上现浇楼梯C15基础垫层C20圈梁、构造柱、现浇过梁7#楼为独立基础,主楼持力层为密实卵石层,承载力特征值fak≥300KPa,地下车库持力层为稍密卵石层或中密卵石层,承载力特征值为fak≥300KPa。主楼主体为剪力墙结构,剪力墙抗震等级为二级,抗震重要性类别为丙类,地基基础设计等级为甲级,结构使用年限为50年,结构安全等级为二级。钢筋采用HPB235,HRB335,HRB400,CRB550。填充墙采用页岩空心砖和页岩多孔砖。混凝土强度等级:C15基础垫层C30-S8独立基础及地下室抗水底板C35-S8地下室侧墙C40地下室框架柱C35地下室顶面梁板C302~4层...

1、当您付费下载文档后,您只拥有了使用权限,并不意味着购买了版权,文档只能用于自身使用,不得用于其他商业用途(如 [转卖]进行直接盈利或[编辑后售卖]进行间接盈利)。
2、本站所有内容均由合作方或网友上传,本站不对文档的完整性、权威性及其观点立场正确性做任何保证或承诺!文档内容仅供研究参考,付费前请自行鉴别。
3、如文档内容存在违规,或者侵犯商业秘密、侵犯著作权等,请点击“违规举报”。

碎片内容

质量检查方案(新益州二期安置房)

您可能关注的文档

精华资料店+ 关注
实名认证
内容提供者

大量教育教学资料

确认删除?
VIP
微信客服
  • 扫码咨询
会员Q群
  • 会员专属群点击这里加入QQ群
客服邮箱
回到顶部