电脑桌面
添加小米粒文库到电脑桌面
安装后可以在桌面快捷访问

加强钢筋保护层控制QC成果VIP免费

加强钢筋保护层控制QC成果_第1页
1/12
加强钢筋保护层控制QC成果_第2页
2/12
加强钢筋保护层控制QC成果_第3页
3/12
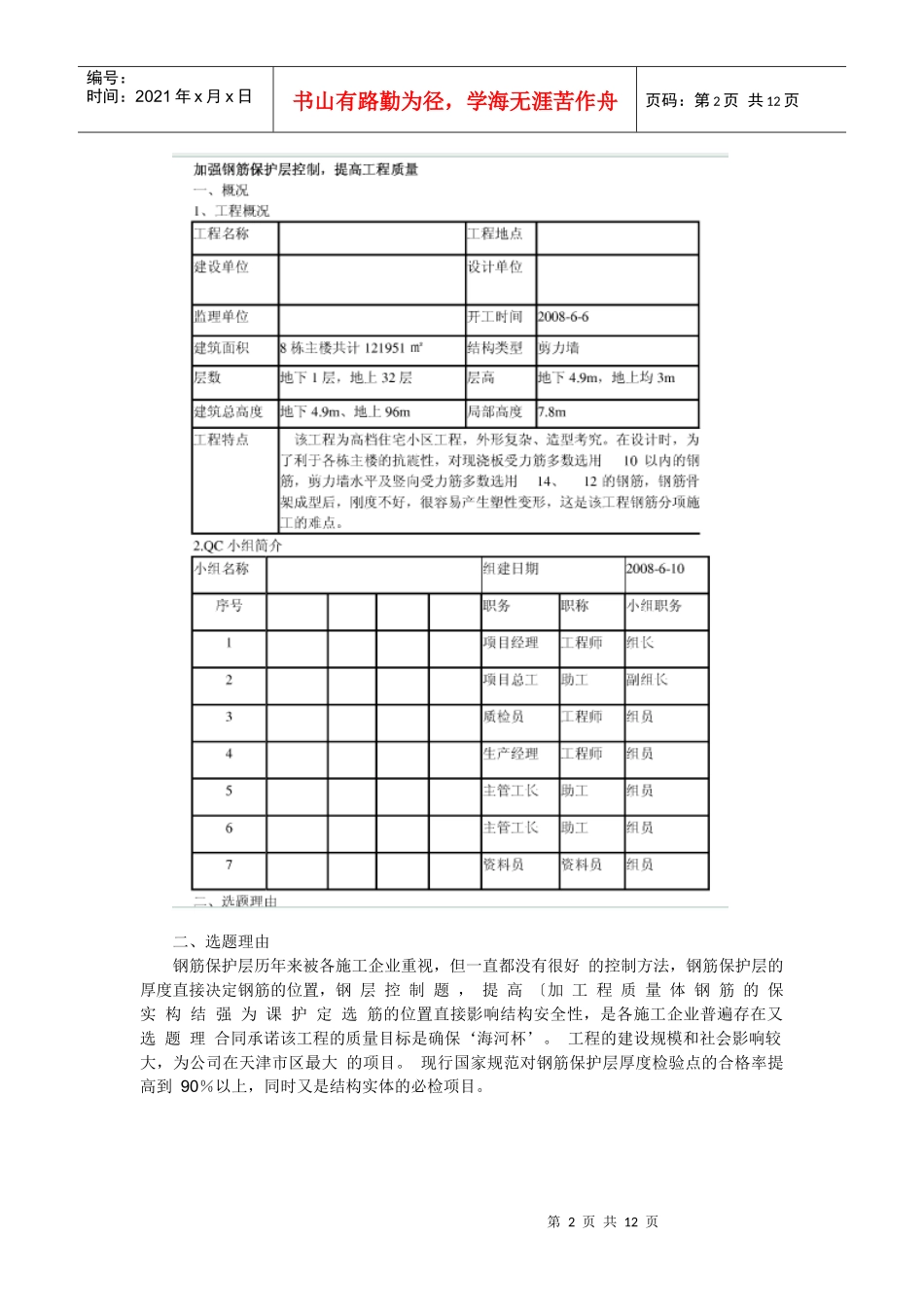
第1页共12页编号:时间:2021年x月x日书山有路勤为径,学海无涯苦作舟页码:第1页共12页加强钢筋保护层控制QC成果加强钢筋保护层控制,提高工程质量一、概况1、工程概况工程名称建设单位工程地点设计单位监理单位建筑面积层数建筑总高度工程特点8栋主楼共计121951?地下1层,地上32层地下4.9m、地上96m开工时间结构类型层高局部高度2008-6-6剪力墙地下4.9m,地上均3m7.8m该工程为高档住宅小区工程,外形复杂、造型考究。在设计时,为了利于各栋主楼的抗震性,对现浇板受力筋多数选用10以内的钢筋,剪力墙水平及竖向受力筋多数选用14、12的钢筋,钢筋骨架成型后,刚度不好,很容易产生塑性变形,这是该工程钢筋分项施工的难点。组建日期职务项目经理项目总工质检员生产经理主管工长主管工长资料员职称工程师助工工程师工程师助工助工资料员2008-6-10小组职务组长副组长组员组员组员组员组员2.QC小组简介小组名称序号1234567第2页共12页第1页共12页编号:时间:2021年x月x日书山有路勤为径,学海无涯苦作舟页码:第2页共12页二、选题理由钢筋保护层历年来被各施工企业重视,但一直都没有很好的控制方法,钢筋保护层的厚度直接决定钢筋的位置,钢层控制题,提高〔加工程质量体钢筋的保实构结强为课护定选筋的位置直接影响结构安全性,是各施工企业普遍存在又选题理合同承诺该工程的质量目标是确保‘海河杯’。工程的建设规模和社会影响较大,为公司在天津市区最大的项目。现行国家规范对钢筋保护层厚度检验点的合格率提高到90%以上,同时又是结构实体的必检项目。第3页共12页第2页共12页编号:时间:2021年x月x日书山有路勤为径,学海无涯苦作舟页码:第3页共12页三、PDCA循环一、P阶段(一)现状调查现状调查1:课题选定后,小组成员认真熟悉图纸,针对钢筋保护层课题召开专题会议研究讨论,集中了全体人员的经验和智慧,并由技术负责人编制了钢筋保护层专项施工方案,主要以推广墙体成品塑料钢筋保护层垫块及顶板预制混凝土垫块等材料为主,同时以对特殊部位诸如剪力墙进行处理,初步选定钢筋保护层施工方案如下:a、基础底板下部受力筋的保护层采用预制砂浆垫块(直径×高=第4页共12页第3页共12页编号:时间:2021年x月x日书山有路勤为径,学海无涯苦作舟页码:第4页共12页30×50mm),上部受力筋采用焊接通长马凳加以支撑。b、暗梁主筋保护层:底部受力筋采用预制砂浆垫块(直径×高=30×25mm),梁侧保护层采用半径20mm的圆形塑料卡环。c、暗柱主筋保护层采用半径为20mm的圆形塑料卡环。d、剪力墙受力筋保护层采用半径为15mm的圆形塑料卡环,并按照梅花形布置钢筋顶模棍与墙体水平筋焊牢,每隔1.5m设置一道梯子筋,以有效控制钢筋位置。e、现浇板底部受力筋保护层采预制砂浆垫块(直径×高=20×15mm),现浇板上部负筋用钢筋马凳。现状调查2:本小组在各栋主楼施工过程中,严格按照施工方案施工。建设单位、监理单位及当地质量监督站在各栋主楼主体结构施工完毕后,对现浇结构的质量进行了验收,在各检验批达到国家验收标准后,我们又邀请了为天津市中瑞建筑工程检测有限公司扫描检测,检测结果如下表所示:检查结果序号项目现浇板负弯矩钢筋保护层现浇板底部钢筋保护层剪力墙受力钢筋保护层暗梁受力钢筋保护层暗柱受力钢筋保护层实测点合格点数(个)合格率(%)1604066.672345合计606060603004656565725576.6793.393.39585制表人:时间:2009年6月20日根据检测结果,绘制出调查表如下:序号项目现浇板负弯矩钢筋保护层现浇板底部钢筋保护层剪力墙受力钢筋保护层暗梁受力钢筋保护层暗柱受力钢筋保护层实测点合格点数(个)合格率(%)12043.4843.482345合计145434630.4310.878.76.5273.9184.7893.48100制表人:根据检测结果,第5页共12页第4页共12页编号:时间:2021年x月x日书山有路勤为径,学海无涯苦作舟页码:第5页共12页第6页共12页第5页共12页编号:时间:2021年x月x日书山有路勤为径,学海无涯苦作舟页码:第6页共12页绘制出排列图如下:时间:2009年6月20日464035302520151050122043.48%14584.78%93.48%73.91%42534制表人:时间:2009年6月20日从图表中可以看出,现...

1、当您付费下载文档后,您只拥有了使用权限,并不意味着购买了版权,文档只能用于自身使用,不得用于其他商业用途(如 [转卖]进行直接盈利或[编辑后售卖]进行间接盈利)。
2、本站所有内容均由合作方或网友上传,本站不对文档的完整性、权威性及其观点立场正确性做任何保证或承诺!文档内容仅供研究参考,付费前请自行鉴别。
3、如文档内容存在违规,或者侵犯商业秘密、侵犯著作权等,请点击“违规举报”。

碎片内容

加强钢筋保护层控制QC成果

确认删除?
VIP
微信客服
  • 扫码咨询
会员Q群
  • 会员专属群点击这里加入QQ群
客服邮箱
回到顶部