电脑桌面
添加小米粒文库到电脑桌面
安装后可以在桌面快捷访问

(BT-XM-GC-304-13)项目部工程质量控制资料核查记录表VIP免费

(BT-XM-GC-304-13)项目部工程质量控制资料核查记录表_第1页
1/3
(BT-XM-GC-304-13)项目部工程质量控制资料核查记录表_第2页
2/3
(BT-XM-GC-304-13)项目部工程质量控制资料核查记录表_第3页
3/3
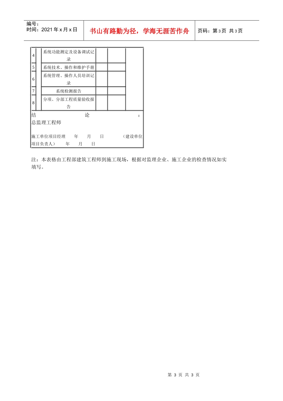
第1页共3页编号:时间:2021年x月x日书山有路勤为径,学海无涯苦作舟页码:第1页共3页项目部工程质量控制资料核查记录表编号:BT-XM-GC-304-13工程名称施工单位序号项目资料名称份数核查意见核查人1建筑与结构图纸会审,设计变更,洽商记录2工程定位测量,放线记录3原材料出厂合格证书及进场检(试)验报告4施工试验报告及见证检测报告5隐蔽工程验收记录6施工记录7预制构件、预拌混凝土合格证8地基基础、主体结构检验及抽样检测资料9分项、分部工程质量验收记录10工程质量事故及事故调查处理资料11新材料、新工艺施工记录1给排水与采暖图纸会审,设计变更,洽商记录2材料、配件出厂合格证书及进场检(试)验报告3管道、设备强度试验、严密性试验记录4隐蔽工程验收记录5系统清洗、灌水、通水、通球试验记录6施工记录7分项、分部工程质量验收记录第2页共3页第1页共3页编号:时间:2021年x月x日书山有路勤为径,学海无涯苦作舟页码:第2页共3页1建筑电气图纸会审,设计变更,洽商记录2材料、配件出厂合格证书及进场检(试)验报告3设备调试记录4接地、绝缘电阻测试记录5隐蔽工程验收记录6施工记录7分项、分部工程质量验收记录1通风与空调图纸会审,设计变更,洽商记录2材料、配件出厂合格证书及进场检(试)验报告3制冷、空调、水管道强度试验、严密性试验记录4隐蔽工程验收记录5制冷设备运行调试记录6通风、空调系统调试记录7施工记录8分项、分部工程质量验收记录1电梯土建布置图纸会审,设计变更,洽商记录2设备出厂合格证书及开箱检验记录3隐蔽工程验收记录4施工记录5接地、绝缘电阻测试记录6负荷试验、安全装置检查记录7分项、分部工程质量验收记录1建筑智能化图纸会审,设计变更,洽商记录、竣工图及设计说明2材料、设备出厂合格证书及进场检(试)验报告3隐蔽工程验收记录第3页共3页第2页共3页编号:时间:2021年x月x日书山有路勤为径,学海无涯苦作舟页码:第3页共3页4系统功能测定及设备调试记录5系统技术、操作和维护手册6系统管理、操作人员培训记录7系统检测报告8分项、分部工程质量验收报告结论:总监理工程师施工单位项目经理年月日(建设单位项目负责人)年月日注:本表格由工程部建筑工程师到施工现场,根据对监理企业、施工企业的检查情况如实填写。

1、当您付费下载文档后,您只拥有了使用权限,并不意味着购买了版权,文档只能用于自身使用,不得用于其他商业用途(如 [转卖]进行直接盈利或[编辑后售卖]进行间接盈利)。
2、本站所有内容均由合作方或网友上传,本站不对文档的完整性、权威性及其观点立场正确性做任何保证或承诺!文档内容仅供研究参考,付费前请自行鉴别。
3、如文档内容存在违规,或者侵犯商业秘密、侵犯著作权等,请点击“违规举报”。

碎片内容

(BT-XM-GC-304-13)项目部工程质量控制资料核查记录表

您可能关注的文档

确认删除?
VIP
微信客服
  • 扫码咨询
会员Q群
  • 会员专属群点击这里加入QQ群
客服邮箱
回到顶部