电脑桌面
添加小米粒文库到电脑桌面
安装后可以在桌面快捷访问

风管系统安装工程检验批质量验收记录表VIP免费

风管系统安装工程检验批质量验收记录表_第1页
1/2
风管系统安装工程检验批质量验收记录表_第2页
2/2
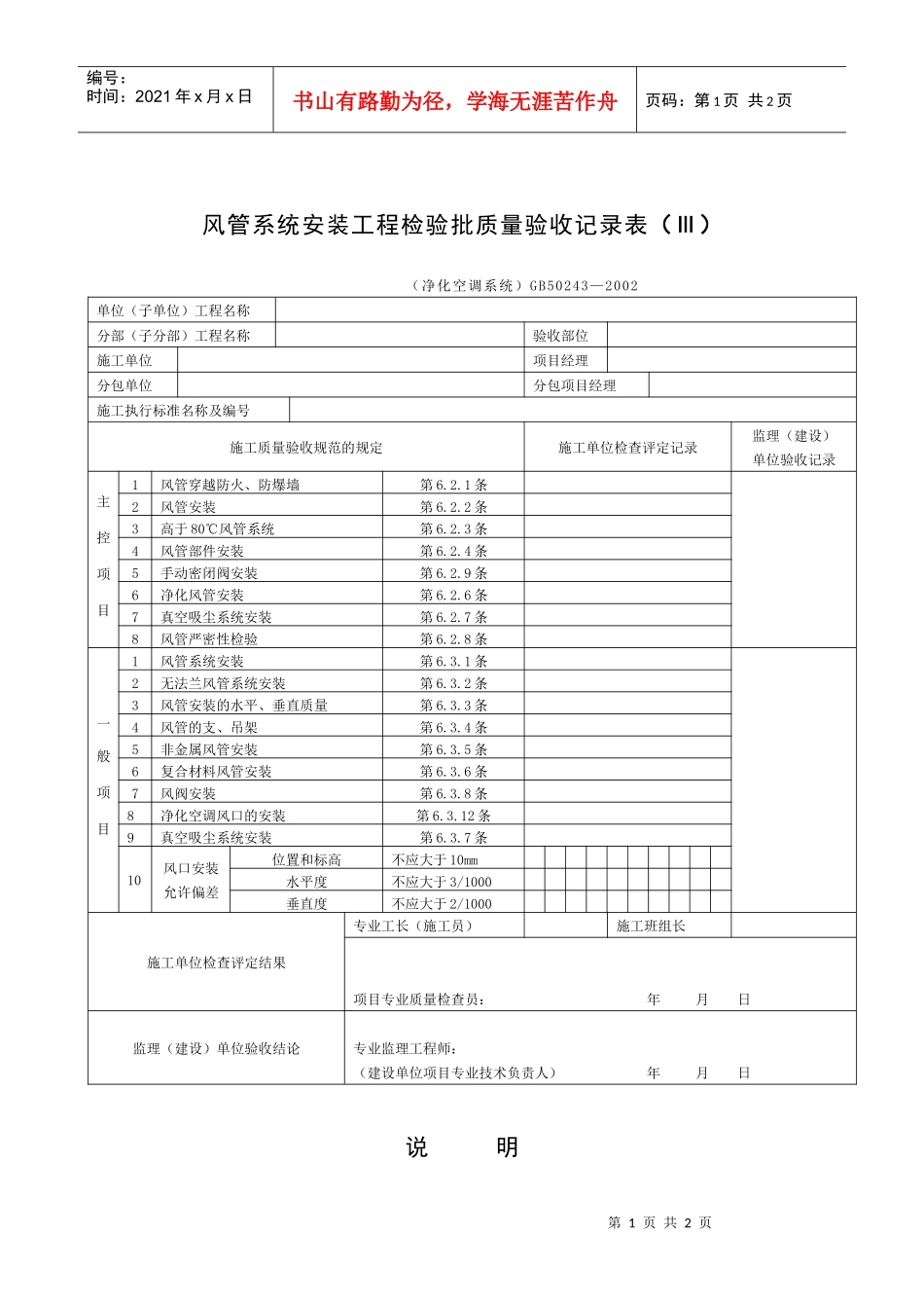
第1页共2页编号:时间:2021年x月x日书山有路勤为径,学海无涯苦作舟页码:第1页共2页风管系统安装工程检验批质量验收记录表(Ⅲ)(净化空调系统)GB50243—2002单位(子单位)工程名称分部(子分部)工程名称验收部位施工单位项目经理分包单位分包项目经理施工执行标准名称及编号施工质量验收规范的规定施工单位检查评定记录监理(建设)单位验收记录主控项目1风管穿越防火、防爆墙第6.2.1条2风管安装第6.2.2条3高于80℃风管系统第6.2.3条4风管部件安装第6.2.4条5手动密闭阀安装第6.2.9条6净化风管安装第6.2.6条7真空吸尘系统安装第6.2.7条8风管严密性检验第6.2.8条一般项目1风管系统安装第6.3.1条2无法兰风管系统安装第6.3.2条3风管安装的水平、垂直质量第6.3.3条4风管的支、吊架第6.3.4条5非金属风管安装第6.3.5条6复合材料风管安装第6.3.6条7风阀安装第6.3.8条8净化空调风口的安装第6.3.12条9真空吸尘系统安装第6.3.7条10风口安装允许偏差位置和标高不应大于10mm水平度不应大于3/1000垂直度不应大于2/1000施工单位检查评定结果专业工长(施工员)施工班组长项目专业质量检查员:年月日监理(建设)单位验收结论专业监理工程师:(建设单位项目专业技术负责人)年月日说明第2页共2页第1页共2页编号:时间:2021年x月x日书山有路勤为径,学海无涯苦作舟页码:第2页共2页(Ⅲ)主控项目1、风管穿越封闭防火、防爆墙或楼板应设预埋管或防护套管,钢板厚≥1.6mm,间隙用不燃且对人体无害的柔性材料封堵,尺量、观察检查、点燃试验。2、输送易燃易爆气体或处于易燃易爆环境风管应有良好接地,通过生活区或辅助车间时必须严密,且不得设置接口。固定拉索严禁拉在避雷针(网)上。观察、尺量或手扳检查。3、输送空气温度高于80℃的风管,应按设计要求采取防护措施。观察检查。4、风管部件及操作机构应能保证正常使用功能,并便于操作。符合第6.2.4条规定。尺量、观察检查,动作试验。5、手动密封阀阀门上标志的箭头方向必须与受冲击波方向一致。观察检查并核对是否一致。6、净化风管及部件必须擦净,符合第6.2.6条规定。观察和用白布擦拭检查。7、真空吸尘系统弯管曲率半径≥4倍管径,内壁光滑。三通夹角≤45°,四通应采用两个斜三通做法。观察和尺量检查。8、风管系统安装完毕后,应进行严密性检验,漏风量应符合设计与本规范第4.2.5条规定。风管系统严密性检验。一般项目1、风管安装前应清理干净。符合第6.3.1条规定。2、无法兰连接风管符合第6.3.2条规定,尺量和观察检查。3、风管连接应平直、不扭曲。符合第6.3.3条规定。尺量和观察检查。4、风管支、吊架安装符合第6.3.4条规定。尺量和观察检查。5、非金属风管连接法兰端面应平行、严密,螺栓两侧加镀锌垫圈。硬聚氯乙烯风管直段长度>20m,按设计要求增伸缩节,干管不得承受支管重量。6、复合材料风管连接处接缝应牢固,无孔洞和开裂,插接连接接口应匹配、无松动,端口缝隙≤5mm.法接连接应有防冷轿。7、风阀位置便于操作和检修,操作装置应灵活、可靠,阀板关闭应严密。防火阀直径(边长)≤630mm时宜独立设支、吊架。排烟阀(口)及手控装置位置符合设计要求;预埋套管不得有死弯及瘪陷。除尘系统吸入管段调节并宜在垂直管径。8、风口安装前应清净,与其他构件接缝处密封不应茅风。带高效过滤器送风口应采用可分别调节高度的吊杆。9、真空吸尘系统吸尘管坡度宜为5/1000,坡向立管或吸尘点。吸尘嘴与管道连接应牢固、严密。10、风口安装允许偏差。

1、当您付费下载文档后,您只拥有了使用权限,并不意味着购买了版权,文档只能用于自身使用,不得用于其他商业用途(如 [转卖]进行直接盈利或[编辑后售卖]进行间接盈利)。
2、本站所有内容均由合作方或网友上传,本站不对文档的完整性、权威性及其观点立场正确性做任何保证或承诺!文档内容仅供研究参考,付费前请自行鉴别。
3、如文档内容存在违规,或者侵犯商业秘密、侵犯著作权等,请点击“违规举报”。

碎片内容

风管系统安装工程检验批质量验收记录表

精华资料店+ 关注
实名认证
内容提供者

大量教育教学资料

确认删除?
VIP
微信客服
  • 扫码咨询
会员Q群
  • 会员专属群点击这里加入QQ群
客服邮箱
回到顶部