电脑桌面
添加小米粒文库到电脑桌面
安装后可以在桌面快捷访问

电动单梁过程质量VIP免费

电动单梁过程质量_第1页
1/10
电动单梁过程质量_第2页
2/10
电动单梁过程质量_第3页
3/10
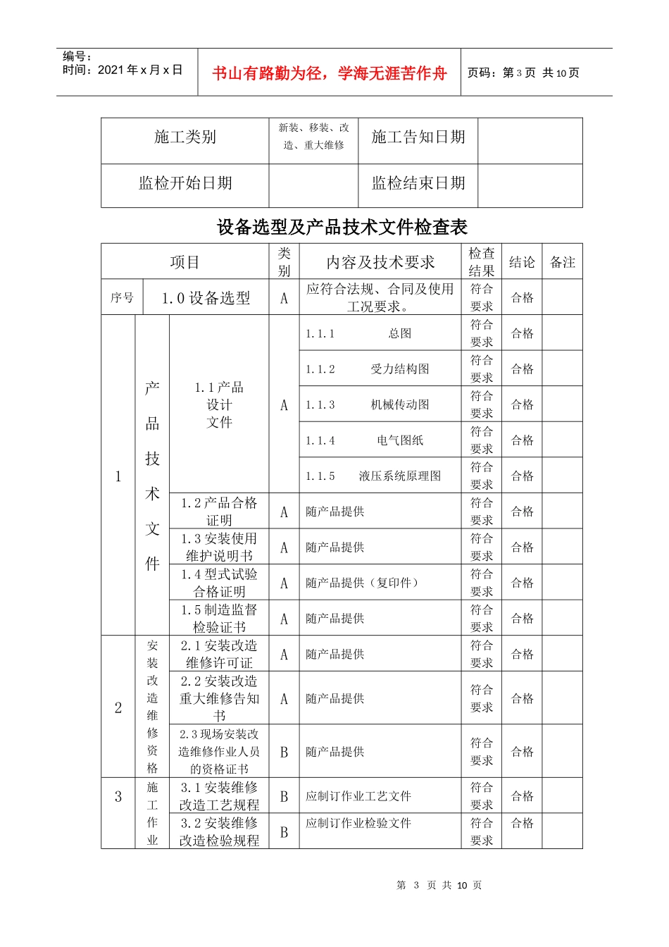
第1页共10页编号:时间:2021年x月x日书山有路勤为径,学海无涯苦作舟页码:第1页共10页编号:起重机械施工过程质量记录编制:审核:批准:日期:安装单位(公章)第2页共10页第1页共10页编号:时间:2021年x月x日书山有路勤为径,学海无涯苦作舟页码:第2页共10页施工单位安装改造维修许可证编号(或受理号)施工单位负责人施工单位联系人施工单位联系人电话使用单位使用单位地址使用单位联系人使用单位联系电话使用单位邮政编码使用单位安全管理人员起重机械施工地点制造单位制造许可证编号(型式试验备案公告号)设备品种设备代码规格型号制造日期产品编号额定起重量起升速度起升高度第3页共10页第2页共10页编号:时间:2021年x月x日书山有路勤为径,学海无涯苦作舟页码:第3页共10页施工类别新装、移装、改造、重大维修施工告知日期监检开始日期监检结束日期设备选型及产品技术文件检查表项目类别内容及技术要求检查结果结论备注序号1.0设备选型A应符合法规、合同及使用工况要求。符合要求合格1产品技术文件1.1产品设计文件A1.1.1总图符合要求合格1.1.2受力结构图符合要求合格1.1.3机械传动图符合要求合格1.1.4电气图纸符合要求合格1.1.5液压系统原理图符合要求合格1.2产品合格证明A随产品提供符合要求合格1.3安装使用维护说明书A随产品提供符合要求合格1.4型式试验合格证明A随产品提供(复印件)符合要求合格1.5制造监督检验证书A随产品提供符合要求合格2安装改造维修资格2.1安装改造维修许可证A随产品提供符合要求合格2.2安装改造重大维修告知书A随产品提供符合要求合格2.3现场安装改造维修作业人员的资格证书B随产品提供符合要求合格3施工作业3.1安装维修改造工艺规程B应制订作业工艺文件符合要求合格3.2安装维修改造检验规程B应制订作业检验文件符合要求合格第4页共10页第3页共10页编号:时间:2021年x月x日书山有路勤为径,学海无涯苦作舟页码:第4页共10页文件3.3施工方案B应制订技术要求及方法符合要求合格3.4安全措施B应制订相应的安装安全措施符合要求合格施工负责人技术负责人监检方式监检员日期现场施工条件及部件施工前检查表项目类别内容及技术要求检查结果结论备注4、现场施工条件B4.1甲方应提供基础验收证明符合要求合格4.2核实轨道跨度与安装产品是否一致符合要求合格4.3起重机械的运动部分与建筑物、设施、输电线应按规定留有安全距离符合要求合格5、产品技术文件5.1主要零部件B5.1.1基础验收证明符合要求合格B5.1.2制动器铭牌与图纸相符,或者带有合格证符合要求合格B5.1.3电动机铭牌与图纸相符,或者带有合格证符合要求合格B5.1.4卷筒与图纸相符,或者带有合格证符合要求合格B5.1.5大车轮组与图纸相符,或者带有合格证符合要求合格B5.1.6小车轮组与图纸相符,或者带有合格证符合要求合格5.2安全保护装置B5.2.1带有超载限制器、合格证及型式试验合格证符合要求合格B5.2.2带有升降限位、合格证及型式试验合格证符合要求合格B5.2.3带有大小车行程开关合格证及型式试验合格证符合要求合格B5.2.4关、合格证及型式试验合格证符合要求合格B5.2.5、合格证及型式试验合格证符合要求合格B5.2.6、合格证及型式试验合格证符合要求合格第5页共10页第4页共10页编号:时间:2021年x月x日书山有路勤为径,学海无涯苦作舟页码:第5页共10页5.3主要受力结构件B主要受力结构件几何尺寸符合要求合格施工负责人技术负责人监检方式ZJS监检员日期部件施工过程与施工后检查表项目类别内容及技术要求检查结果结论备注6部件施工过程与部件施工后检查B6.1主要受力构件连接检查符合要求合格B6.2施工后主要受力构件几何尺寸检查符合要求合格B6.3钢丝绳直径、结构型式应符合相关标准及图纸要求,无断丝等缺陷符合要求合格B6.4吊具钩头转动灵活,含有防脱钩装置,符合相关标准符合要求合格B6.5滑轮组符合相关标准、图纸要求符合要求合格B6.6卷筒符合相关标准、图纸要求符合要求合格B6.9安全警示标志检查符合要求合格7、电气与控制系统B7.1电气设备与控制系统及施工符合GB50256-1996要求符合要求合格B7.2电气7.2.1接地保护符合要求合格B7.2.2绝缘保护符合要求合格B7.2.3短路保护...

1、当您付费下载文档后,您只拥有了使用权限,并不意味着购买了版权,文档只能用于自身使用,不得用于其他商业用途(如 [转卖]进行直接盈利或[编辑后售卖]进行间接盈利)。
2、本站所有内容均由合作方或网友上传,本站不对文档的完整性、权威性及其观点立场正确性做任何保证或承诺!文档内容仅供研究参考,付费前请自行鉴别。
3、如文档内容存在违规,或者侵犯商业秘密、侵犯著作权等,请点击“违规举报”。

碎片内容

电动单梁过程质量

您可能关注的文档

确认删除?
VIP
微信客服
  • 扫码咨询
会员Q群
  • 会员专属群点击这里加入QQ群
客服邮箱
回到顶部