电脑桌面
添加小米粒文库到电脑桌面
安装后可以在桌面快捷访问

03住宅工程质量分户验收记录表(三)门窗安装检查表VIP免费

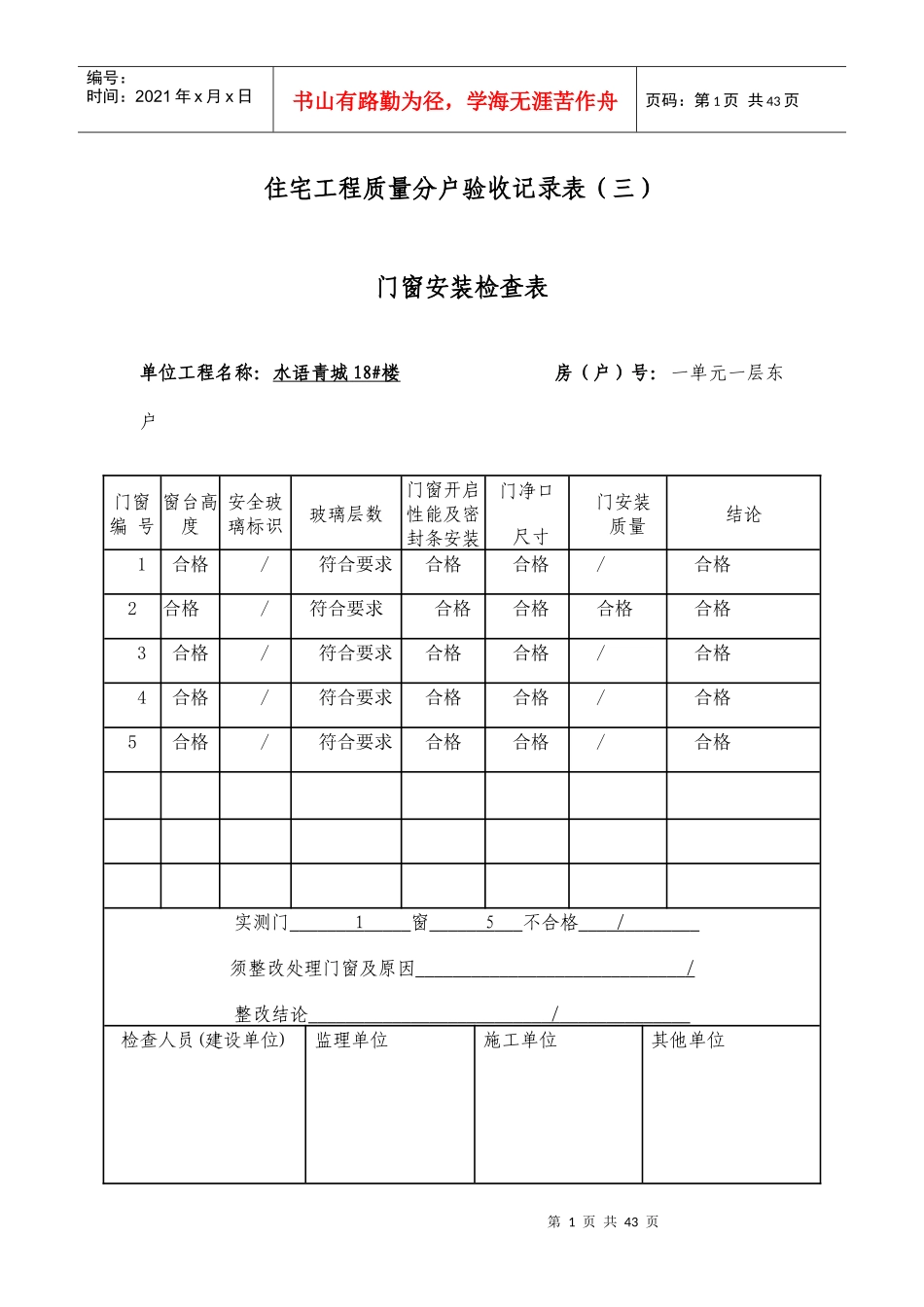
03住宅工程质量分户验收记录表(三)门窗安装检查表_第1页
1/43
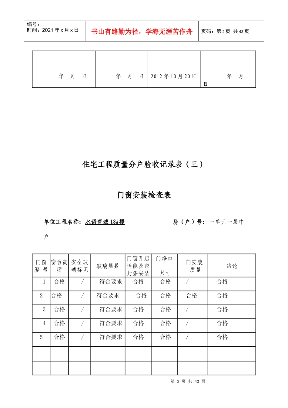
03住宅工程质量分户验收记录表(三)门窗安装检查表_第2页
2/43
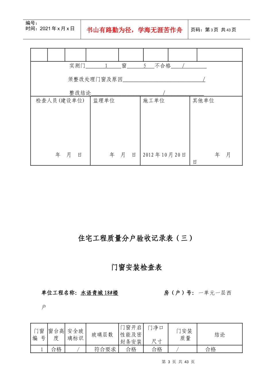
03住宅工程质量分户验收记录表(三)门窗安装检查表_第3页
3/43
第1页共43页编号:时间:2021年x月x日书山有路勤为径,学海无涯苦作舟页码:第1页共43页住宅工程质量分户验收记录表(三)门窗安装检查表单位工程名称:水语青城18#楼房(户)号:一单元一层东户门窗编号窗台高度安全玻璃标识玻璃层数门窗开启性能及密封条安装门净口尺寸门安装质量结论1合格/符合要求合格合格/合格2合格/符合要求合格合格合格合格3合格/符合要求合格合格/合格4合格/符合要求合格合格/合格5合格/符合要求合格合格/合格实测门1窗5不合格/须整改处理门窗及原因/整改结论/检查人员(建设单位)监理单位施工单位其他单位第2页共43页第1页共43页编号:时间:2021年x月x日书山有路勤为径,学海无涯苦作舟页码:第2页共43页年月日年月日2012年10月20日年月日住宅工程质量分户验收记录表(三)门窗安装检查表单位工程名称:水语青城18#楼房(户)号:一单元一层中户门窗编号窗台高度安全玻璃标识玻璃层数门窗开启性能及密封条安装门净口尺寸门安装质量结论1合格/符合要求合格合格/合格2合格/符合要求合格合格合格合格3合格/符合要求合格合格/合格4合格/符合要求合格合格/合格5合格/符合要求合格合格/合格第3页共43页第2页共43页编号:时间:2021年x月x日书山有路勤为径,学海无涯苦作舟页码:第3页共43页实测门1窗5不合格/须整改处理门窗及原因/整改结论/检查人员(建设单位)年月日监理单位年月日施工单位2012年10月20日其他单位年月日住宅工程质量分户验收记录表(三)门窗安装检查表单位工程名称:水语青城18#楼房(户)号:一单元一层西户门窗编号窗台高度安全玻璃标识玻璃层数门窗开启性能及密封条安装门净口尺寸门安装质量结论1合格/符合要求合格合格/合格第4页共43页第3页共43页编号:时间:2021年x月x日书山有路勤为径,学海无涯苦作舟页码:第4页共43页2合格/符合要求合格合格合格合格3合格/符合要求合格合格/合格4合格/符合要求合格合格/合格5合格/符合要求合格合格/合格实测门1窗5不合格/须整改处理门窗及原因/整改结论/检查人员(建设单位)年月日监理单位年月日施工单位2012年10月20日其他单位年月日住宅工程质量分户验收记录表(三)第5页共43页第4页共43页编号:时间:2021年x月x日书山有路勤为径,学海无涯苦作舟页码:第5页共43页门窗安装检查表单位工程名称:水语青城18#楼房(户)号:一单元二层东户门窗编号窗台高度安全玻璃标识玻璃层数门窗开启性能及密封条安装门净口尺寸门安装质量结论1合格/符合要求合格合格/合格2合格/符合要求合格合格合格合格3合格/符合要求合格合格/合格4合格/符合要求合格合格/合格5合格/符合要求合格合格/合格实测门1窗5不合格/须整改处理门窗及原因/整改结论/检查人员(建设单位)年月日监理单位年月日施工单位2012年10月20日其他单位年月日第6页共43页第5页共43页编号:时间:2021年x月x日书山有路勤为径,学海无涯苦作舟页码:第6页共43页住宅工程质量分户验收记录表(三)门窗安装检查表单位工程名称:水语青城18#楼房(户)号:一单元二层中户门窗编号窗台高度安全玻璃标识玻璃层数门窗开启性能及密封条安装门净口尺寸门安装质量结论1合格/符合要求合格合格/合格2合格/符合要求合格合格合格合格3合格/符合要求合格合格/合格4合格/符合要求合格合格/合格5合格/符合要求合格合格/合格实测门1窗5不合格/须整改处理门窗及原因/第7页共43页第6页共43页编号:时间:2021年x月x日书山有路勤为径,学海无涯苦作舟页码:第7页共43页整改结论/检查人员(建设单位)年月日监理单位年月日施工单位2012年10月20日其他单位年月日住宅工程质量分户验收记录表(三)门窗安装检查表单位工程名称:水语青城18#楼房(户)号:一单元二层西户门窗编号窗台高度安全玻璃标识玻璃层数门窗开启性能及密封条安装门净口尺寸门安装质量结论1合格/符合要求合格合格/合格2合格/符合要求合格合格合格合格3合格/符合要求合格合格/合格第8页共43页第7页共43页编号:时间:2021年x月x日书山有路勤为径,学海无涯苦作舟页码:第8页共43页4合格/符合要求合格合格/合格5合格/符合要求合格合格/合格实测门1窗5不合格/须整改处理门窗及原因/整改结论/检查人员(建设单位)...

1、当您付费下载文档后,您只拥有了使用权限,并不意味着购买了版权,文档只能用于自身使用,不得用于其他商业用途(如 [转卖]进行直接盈利或[编辑后售卖]进行间接盈利)。
2、本站所有内容均由合作方或网友上传,本站不对文档的完整性、权威性及其观点立场正确性做任何保证或承诺!文档内容仅供研究参考,付费前请自行鉴别。
3、如文档内容存在违规,或者侵犯商业秘密、侵犯著作权等,请点击“违规举报”。

碎片内容

03住宅工程质量分户验收记录表(三)门窗安装检查表

精华资料店+ 关注
实名认证
内容提供者

大量教育教学资料

确认删除?
VIP
微信客服
  • 扫码咨询
会员Q群
  • 会员专属群点击这里加入QQ群
客服邮箱
回到顶部