电脑桌面
添加小米粒文库到电脑桌面
安装后可以在桌面快捷访问

dxc质量手册06VIP免费

dxc质量手册06_第1页
1/75
dxc质量手册06_第2页
2/75
dxc质量手册06_第3页
3/75
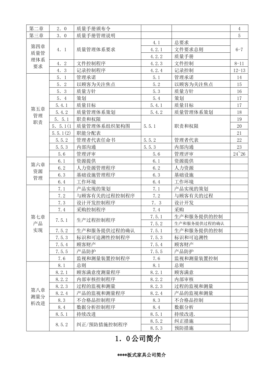
质量手册(依据ISO9001:2000编制、包含所有程序文件)文件编号:ORY/QMS-001-2006文件版本:A/0分发号:2006年07月01日发布2006年07月02日实施目录手册章节号内容标准章节号内容页码第一章1.0公司简介3第二章2.0质量手册颁布令4第三章3.0质量手册管理说明5第四章质量管理体系要求4.1质量管理体系要求4.1总要求6-74.2.1文件要求总则4.2.2质量手册4.2文件控制程序4.2.3文件控制8-114.3记录控制程序4.2.4记录控制12-13第五章管理职责5.1管理承诺5.1管理承诺145.2以顾客为关注焦点5.2以顾客为关注焦点155.3质量方针5.3质量方针165.4策划5.4策划175.4.1质量目标5.4.1质量目标175.4.2质量管理体系策划5.4.2质量管理体系策划185.5.1职责和权限5.5.1职责和权限195.5.1(1)质量管理体系组织架构图205.5.1(2)职能分配表215.5.2管理者代表任命书5.5.2管理者代表225.5.3内部沟通5.5.3内部沟通235.6管理评审5.6管理评审24~26第六章资源管理6.1资源提供6.1资源提供6.2人力资源管理程序6.2人力资源6.3基础设施管理程序6.3基础设施6.4工作环境6.4工作环境第七章产品实现7.1产品实现的策划7.1产品实现的策划7.2与顾客有关的过程控制程序7.2与顾客有关的过程7.3设计开发控制程序7.3设计开发7.4采购控制程序7.4采购7.5.1生产过程控制程序7.5.1生产和服务提供的控制7.5.2生产和服务提供过程的确认7.5.2生产和服务提供过程的确认7.5.1生产和服务提供的控制7.5.3标识和可追溯性控制程序7.5.3标识和可追溯性7.5.4顾客财产7.5.4顾客财产7.5.5产品防护7.5.5产品防护7.6监视和测量装置控制程序7.6监视和测量装置控制第八章测量分析改进8.1总则8.1总则8.2.1顾客满意度测量程序8.2.1顾客满意8.2.2内部审核控制程序8.2.2内部审核8.2.3过程的监视和测量8.2.3过程的监视和测量8.2.4产品的监视和测量程序8.2.4产品的监视和测量8.3不合格品控制程序8.3不合格品控制8.4数据分析控制程序8.4数据分析8.5.1持续改进8.5.1持续改进.8.5.2纠正/预防措施控制程序8.5.2纠正措施8.5.3预防措施1.0公司简介****板式家具公司简介“眉山****股份责任有限公司”是位于眉山市仁寿籍田镇****工业园区具有板式家具专业设计制造销售为一体的企业。公司致力于板式板式家具的专业设计、生产、销售与服务。经过二十余年的创业,公司已发展成为占地600余亩,拥有员工近2000人的大型板式家具企业。公司长期立足于“高起点、高定位、大规模、大流通”的发展策略,公司引进具有国际领先水平的意大利、德国加工制造设备,融合自身丰富的设计制造经验,严格按照ISO9001国际质量管理体系标准要求运作。成功设计开发了“****”套房系列产品。同时,选用优质原材料,使得公司产品多年来一直居于同行业领先地位。产品畅销全国三十一个省、直辖市、自治区,深受中外顾客的青睐。公司“以人为本”,海纳百川,广聚贤才。中高层管理人员90%具有高等学历及中高级职称,数十位经验丰富的专业设计师,十余年生产经验的专业制作人员,为****的迅速崛起和持续发展奠定了坚实的人才基础。2002年****家私被中国室内装修协会推荐为“绿色装饰产品”,这是对****“环保、健康”理念的高度褒奖和权威认可。第二届国际家私博览会,****以其独特的环保理念,完美的设计风格及精湛的制作工艺,从众多国际国内知名品牌中脱颖而出,荣获银奖,2003年****荣登央视上榜品牌。“绿色、时尚、品质”的****品牌形象正为市场、行业和客户所普遍认同。“以客户满意为目标”!****在倡导“家私文化”,荐引“绿色消费”的同时,率先推出客户贴身服务和用户“星级”服务,建立客户管理系统,设置服务中心,专职服务人员全程跟踪,保证客户在感受****产品温馨舒适的同时,充分享受****的倍至关怀。“以品质求生存,以效益求发展!”****将一如既往,进取创新,坚持品牌经营和自身独特的经营理念,立足民族家私产业,努力创建厂家、商家、用户、社会多赢格局,以更优质的产品,更完善的服务奉献社会!****人将为行业、广大家庭、社会提供环保、部学、节约的现代板式家具和文化!电话:传真:联系人:联系地址:眉山市仁寿籍田镇****工业园区邮编:2.0质量手册颁布令...

1、当您付费下载文档后,您只拥有了使用权限,并不意味着购买了版权,文档只能用于自身使用,不得用于其他商业用途(如 [转卖]进行直接盈利或[编辑后售卖]进行间接盈利)。
2、本站所有内容均由合作方或网友上传,本站不对文档的完整性、权威性及其观点立场正确性做任何保证或承诺!文档内容仅供研究参考,付费前请自行鉴别。
3、如文档内容存在违规,或者侵犯商业秘密、侵犯著作权等,请点击“违规举报”。

碎片内容

dxc质量手册06

您可能关注的文档

确认删除?
VIP
微信客服
  • 扫码咨询
会员Q群
  • 会员专属群点击这里加入QQ群
客服邮箱
回到顶部