电脑桌面
添加小米粒文库到电脑桌面
安装后可以在桌面快捷访问

QC大直径圆筒垂直度控制VIP免费

QC大直径圆筒垂直度控制_第1页
1/15
QC大直径圆筒垂直度控制_第2页
2/15
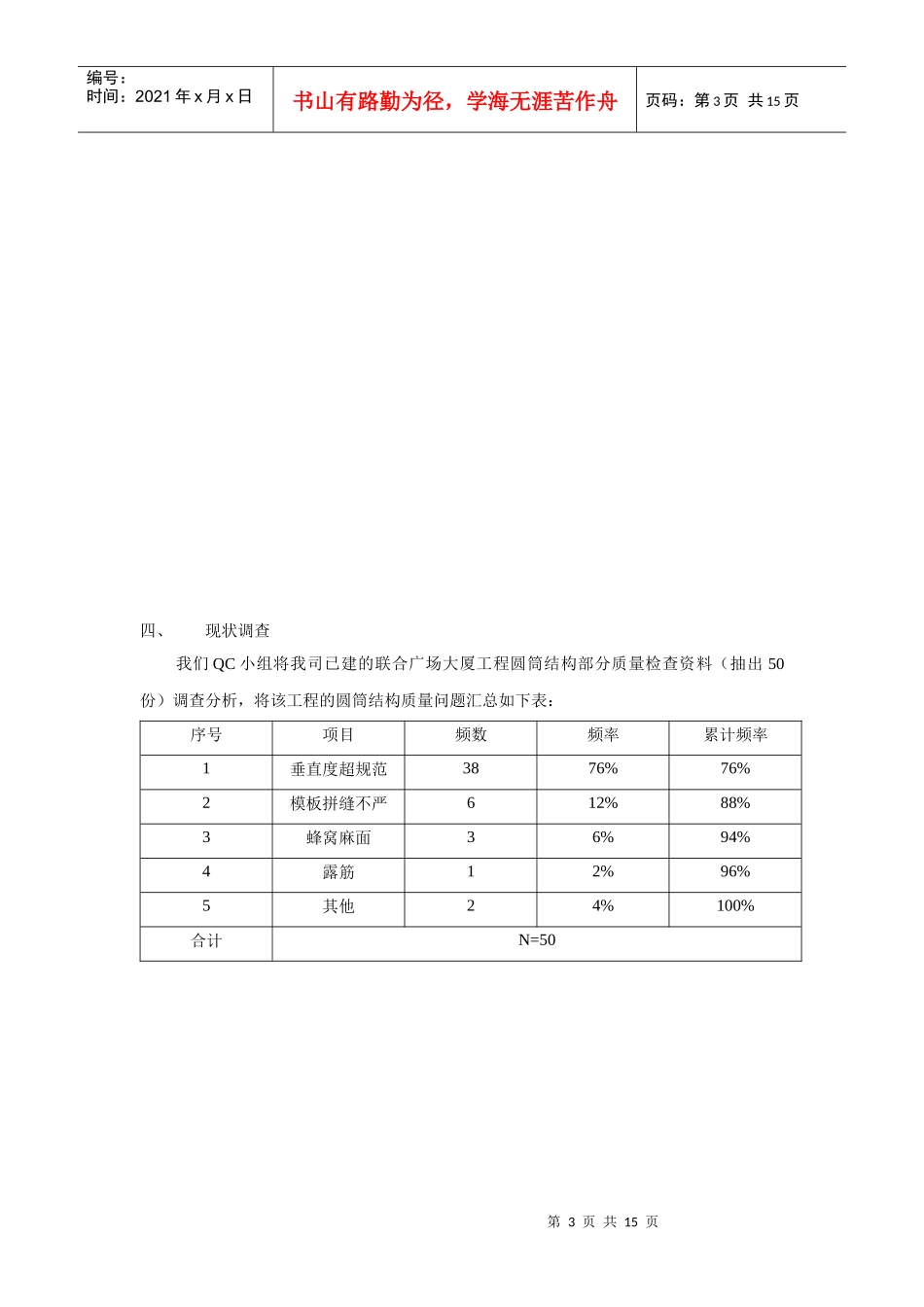
QC大直径圆筒垂直度控制_第3页
3/15
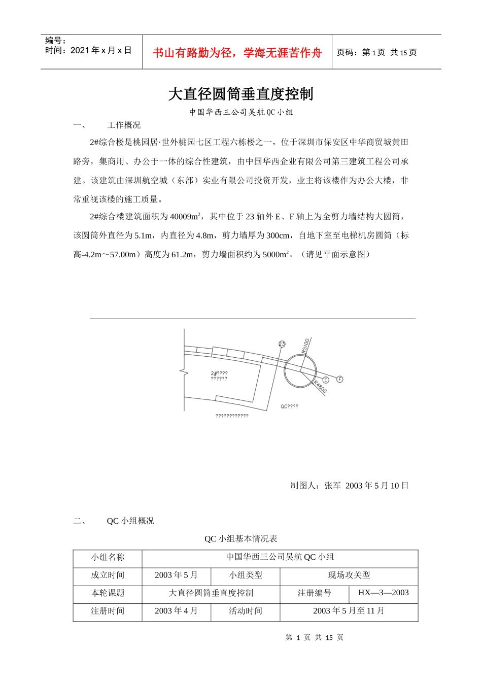
第1页共15页编号:时间:2021年x月x日书山有路勤为径,学海无涯苦作舟页码:第1页共15页大直径圆筒垂直度控制中国华西三公司吴航QC小组一、工作概况2#综合楼是桃园居·世外桃园七区工程六栋楼之一,位于深圳市保安区中华商贸城黄田路旁,集商用、办公于一体的综合性建筑,由中国华西企业有限公司第三建筑工程公司承建。该建筑由深圳航空城(东部)实业有限公司投资开发,业主将该楼作为办公大楼,非常重视该楼的施工质量。2#综合楼建筑面积为40009m2,其中位于23轴外E、F轴上为全剪力墙结构大圆筒,该圆筒外直径为5.1m,内直径为4.8m,剪力墙厚为300cm,自地下室至电梯机房圆筒(标高-4.2m~57.00m)高度为61.2m,剪力墙面积约为5000m2。(请见平面示意图)制图人:张军2003年5月10日二、QC小组概况QC小组基本情况表小组名称中国华西三公司吴航QC小组成立时间2003年5月小组类型现场攻关型本轮课题大直径圆筒垂直度控制注册编号HX—3—2003注册时间2003年4月活动时间2003年5月至11月第2页共15页第1页共15页编号:时间:2021年x月x日书山有路勤为径,学海无涯苦作舟页码:第2页共15页序号姓名职务TQC培训时间组内分工1吴航项目经理60h组长宏观管理2张军内业技术员60h副组长QC活动过程控制、技术总结3潘属强预算员60h组员成本控制、经济效益核算4苟润国质量员60h组员工程现场质量检查、结果反馈5冯顺和木做工长60h组员现场模板制安、支撑施工管理6钟长发钢筋工长60h组员现场钢筋制安、施工管理7杨学富综合工长60h组员现场砼浇筑、装修施工管理8周长红测量员60h组员现场测量放线,垂直度数据采集反馈9张怀木工人60h组员现场直接操作、实施10罗勇工人60h组员现场直接操作、实施三、选题理由合同要求公司与项目部签订内部合同明确要求2#综合楼达到深圳市优质结构工程。先进的QC攻关经验曾经获奖的如意家园工程的剪力墙垂直度平面控制QC活动经验为2#综合楼的大直径圆筒垂直度立体控制奠定了良好的技术基础。第3页共15页第2页共15页编号:时间:2021年x月x日书山有路勤为径,学海无涯苦作舟页码:第3页共15页四、现状调查我们QC小组将我司已建的联合广场大厦工程圆筒结构部分质量检查资料(抽出50份)调查分析,将该工程的圆筒结构质量问题汇总如下表:序号项目频数频率累计频率1垂直度超规范3876%76%2模板拼缝不严612%88%3蜂窝麻面36%94%4露筋12%96%5其他24%100%合计N=50第4页共15页第3页共15页编号:时间:2021年x月x日书山有路勤为径,学海无涯苦作舟页码:第4页共15页垂直度模板拼蜂窝露筋其他超规范缝不严麻面排列图制图人:张军2003.5.15从排列图,我们可以看出,对2#综合大楼大直径圆筒结构质量影响最大的是垂直度超规范。五、确定目标通过现状调查分析,结合目前我司平面剪力墙垂直度控制水平及我司已建工程圆筒结构剪力墙垂直度合格率能够达到86%,确定本次活动目标:第5页共15页第4页共15页编号:时间:2021年x月x日书山有路勤为径,学海无涯苦作舟页码:第5页共15页原来控制水平目标控制水平六、目标可行性分析1、本小组许多成员由着丰富的QC攻关经验,小组成员沟通能力强,具有良好的团队协作精神和开拓创新能力,同时项目部特制定了完善的管理制度和富有弹性的激励机制。2、以往我司承建工程,平面剪力墙垂直度一般能都达到90%左右,尽管圆筒结构特殊,施工难度大,相比来说完成该目标较为乐观。七、原因分析经过小组成员现场调查分析及讨论,根据影响圆筒的垂直度因素,绘制如下因果图:90%86%84%85%86%87%88%89%90%91%第6页共15页第5页共15页编号:时间:2021年x月x日书山有路勤为径,学海无涯苦作舟页码:第6页共15页八、确认要因从上因果图中可以看出,总共有20个末端因素,现分别罗列如下表,并经过QC小组成员深入现场仔细调查并予以充分讨论、分析、验证(见下表),红色“△”为确认的影响大直径圆筒垂直度要因。原因分析序号末端因素确定方法分析情况负责人是否要因1工人缺乏QC意识调查分析多数工人参加多个工程项目的TQC培训,而且能够熟练按照ISO9000质量管理体系操作,我们项目已经将操作工人进行TQC培训,质量控制意识应该深入人心。张军○2操作方法不当,关键部...

1、当您付费下载文档后,您只拥有了使用权限,并不意味着购买了版权,文档只能用于自身使用,不得用于其他商业用途(如 [转卖]进行直接盈利或[编辑后售卖]进行间接盈利)。
2、本站所有内容均由合作方或网友上传,本站不对文档的完整性、权威性及其观点立场正确性做任何保证或承诺!文档内容仅供研究参考,付费前请自行鉴别。
3、如文档内容存在违规,或者侵犯商业秘密、侵犯著作权等,请点击“违规举报”。

碎片内容

QC大直径圆筒垂直度控制

精华资料店+ 关注
实名认证
内容提供者

大量教育教学资料

确认删除?
VIP
微信客服
  • 扫码咨询
会员Q群
  • 会员专属群点击这里加入QQ群
客服邮箱
回到顶部