电脑桌面
添加小米粒文库到电脑桌面
安装后可以在桌面快捷访问

D8000检验作业规程VIP免费

D8000检验作业规程_第1页
1/5
D8000检验作业规程_第2页
2/5
D8000检验作业规程_第3页
3/5
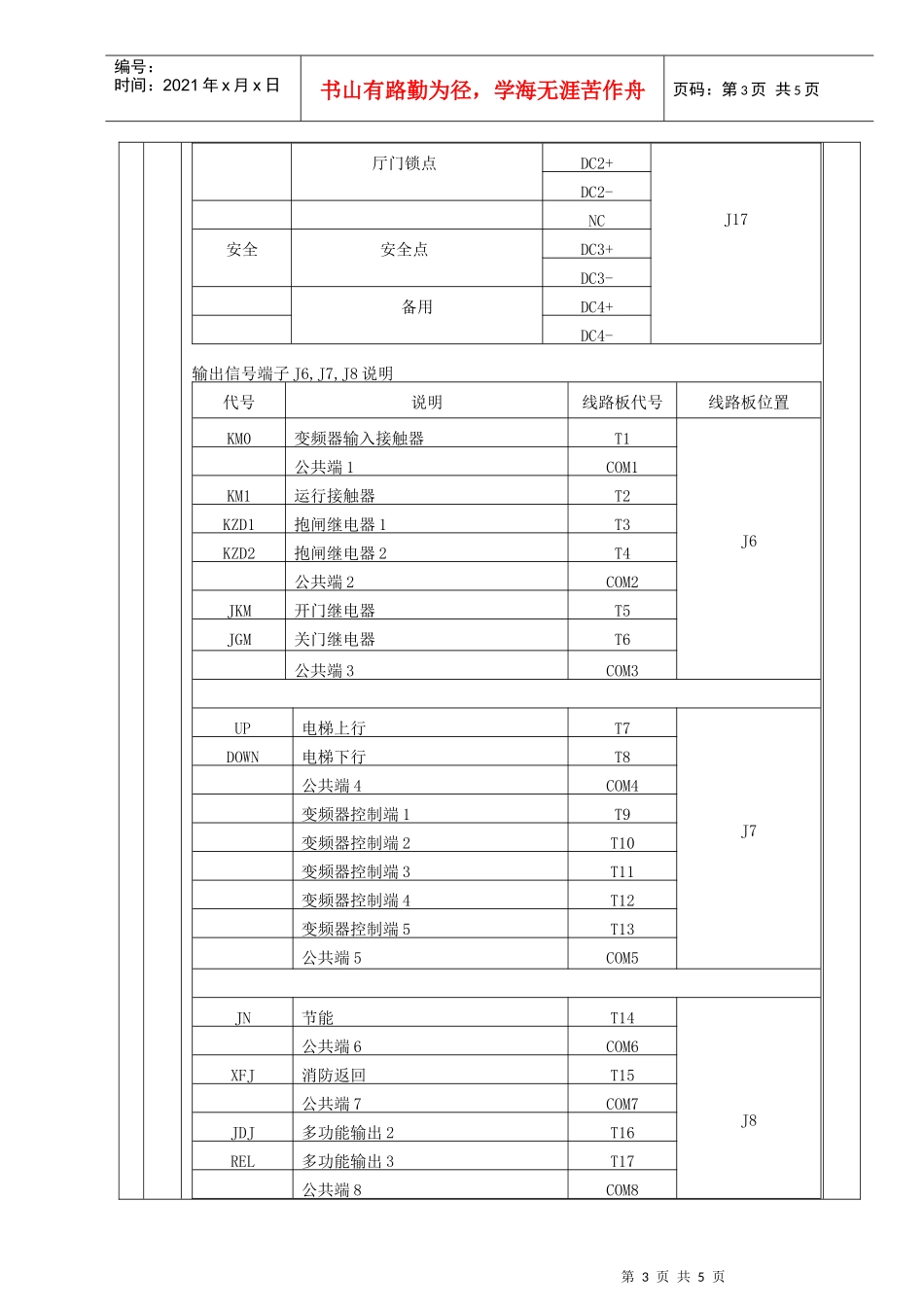
1.目的指导D8000微机板检验。2.范围D8000主控器3.检验工具D8000一块(灌制D8000检测程序)、DA01D、DA02D、开关电源、一字螺丝刀、镊子(或短接片)。4.检验频率全检。5.检验记录见微机板检验记录表。6.微机板及其接线图7.检验项目、操作步骤和要求序号检验项目检验操作步骤和要求备注1外观检查1.产品表面应用清洗液洗净并且整洁无划伤,U1、U5这两块主芯片都要均匀打上705胶。2.液晶屏、CPU板和IO板连接牢靠,保持良好的接触。液晶屏表面没有划痕。3.检查元器件是否有错焊、漏焊,光藕,继电器等器件的焊接是否整齐一致。4.目测贴片器件是否存在虚焊。用表棒拨动器件引脚,再次检测是否有虚焊。5.对器件U1、U5、U7、U6、U15应特别注意。6.用橡胶棒轻敲器件,检测是否有虚焊。2通电前检测通电前检查电源回路有无短路故障,确认无误后进入下一道工序3通电功能检测1.输入输出点检测:通电,检测程序会检测每个输入输出点,正常后,液晶屏最后四个灯会两两交替闪烁,表示没有检测出问题。2.功能检测:(1)电源5V、24V接入,LCD面板5V、24V指示灯,正常时应常亮。1.电源5V、24V接入,LCD面板5V、24V指示灯,正常时应常亮。24V电源输出551,555是否正常。2.检测液晶显示是否正常,要求显示无缺笔、缺行、缺列,检查操作每个按纽是否灵活、有效。3.入“端子状态”菜单,对每个输入点及指示灯进行检测,检测每个输入点及指示第2页共5页编号:时间:2021年x月x日书山有路勤为径,学海无涯苦作舟页码:第2页共5页灯是否与外部输入变化同步变化代号说明线路板代号线路板位置S1W低速下强迫减速0.5—1.0M/SP1J1S2W低速上强迫减速0.5—1.0M/SP2S3W中速下强迫减速1.2—1.75M/SP3S4W中速上强迫减速1.2—1.75M/SP4S9W高速下强迫减速2.0—3.5M/SP5S10W高速上强迫减速2.0—3.5M/SP6S5W慢车下限位P7S6W慢车上限位P8FC1变频器工作状态P9ZERO电梯低速信号<0.2M/SP10J2R2变频器运行握手信号P11BZK抱闸行程开关P12运行接触器粘连监测(KM1)P13抱闸接触器粘连监测1(KZD)P14MQ中门区平层开关P15JX1检修1P16JX2检修2P17AS检修上行P18AX检修下行P19J3KMBT厅门锁信号P20KMBJ轿门锁信号P21JY1安全回路P22以下均为多功能输入点1~12PS多功能输入1P23PX多功能输入2P24多功能输入3P25多功能输入4P26KH多功能输入5P27XF多功能输入6P28J4多功能输入7P29多功能输入8P30输入高压点J17说明门锁轿门锁点DC1+DC1-第3页共5页第2页共5页编号:时间:2021年x月x日书山有路勤为径,学海无涯苦作舟页码:第3页共5页J17厅门锁点DC2+DC2-NC安全安全点DC3+DC3-备用DC4+DC4-输出信号端子J6,J7,J8说明代号说明线路板代号线路板位置KM0变频器输入接触器T1J6公共端1COM1KM1运行接触器T2KZD1抱闸继电器1T3KZD2抱闸继电器2T4公共端2COM2JKM开门继电器T5JGM关门继电器T6公共端3COM3UP电梯上行T7J7DOWN电梯下行T8公共端4COM4变频器控制端1T9变频器控制端2T10变频器控制端3T11变频器控制端4T12变频器控制端5T13公共端5COM5JN节能T14J8公共端6COM6XFJ消防返回T15公共端7COM7JDJ多功能输出2T16REL多功能输出3T17公共端8COM8第4页共5页第3页共5页编号:时间:2021年x月x日书山有路勤为径,学海无涯苦作舟页码:第4页共5页多功能输出4(上行)T18公共端9COM9通讯总线接口通讯代号用途说明线路板代号CAN1H备用通讯J10CAN1LLADH外呼通讯LADLCARH内呼通讯CARLJ11CORH并联CORL485A485B高速计数接口代号说明线路板代号A+高速计数1-差分A+相输入J11A-高速计数1-差分A1-相输入(脉冲电平A相)B+高速计数1-差分B+相输入B-高速计数1-差分B-相输入(脉冲电平B相)551高速计数1-高速计数公共端4.进入“手动输入”菜单,由J11加入A、B双相信号,检测高速计数是否有效。需注意输入信号的短接片S12,S13需短接好(使用集电极开路或推挽输入)。5.S12,S13需断开好(使用差分输入).再观察:**Expressionisfaulty**楼层数字的增减与方向是否一致。**Expressionisfaulty**检修运行时显示的速度是否上行/下行一致。速度显示是否稳定.**Expressionisfaulty**楼层高度自学习后的高度显示是否正常。每层的高度显示是否正确,现测试台的每层高度约为3.2米。6....

1、当您付费下载文档后,您只拥有了使用权限,并不意味着购买了版权,文档只能用于自身使用,不得用于其他商业用途(如 [转卖]进行直接盈利或[编辑后售卖]进行间接盈利)。
2、本站所有内容均由合作方或网友上传,本站不对文档的完整性、权威性及其观点立场正确性做任何保证或承诺!文档内容仅供研究参考,付费前请自行鉴别。
3、如文档内容存在违规,或者侵犯商业秘密、侵犯著作权等,请点击“违规举报”。

碎片内容

D8000检验作业规程

您可能关注的文档

确认删除?
VIP
微信客服
  • 扫码咨询
会员Q群
  • 会员专属群点击这里加入QQ群
客服邮箱
回到顶部