电脑桌面
添加小米粒文库到电脑桌面
安装后可以在桌面快捷访问

明挖车站检验批质量验收表VIP免费

明挖车站检验批质量验收表_第1页
1/64
明挖车站检验批质量验收表_第2页
2/64
明挖车站检验批质量验收表_第3页
3/64
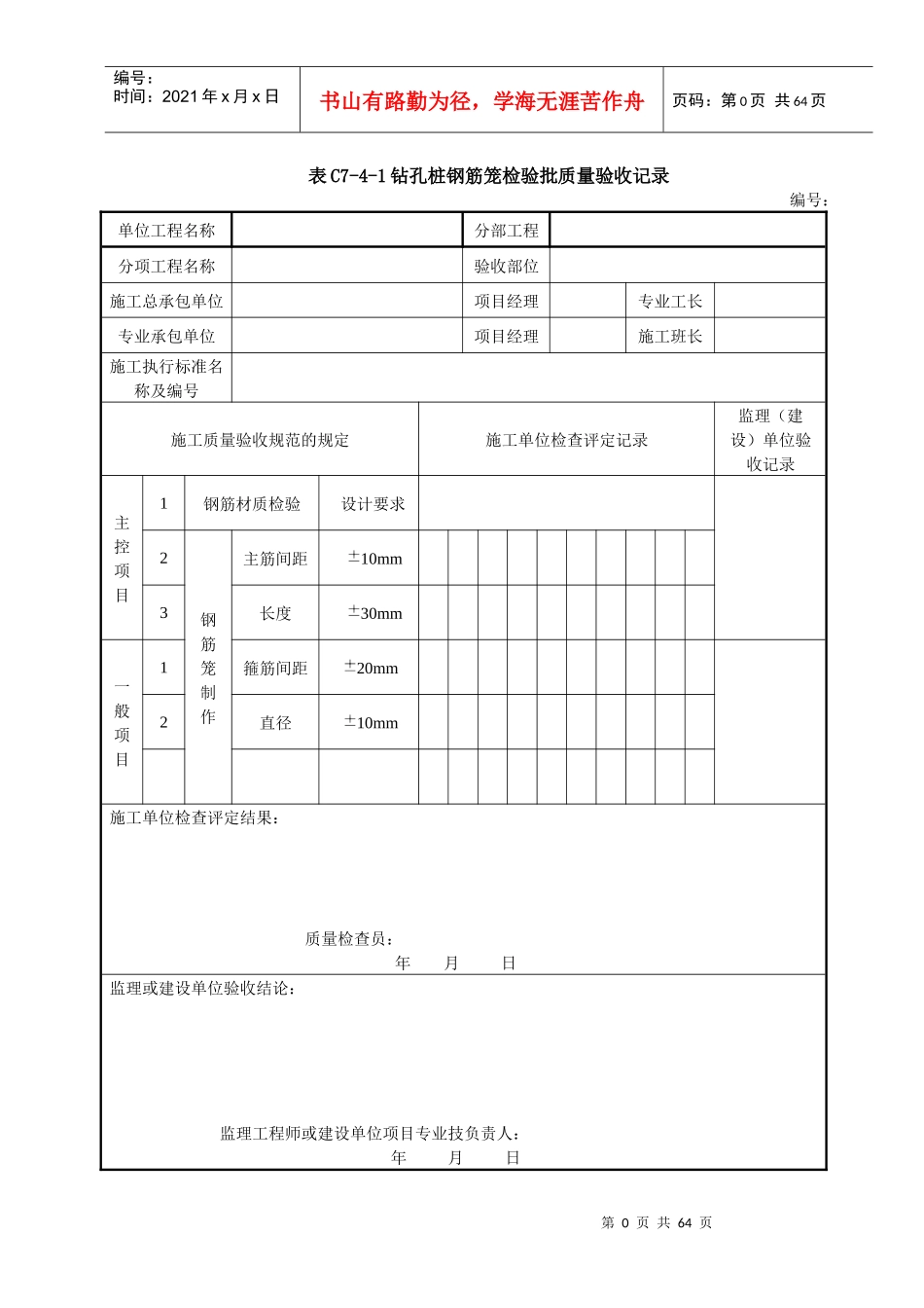
第0页共64页编号:时间:2021年x月x日书山有路勤为径,学海无涯苦作舟页码:第0页共64页表C7-4-1钻孔桩钢筋笼检验批质量验收记录编号:单位工程名称分部工程分项工程名称验收部位施工总承包单位项目经理专业工长专业承包单位项目经理施工班长施工执行标准名称及编号施工质量验收规范的规定施工单位检查评定记录监理(建设)单位验收记录主控项目1钢筋材质检验设计要求2钢筋笼制作主筋间距10mm3长度30mm一般项目1箍筋间距20mm2直径10mm施工单位检查评定结果:质量检查员:年月日监理或建设单位验收结论:监理工程师或建设单位项目专业技负责人:年月日第1页共64页第0页共64页编号:时间:2021年x月x日书山有路勤为径,学海无涯苦作舟页码:第1页共64页检验规定和说明适用范围:本表适用于混凝土灌注桩钢筋笼工程的施工质量验收。检验批的划分:工程桩每根,围护桩20根。检验数量:施工单位全部检查,监理单位见证检验或平行检验施工单位检查数量的30%或10%。主控项目:必须符合本节规定,发现问题立即处理直至符合要求。⒈主筋间距:用钢尺量检查,检查方法:钢尺一连量三檔取其最大值。⒉长度:钢筋笼长度必须符合设计要求,用钢尺量检查。⒊钢筋材质检验:普通钢筋必须符合现行国家标准《钢筋混凝土用热轧带肋钢筋》GB1499、《钢筋混凝土用热轧光圆钢筋》GB13013的规定,钢筋材质检验必须符合现行标准《混凝土结构工程施工质量验收规范》GB50204-2002的规定。检查钢筋出厂合格证及复试报告。一般项目:抽查数量应有80%合格。检查方法及检查点按下列规定:⒈箍筋间距:用钢尺连续测量三檔取其最大值。⒉钢筋笼直径、钢筋规格应符合设计要求。用钢尺检查。检查点数量:1-2项,每桩检查1点。第2页共64页第1页共64页编号:时间:2021年x月x日书山有路勤为径,学海无涯苦作舟页码:第2页共64页表C7-4-2钻孔灌注桩检验批质量验收记录编号:单位工程名称分部工程分项工程名称验收部位施工总承包单位项目经理专业工长专业承包单位项目经理施工班长施工执行标准名称及编号施工质量验收规范的规定施工单位检查评定记录监理(建设)单位验收记录主控项目1桩位轴线方向±50mm垂直轴线方向+30mm,02孔深(mm)+3003桩体质量检验设计要求4混凝土强度设计要求5承载力设计要求一般项目1垂直度5‰2桩径5mm3泥浆比重(粘土或砂性土中)1.15~1.20第3页共64页第2页共64页编号:时间:2021年x月x日书山有路勤为径,学海无涯苦作舟页码:第3页共64页4泥浆面标高(高于地下水位)(m)0.5~1.05沉渣厚度端承桩(mm)≤50摩擦桩(mm)≤1506砼塌落度水下灌注(mm)160~210干施工(mm)100~2107钢筋笼安装深度(mm)508混凝土充盈系数>19桩顶标高(mm)+30,-50施工单位检查评定结果:质量检查员:年月日监理或建设单位验收结论:监理工程师或建设单位项目专业技负责人:年月日检验规定和说明适用范围:本表适用于钢筋混凝土灌注桩工程的施工质量验收。检验批的划分:工程桩每根、围护桩20根划分为一个检验批。主控项目:1.桩位:每桩检查,应符合GB50299规定;检验方法:拉线尺量检查。2.孔深:只深不浅,用重锤测量,或测钻杆、套管长度。3.桩体质量检验:低应变动测法检测桩身完整性,抽测数量不少于总桩数的10%,且不少于5根。4.混凝土强度:施工结束后必须检查混凝土强度,混凝土强度等级必须符合设计要求。检查混凝土强度报告或钻芯取样送试报告。混凝土强度试件的留置数量,同一配合比每班不得少于一组,灌注桩每5根不得少于一组。监理单位见证检验或平行检验施工单位检查数量的30%或10%。混凝土强度检验评定方法必须符合现行国家标准《混凝土强度检验评定标准》GB/T50107-2010的有关规定。5.承载力:必须满足设计要求。检验方法:检查桩基检测报告。一般项目:全部检查抽检数量应有80%合格。检验方法及检查点数按下列规定:1.垂直度:测套管或钻杆,或用超声波检测,干施工“吊垂球”法检测。第4页共64页第3页共64页编号:时间:2021年x月x日书山有路勤为径,学海无涯苦作舟页码:第4页共64页2.桩径:采用“井径仪”或超声波检测,干施工时用钢尺量。3.泥浆比重(粘土或砂性土中)用比重计测,清...

1、当您付费下载文档后,您只拥有了使用权限,并不意味着购买了版权,文档只能用于自身使用,不得用于其他商业用途(如 [转卖]进行直接盈利或[编辑后售卖]进行间接盈利)。
2、本站所有内容均由合作方或网友上传,本站不对文档的完整性、权威性及其观点立场正确性做任何保证或承诺!文档内容仅供研究参考,付费前请自行鉴别。
3、如文档内容存在违规,或者侵犯商业秘密、侵犯著作权等,请点击“违规举报”。

碎片内容

明挖车站检验批质量验收表

您可能关注的文档

确认删除?
VIP
微信客服
  • 扫码咨询
会员Q群
  • 会员专属群点击这里加入QQ群
客服邮箱
回到顶部