摘要今天的中国处于一个快速发展的时期,轨道交通也不例外。通过兴建轨道交通和大力发展城市轨道交通这一行业,给城市居民的日常出行带来的...
中文摘要应急预案于现实情况相结合,预案本身就是为了预防现实中的各种突发意外情况,它合不合理,符合不符合真实情况,会不会步骤繁琐,处...
目 录第 一 章 编 制 说 明 ................................ 6第 1 节 企 业 简 介 ............................... 6...
目 录 一、乘客心里行为影响因素分析.................................................................................................
公交车站广告牌制作安装合同书(用心整理的精品 word 文档,可以编辑,欢迎下载)作者:------------------------------------------日期...
地铁生物医药基地车站跨街连廊工程临近地铁车站侧施工专项方案 编制 审核 北京市市政工程管理处有限公司2025 年 11 月一、工程概况.....
目 录一、 编制依据 …………………………………… 1二、 工程概况及特点 …………………………… 1三、 施工测量流程 ……………...
目录第一章 编制说明— 1 —1. 1 编制依据 0 1 。 2 编制原则 0 1.3 编制范围 0 第二章 工程概况 1 2 。 1 工程概述...
目 录一、编制说明及依据 11.1 编制说明 11.2 编制依据 1二、工程概况 12.1 工程简介 12.2 施工分块 22。3 轨顶风道施工流程 ...
高压旋喷技术在地铁车站深基坑防水工程中的应用以高压旋喷技术在南京地铁车站深基坑防水工程中的成功应用为例, 介绍旋喷防水帷幕的参数设...
青岛某车站工程施工劳务招标文件招标文件目录0.招标文件前附表1.总则2.招标文件3.投标须知4.投标文件编制要求5.投标文件密封与递交6.无效标...
目 录1、编制依据.............................................................12、工程概况...........................................
市轻轨较新线一期工程 XX 至 XX 段高架车站结构及区间桥梁工程(DK1+365.599~DK3+626.449 全长 2260.85m)施工组织设计1 编制的依据1...
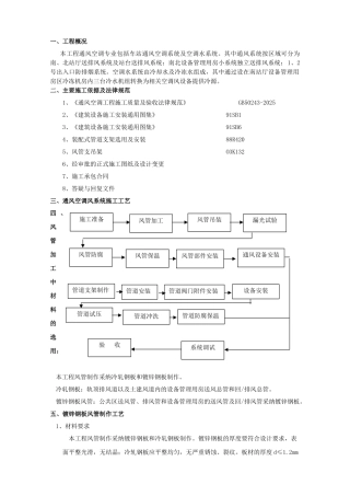
一、工程概况 本工程通风空调专业包括车站通风空调系统及空调水系统。其中通风系统按区域可分为南、北站厅送排风系统及站台送排风系统;南...
目 录一、编制依据························································...
目 录1、编制依据..............................................................32、工程概况..........................................
车站春运安全责任书 遵纪守法是每个公民的义务,交通安全事关社会稳定,事业进展和家庭幸福为进一步贯彻落实上级交通部门及车辆管理所,有...
目 录一 、 ............................工 程 概 况 及 现 场 查 勘31.1. 工 程 概 况....................................
房屋建筑和市政基础设施工程施工招 标 文 件招 标 编 号: 项 目 名 称:************* 站前广场及配套设施建设工程Ⅰ标段 招...
第一章 工程概况及编制依据1.1 工程概况XX 站有效站台中心里程:YDK-17-938.000,车站为地下两层岛式站台车站,有效站台长 120 米,线...

