电脑桌面
添加小米粒文库到电脑桌面
安装后可以在桌面快捷访问

车站通风空调系统施工方案

车站通风空调系统施工方案_第1页
1/16
车站通风空调系统施工方案_第2页
2/16
车站通风空调系统施工方案_第3页
3/16
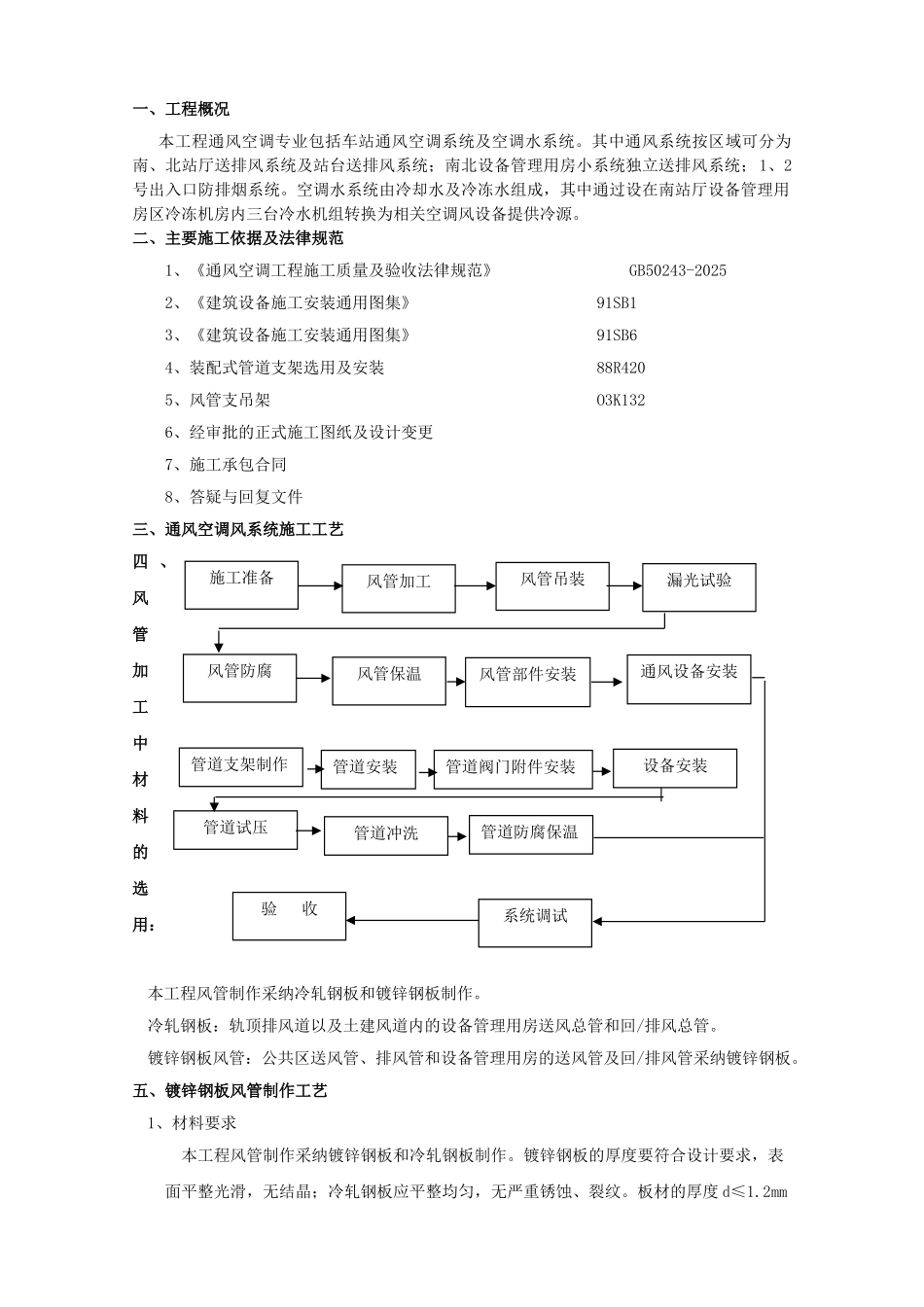
一、工程概况 本工程通风空调专业包括车站通风空调系统及空调水系统。其中通风系统按区域可分为南、北站厅送排风系统及站台送排风系统;南北设备管理用房小系统独立送排风系统;1、2号出入口防排烟系统。空调水系统由冷却水及冷冻水组成,其中通过设在南站厅设备管理用房区冷冻机房内三台冷水机组转换为相关空调风设备提供冷源。二、主要施工依据及法律规范1、《通风空调工程施工质量及验收法律规范》 GB50243-20252、《建筑设备施工安装通用图集》91SB13、《建筑设备施工安装通用图集》91SB64、装配式管道支架选用及安装 88R4205、风管支吊架 O3K1326、经审批的正式施工图纸及设计变更7、施工承包合同8、答疑与回复文件三、通风空调风系统施工工艺四 、风管加工中材料的选用:本工程风管制作采纳冷轧钢板和镀锌钢板制作。冷轧钢板:轨顶排风道以及土建风道内的设备管理用房送风总管和回/排风总管。镀锌钢板风管:公共区送风管、排风管和设备管理用房的送风管及回/排风管采纳镀锌钢板。五、镀锌钢板风管制作工艺1、材料要求本工程风管制作采纳镀锌钢板和冷轧钢板制作。镀锌钢板的厚度要符合设计要求,表面平整光滑,无结晶;冷轧钢板应平整均匀,无严重锈蚀、裂纹。板材的厚度 d≤1.2mm系统调试验 收风管保温风管部件安装通风设备安装风管防腐风管吊装漏光试验施工准备风管加工管道冲洗管道防腐保温管道试压管道支架制作管道安装管道阀门附件安装设备安装时选用镀锌钢板咬接,d≥2mm 时选用冷轧钢板焊接。2、风管咬口加工(参照《通风空调工程施工工艺标准》)先对板材进行划线,通过机械剪刀和手工剪刀进行剪切,风管转角处采纳联合咬口方式,板材拼接时采纳单边咬口。咬口形式如下: 联合咬口型式 单咬口型式 咬口宽度见下表:咬口形式板材厚0.5~0.70.7~0.91.0~1.2单咬口型式6~88~1010~12联合咬口型式3~99~1010~11技术要求:2.1 风管板材拼接的咬口缝应错开,不得有十字拼接缝。2.2 风管法兰的螺栓及铆钉孔的间距不得大于 110mm,且矩形风管法兰的四角部位设有螺栓。2.3 风管所用的螺栓、螺母、垫圈和铆钉均应镀锌。2.4 镀锌钢板不应有严重锌层损坏的现象。如表面大量白花、锌层粉化情况。2.5 法兰翻边处,锌层损坏的应刷环氧富锌漆。2.6 制作过程中注意保护板材,不应在地面上拖拉板材。2.7 风管与配件的咬口缝应紧密,宽度应一致,折角应平直,圆弧应均匀,两端面平行,风管无明显扭曲与翘角,表面应平整,凹凸不...

1、当您付费下载文档后,您只拥有了使用权限,并不意味着购买了版权,文档只能用于自身使用,不得用于其他商业用途(如 [转卖]进行直接盈利或[编辑后售卖]进行间接盈利)。
2、本站所有内容均由合作方或网友上传,本站不对文档的完整性、权威性及其观点立场正确性做任何保证或承诺!文档内容仅供研究参考,付费前请自行鉴别。
3、如文档内容存在违规,或者侵犯商业秘密、侵犯著作权等,请点击“违规举报”。

碎片内容

车站通风空调系统施工方案

确认删除?
VIP
微信客服
  • 扫码咨询
会员Q群
  • 会员专属群点击这里加入QQ群
客服邮箱
回到顶部