电脑桌面
添加小米粒文库到电脑桌面
安装后可以在桌面快捷访问

青海某工程施工质量控制方案VIP免费

青海某工程施工质量控制方案_第1页
1/27
青海某工程施工质量控制方案_第2页
2/27
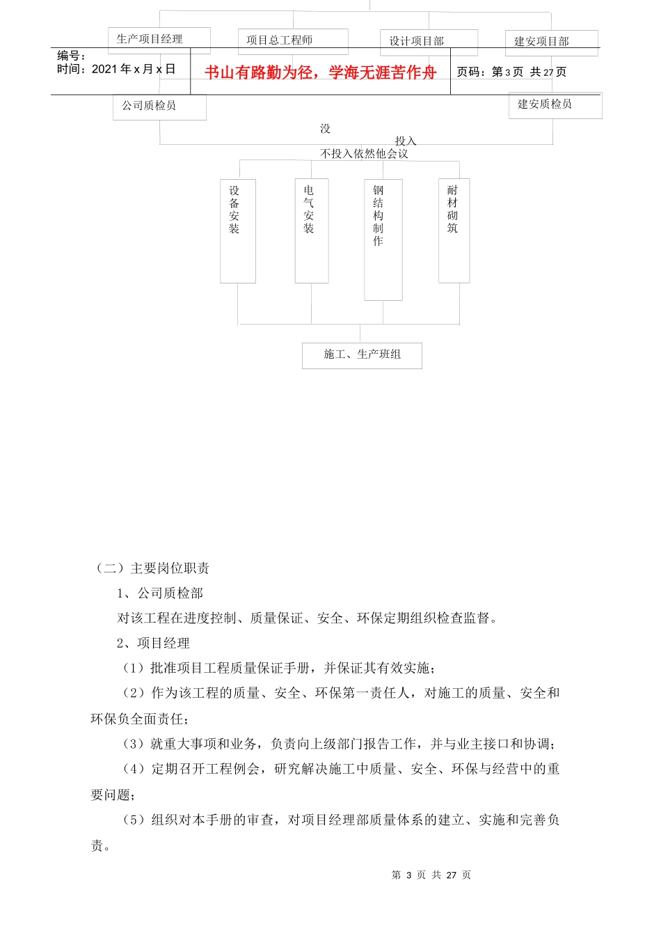
青海某工程施工质量控制方案_第3页
3/27
青海盐湖海纳化工有限公司聚氯乙烯一体化项目15万吨/年电石续建、迁建装置工程施工质量控制方案编制:第2页共27页编号:时间:2021年x月x日书山有路勤为径,学海无涯苦作舟页码:第2页共27页审核:批准:浙江诸安建设集团有限公司2010-9-30施工质量控制本工程的质量目标是:工程达到建设部合格标准。第一节设备制造方案一、质量保证手册前言我方为完成本工程,按照ISO9002标准和招标书要求,结合类似工程质量体系管理的经验,制定了本工程初步的质量保证手册和程序目录。为了保证全面实施本工程质量保证手册,达到承诺的质量目标,我方将按照质量手册的规定,进一步建立和实施一切必要的质量保证和管理程序,确保质量体系有效运作。二、质量保证体系及职责(一)质量保证体系如下:第3页共27页第2页共27页EPC项目经理没投入不投入依然他会议生产项目经理建安项目部建安质检员项目总工程师设计项目部公司质检员设备安装电气安装钢结构制作耐材砌筑施工、生产班组编号:时间:2021年x月x日书山有路勤为径,学海无涯苦作舟页码:第3页共27页(二)主要岗位职责1、公司质检部对该工程在进度控制、质量保证、安全、环保定期组织检查监督。2、项目经理(1)批准项目工程质量保证手册,并保证其有效实施;(2)作为该工程的质量、安全、环保第一责任人,对施工的质量、安全和环保负全面责任;(3)就重大事项和业务,负责向上级部门报告工作,并与业主接口和协调;(4)定期召开工程例会,研究解决施工中质量、安全、环保与经营中的重要问题;(5)组织对本手册的审查,对项目经理部质量体系的建立、实施和完善负责。第4页共27页第3页共27页编号:时间:2021年x月x日书山有路勤为径,学海无涯苦作舟页码:第4页共27页(6)负责项目经理部组织机构的设置,人员的配备,职务的分工和授权。(7)对项目经理部的质量工作提供必要的、充足的资源。(8)主持项目经理部管理评审。3、质检部部长(1)向该工程项目经理负责,并定期就质量工作向项目管理者代表报告工作;(2)负责质量管理、质量检验、试验中心等工作;(3)协助编制质量保证手册;(4)制订内部审核计划并组织实施,负责编写内部审核报告;(5)审核并批准合格分供方名册;(6)主持召开工程质量工作会议;(7)组织接受业主的质量审核(质保监查),并就重要质保问题与业主质保部门接口。4、项目总工程师(1)向项目经理报告工作。负责文件管理、现场变更、施工技术工作;(2)负责施工中正确执行合同规定的技术规范;(3)组织编制施工方案、质量计划、各项现场变更与竣工文件;(4)批准重大不合格项的处理方案;(5)批准物项/服务采购中技术条款的审核;(6)批准正式试验评定报告与工程技术程序等。(三)工作接口1、内部接口项目经理部各部门之间的接口按各部门编制的工作程序中规定的要求执行。2、外部接口我项目经理部在该工程上与外部接口主要有:——业主方——业主采购设备的供应商代表——设计方——监理方——政府质检、安监机构第5页共27页第4页共27页编号:时间:2021年x月x日书山有路勤为径,学海无涯苦作舟页码:第5页共27页——联合体双方总部3、联络方式为做到有据可查,原则规定必须以书面文件传递,并按文件类别控制分发。4、支持性文件本公司已认证执行的ISO9002质量认证体系文件。三、质量体系(一)质量保证体系认证及程序文件的编制原则1、本质量保证体系是本项目经理部质量体系的总述,它对本项目经理部在承担本工程中对管理性及技术性工作在质量控制方面做出的总的概述,在实施时有相应的程序文件给予具体指导。2、凡涉及与质量有关的活动,如果没有形成文件程序就不能保证质量时,都必须先制定程序,即都应有适用的程序与活动相对应,但任何程序、细则、作业指导书的制定均应遵循质量体系中规定的原则,即不能与质量保证体系相抵触。3、任何从事影响到质量活动的人员,必须对其从事的工作编制相应的程序,并对人员进行按程序办事的培训。4、质量保证手册及其程序文、细则、作业指导书应在必要时作修改,以确保适宜性。(二)质量体系的文件结构本项工程的质量体系文件结构为三层,《质量保证体系》为...

1、当您付费下载文档后,您只拥有了使用权限,并不意味着购买了版权,文档只能用于自身使用,不得用于其他商业用途(如 [转卖]进行直接盈利或[编辑后售卖]进行间接盈利)。
2、本站所有内容均由合作方或网友上传,本站不对文档的完整性、权威性及其观点立场正确性做任何保证或承诺!文档内容仅供研究参考,付费前请自行鉴别。
3、如文档内容存在违规,或者侵犯商业秘密、侵犯著作权等,请点击“违规举报”。

碎片内容

青海某工程施工质量控制方案

确认删除?
VIP
微信客服
  • 扫码咨询
会员Q群
  • 会员专属群点击这里加入QQ群
客服邮箱
回到顶部