电脑桌面
添加小米粒文库到电脑桌面
安装后可以在桌面快捷访问

土石方工程质量评定表及填表说明VIP专享VIP免费

土石方工程质量评定表及填表说明_第1页
1/106
土石方工程质量评定表及填表说明_第2页
2/106
土石方工程质量评定表及填表说明_第3页
3/106
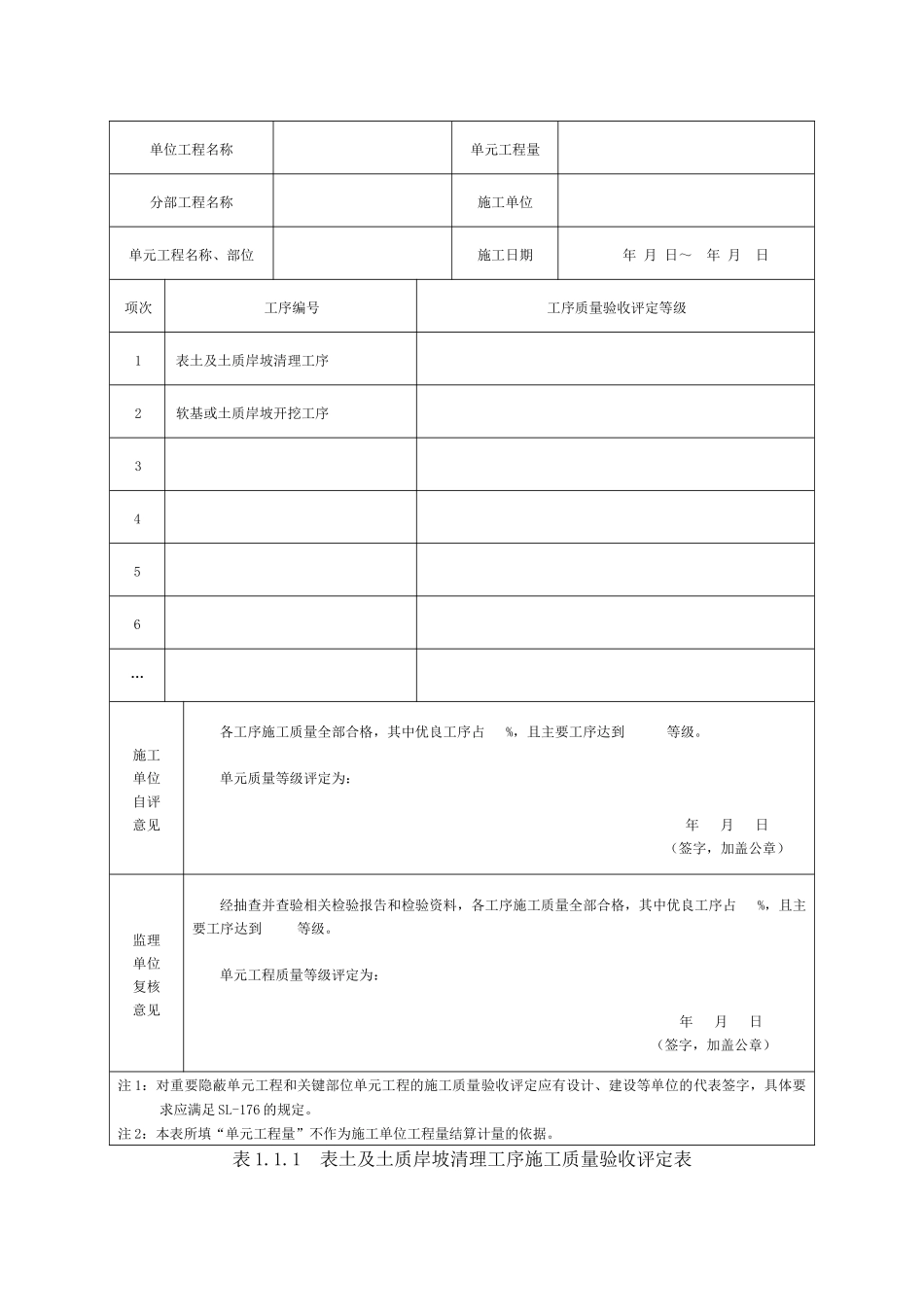
1.土石方工程表1.1土方开挖工程单元工程质量评定表填表说明填表时必须遵守“填表基本规定”,并符合以下要求:1.单元工程划分:以工程设计结构或施工检查验收的区、段划分,每一区、段划分为一个单元工程。2.单元工程量:填写本单元土方开挖工程量(m3)。3.本表是在1.1.1、1.1.2工序表质量评定后完成。4.单元工程施工质量验收评定应包括下列资料:(1)施工单位应提交单元工程中所含工序(或检验项目)验收评定的检验资料,各项实体检验项目的检验记录资料。(2)监理单位应提交对单元工程施工质量的平行检测资料。5.单元工程质量标准:合格标准:各工序施工质量验收评定应全部合格;各项报验资料应符合本标准的要求。优良标准:各工序施工质量验收评定应全部合格,其中优良工序应达到50%及以上,且主要工序应达到优良等级;各项报验资料应符合本标准的要求。水利水电工程表1.1土方开挖单元工程施工质量验收评定表单位工程名称单元工程量分部工程名称施工单位单元工程名称、部位施工日期年月日~年月日项次工序编号工序质量验收评定等级1表土及土质岸坡清理工序2软基或土质岸坡开挖工序3456…施工单位自评意见各工序施工质量全部合格,其中优良工序占%,且主要工序达到等级。单元质量等级评定为:年月日(签字,加盖公章)监理单位复核意见经抽查并查验相关检验报告和检验资料,各工序施工质量全部合格,其中优良工序占%,且主要工序达到等级。单元工程质量等级评定为:年月日(签字,加盖公章)注1:对重要隐蔽单元工程和关键部位单元工程的施工质量验收评定应有设计、建设等单位的代表签字,具体要求应满足SL-176的规定。注2:本表所填“单元工程量”不作为施工单位工程量结算计量的依据。表1.1.1表土及土质岸坡清理工序施工质量验收评定表填表说明填表时必须遵守“填表基本规定”,并符合以下要求:1.单位工程、分部工程、单元工程名称及部位填写要与表1.1相同,工序编号为本《工序施工质量验收评定表》编号。2.检验(测)方法及数量:表土及土质岸坡清理施工检验方法及数量检验项目检验方法检验数量表土清理观察、查阅施工记录全数检查不良土质的处理观察、查阅施工记录全数检查地质坑、孔处理观察、查阅施工记录、取样试验等全数检查清理范围量测每边线测点不少于5个点,且点间距不大于20m土质岸边坡度量测每10延米量测1处;高边坡需测定断面,每20延米测一个断面3.工序施工质量验收评定应提交下列资料:(1)施工单位各班(组)的初检记录、施工队复检记录、施工单位专职质检员终检记录,工序中各施工质量检验项目的检验资料。(2)监理单位对工序中施工质量检验项目的平行检测资料。4.工序质量标准合格标准:(1)主控项目,检验结果应全部符合本标准的要求。(2)一般项目,逐项应有70%及以上的检验点合格,且不合格点不应集中。(3)各项报验资料应符合本标准的要求。优良标准:(1)主控项目,检验结果应全部符合本标准的要求。(2)一般项目,逐项应有90%及以上的检验点合格,且不合格点不应集中。(3)各项报验资料应符合本标准的要求。水利水电工程表1.1.1表土及土质岸坡清理工序施工质量验收评定表单位工程名称工序编号分部工程名称施工单位单元工程名称、部位施工日期年月日~年月日项次检验项目质量标准检查(测)记录合格数合格率主控项目1表土清理树木、草皮、树根、乱石、坟墓以及各种建筑物全部清除;水井、泉眼、地道、坑窖等洞穴的处理符合设计要求2不良土质的处理淤泥、腐殖质土、泥炭土全部清除;对风化岩石、坡积物、残积物、滑坡体、粉土、细砂等处理符合设计要求3地质坑、孔处理构筑物基础区范围内的地质探孔、竖井、试坑的处理符合设计要求;回填材料质量满足设计要求一般项目1清理范围满足设计要求。长、宽边线允许偏差:人工施工0~50cm,机械施工0~100cm2土质岸边坡度不陡于设计边坡施工单位自评意见主控项目检验点100%合格,一般项目逐项检验点的合格率%,且不合格点不集中分布。工序质量等级评定为:年月日(签字,加盖公章)监理单位复核意见经复核,主控项目检验点100%合格,一般项目逐项检验点的合格率%,且不合格点不集中分布。工序质量等...

1、当您付费下载文档后,您只拥有了使用权限,并不意味着购买了版权,文档只能用于自身使用,不得用于其他商业用途(如 [转卖]进行直接盈利或[编辑后售卖]进行间接盈利)。
2、本站所有内容均由合作方或网友上传,本站不对文档的完整性、权威性及其观点立场正确性做任何保证或承诺!文档内容仅供研究参考,付费前请自行鉴别。
3、如文档内容存在违规,或者侵犯商业秘密、侵犯著作权等,请点击“违规举报”。

碎片内容

土石方工程质量评定表及填表说明

确认删除?
VIP
微信客服
  • 扫码咨询
会员Q群
  • 会员专属群点击这里加入QQ群
客服邮箱
回到顶部