电脑桌面
添加小米粒文库到电脑桌面
安装后可以在桌面快捷访问

线路质量检测评级表VIP免费

线路质量检测评级表_第1页
1/48
线路质量检测评级表_第2页
2/48
线路质量检测评级表_第3页
3/48
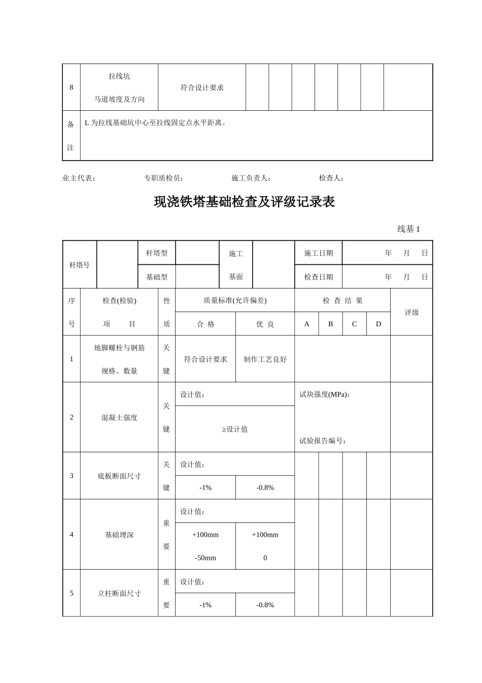
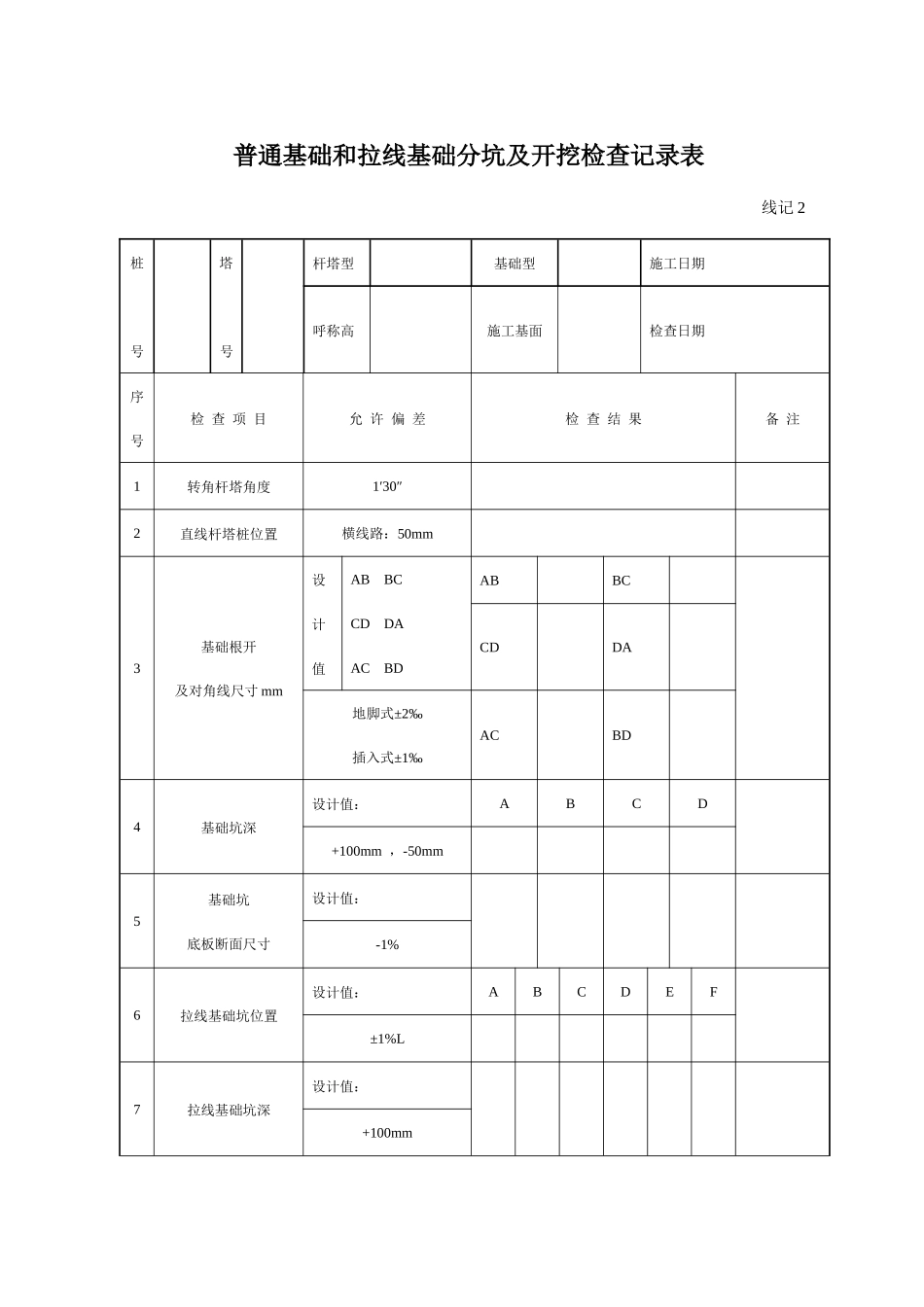
普通基础和拉线基础分坑及开挖检查记录表线记2桩号塔号杆塔型基础型施工日期呼称高施工基面检查日期序号检查项目允许偏差检查结果备注1转角杆塔角度1′30″2直线杆塔桩位置横线路:50mm3基础根开及对角线尺寸mm设计值ABBCCDDAACBDABBCCDDA地脚式±2‰插入式±1‰ACBD4基础坑深设计值:ABCD+100mm,-50mm5基础坑底板断面尺寸设计值:-1%6拉线基础坑位置设计值:ABCDEF±1%L7拉线基础坑深设计值:+100mm8拉线坑马道坡度及方向符合设计要求备注L为拉线基础坑中心至拉线固定点水平距离。业主代表:专职质检员:施工负责人:检查人:现浇铁塔基础检查及评级记录表线基1杆塔号杆塔型施工基面施工日期年月日基础型检查日期年月日序号检查(检验)项目性质质量标准(允许偏差)检查结果评级合格优良ABCD1地脚螺栓与钢筋规格、数量关键符合设计要求制作工艺良好2混凝土强度关键设计值:试块强度(MPa):试验报告编号:≥设计值3底板断面尺寸关键设计值:-1%-0.8%4基础埋深重要设计值:+100mm-50mm+100mm05立柱断面尺寸重要设计值:-1%-0.8%6钢筋保护层厚度重要-5mm7混凝土表面质量重要符合《规范》5.2.1.3条表面平整8整基基础中心位移重要顺线路30mm24mm横线路30mm24mm9整基基础扭转重要一般塔10′8′高塔5′4′10回填土重要符合《规范》4.0.74.0.84.0.9条无沉陷,防沉层完整美观11基础根开及对角线尺寸(mm)一般设计值ABCDACBCDABDABBCCDDA螺栓式:±2‰插入式:±1‰高塔:±0.7‰±1.6‰±0.8‰±0.6‰ACBD12同组地脚螺栓中心与立柱中心偏移一般10mm8mmABCD13基础顶面高差一般5mm备注评级业主代表:专职质检员:施工负责人:检查人:现浇铁塔拉线基础检查及评级记录表线基2杆塔号杆塔型施工基面施工日期年月日基础型检查日期年月日序号检查(检验)项目性质质量标准(允许偏差)检查结果评级合格优良ABCDEF1拉线基础埋件、钢筋规格、数量关键符合设计要求制作工艺良好2混凝土强度关键设计值:试块强度(MPa):试验报告编号:>设计值3底板断面尺寸关键-1%-0.8%4基础埋深重要设计值:+100mm5锚杆拉线基础孔重要角度2°孔径+20mm孔深+100mm6保护层厚度重要-5mm7混凝土表面质量重要符合《规范》5.2.13条表面平整8回填土重要符合《规范》4.0.74.0.8、4.0.9条无沉陷防沉层完整美观9拉线基础拉环中心与设计位置偏移重要20mm16mm10拉线基础中心在拉线方向的位移一般左右1%L0.8%L前后1°0.8°11拉线棒外观无弯曲无锈蚀回头方向一致备注L:为拉线环中心距拉线固定点水平距离评级业主代表:专职质检员:施工负责人:检查人:装配式基础检查及评级记录表线基3杆塔号杆塔型施工基面施工日期年月日基础型检查日期年月日序号检查(检验)项目性质质量标准(允许偏差)检查结果评级合格优良ABCD1预制件规格、数量关键符合设计和《规范》第2.0.19条要求2预制件强度关键设计值:试块强度(MPa):试验报告编号:符合设计要求3基础埋深关键设计值:+100mm-50mm+100mm04立柱倾斜重要0.1%0.8%5整基基础中心与中心桩位移重要顺线路30mm24mm横线路30mm24mm6整体基础扭转重要一般塔10′8′高塔5′4′7构件安装重要符合《规范》第531~533条8回填土重要符合《规范》4.0.7、4.0.9条无沉陷防沉层完整美观9基础根开及对角线尺寸(mm)一般设计值ABCDACBCDABDABBCCDDA螺栓式:±2‰插入式:±1‰高塔:±0.7‰±1.6‰±0.8‰±0.6‰ACBD10基础顶面高差一般5mm备评级注业主代表:专职质检员:施工负责人:检查人:混凝土杆塔基础检查及评级记录表线基4杆塔号杆塔型施工基面施工日期年月日基础型检查日期年月日序号检查(检验)项目性质质量标准(允许偏差)检查结果评级合格优良ABCDEF1预制件规格、数量关键符合设计和《规范》2.0.19条要求2预制件强度关键设计值:试块强度(MPa):试验报告编号:符合设计要求3铁件、金具规格、数量关键符合设计要求4底盘埋深关键设计值:左右+100mm-50mm+100mm05底盘埋深关键设计值:ABCDEF+100mm6卡盘埋深关键设计值上盘:中盘:下盘:左上右上中中±50mm±40mm下下7底盘高差关键符合《规范》第6、1.8条ABCDEF8回填土关键符合《规范》4.0.7,4.0.8,4.0.9条无沉陷防沉层完整美观9基础中心位移关键顺线路:50mm40mm...

1、当您付费下载文档后,您只拥有了使用权限,并不意味着购买了版权,文档只能用于自身使用,不得用于其他商业用途(如 [转卖]进行直接盈利或[编辑后售卖]进行间接盈利)。
2、本站所有内容均由合作方或网友上传,本站不对文档的完整性、权威性及其观点立场正确性做任何保证或承诺!文档内容仅供研究参考,付费前请自行鉴别。
3、如文档内容存在违规,或者侵犯商业秘密、侵犯著作权等,请点击“违规举报”。

碎片内容

线路质量检测评级表

确认删除?
VIP
微信客服
  • 扫码咨询
会员Q群
  • 会员专属群点击这里加入QQ群
客服邮箱
回到顶部