电脑桌面
添加小米粒文库到电脑桌面
安装后可以在桌面快捷访问

网络质量年度现场检查评分办法VIP免费

网络质量年度现场检查评分办法_第1页
1/20
网络质量年度现场检查评分办法_第2页
2/20
网络质量年度现场检查评分办法_第3页
3/20
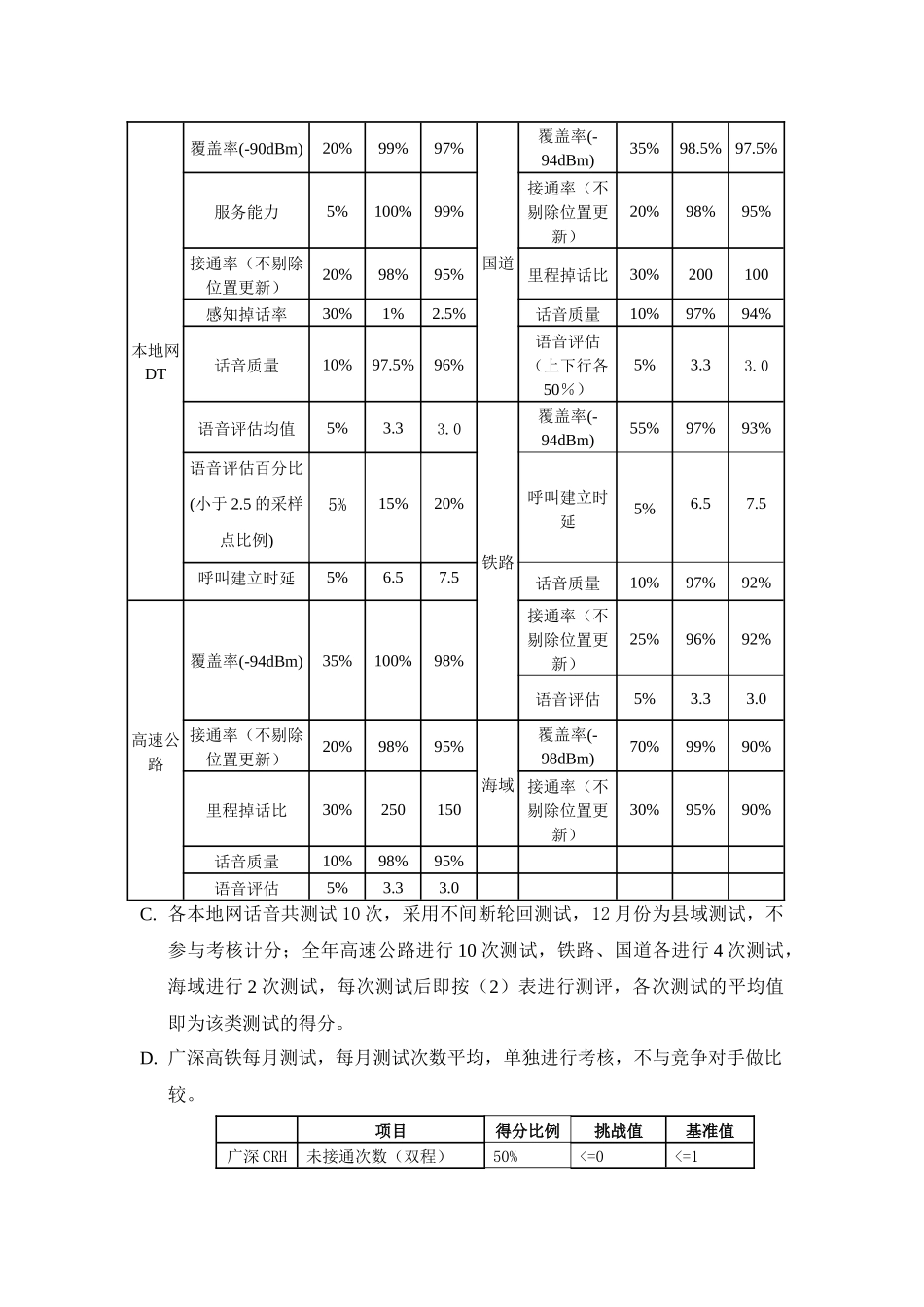
2010年网络质量现场检查评分办法一、总体评分情况:现场检查占全年网络运行维护考核的30分,包括本地网、交通干线(含高速公路、铁路、国道和沿海海域)的GSM及TD网络自动路测、村通及室内CQT拨测和数据业务拨测两部分,所有测试同时对联通GSM、CDMA网络及电信CDMA网络进行对比测试,分值分布如下:项目分值GSM网络质量测试15TD网络质量测试6数据业务质量测试9二、GSM网络质量测试(一)、网络质量现场检查总体要求及分值分布网络质量现场检查的总体要求如下表:总体要求室外室内网络覆盖本地网信号强度>=-90dBm。候机楼、候车厅、码头、港口、地铁站等交通枢纽和过境处信号强度>=-85dBm,其余>=-90dBm。网络质量无掉话、无呼叫建立失败、话音质量良好,在保证承载网质量的基础上要保证各种业务的客户感知质量良好。网络对比各项指标均优于竞争对手两个网络的最优者。测试方法采用主被叫终端同车互拨,本地网、国道、铁路、海域呼叫时长180秒,间隔20秒。高速测试呼叫时长15分钟,间隔20秒。广州、深圳本地网增加6dB衰减器,其他地市和干道增加3dB衰减器,海域不加衰减器。分值分布情况如下表:村通及室内CQT拨测自动路测村通室内CQT本地网交通干线(含高速公路、铁路、国道和沿海海域)话音数据话音数据各市公司0.51.58131交通干线测试分值比例如下表:交通干线(含高速公路、铁路、国道和沿海海域)话音数据高速公路广深高铁铁路国道海域高速公路铁路国道海域广州、深圳、东莞1.30.20.50.50.50.250.250.250.25其他市公司1.500.50.50.50.250.250.250.25(二)、自动路测评分方法自动路测部分主要对本地网、高速公路、铁路、国道的语音和数据业务性能指标进行考核。1、语音部分评分方法(1)语音部分总体原则:设定移动指标为T1,其它运营商指标为T2,(其它运营商取电信C网和联通G网的最优值,话音质量只取联通G网);得分为S;上限值Kh、下限值Kl。条件分值T1优于Kh或(T1介于Kh与Kl之间且T1优于T2)S=满分T1劣于Kl且T1优于T2S=满分×2/3T1介于Kh与Kl之间但T1劣于T2S=满分×1/3T1劣于Kl但T1劣于T2S=0分注:T1=T2属优于竞争对手(2)语音部分评分细则:A.语音部分考核本地网、高速公路、国道、铁路和海域;B.本地网、高速公路、国道、铁路及海域的考核指标、分值比例和上下限值,如下表;与电信C网和联通G网最优者相比得分比例KhKl与电信C网和联通G网最优者相比得分比例KhKl本地网DT覆盖率(-90dBm)20%99%97%国道覆盖率(-94dBm)35%98.5%97.5%服务能力5%100%99%接通率(不剔除位置更新)20%98%95%接通率(不剔除位置更新)20%98%95%里程掉话比30%200100感知掉话率30%1%2.5%话音质量10%97%94%话音质量10%97.5%96%语音评估(上下行各50%)5%3.33.0语音评估均值5%3.33.0铁路覆盖率(-94dBm)55%97%93%语音评估百分比(小于2.5的采样点比例)5%15%20%呼叫建立时延5%6.57.5呼叫建立时延5%6.57.5话音质量10%97%92%高速公路覆盖率(-94dBm)35%100%98%接通率(不剔除位置更新)25%96%92%语音评估5%3.33.0接通率(不剔除位置更新)20%98%95%海域覆盖率(-98dBm)70%99%90%里程掉话比30%250150接通率(不剔除位置更新)30%95%90%话音质量10%98%95%语音评估5%3.33.0C.各本地网话音共测试10次,采用不间断轮回测试,12月份为县域测试,不参与考核计分;全年高速公路进行10次测试,铁路、国道各进行4次测试,海域进行2次测试,每次测试后即按(2)表进行测评,各次测试的平均值即为该类测试的得分。D.广深高铁每月测试,每月测试次数平均,单独进行考核,不与竞争对手做比较。项目得分比例挑战值基准值广深CRH未接通次数(双程)50%<=0<=1NK20K1K22K1N0铁路里程掉话比(双程)50%>=80公里>=40公里未接通次数(双程)-广深CRH铁路达到挑战值则得满分,高于基准值则得零分;小于或等于基准值则得0.5×满分;里程掉话比(双程)-广深CRH铁路达到挑战值则得满分,未达到基准值则得零分;介于两者之间则得0.5×满分;E.无海域的地市,海域分值全部转移到高速公路中;没有铁路的地市,铁路的分值全部转移到国道中,如珠海公司:F.铁路覆盖率考核不再剔除长隧道的无覆盖部分。G.话音质量说明:取SUB值,...

1、当您付费下载文档后,您只拥有了使用权限,并不意味着购买了版权,文档只能用于自身使用,不得用于其他商业用途(如 [转卖]进行直接盈利或[编辑后售卖]进行间接盈利)。
2、本站所有内容均由合作方或网友上传,本站不对文档的完整性、权威性及其观点立场正确性做任何保证或承诺!文档内容仅供研究参考,付费前请自行鉴别。
3、如文档内容存在违规,或者侵犯商业秘密、侵犯著作权等,请点击“违规举报”。

碎片内容

网络质量年度现场检查评分办法

确认删除?
VIP
微信客服
  • 扫码咨询
会员Q群
  • 会员专属群点击这里加入QQ群
客服邮箱
回到顶部