电脑桌面
添加小米粒文库到电脑桌面
安装后可以在桌面快捷访问

某市政质量保证措施概述VIP免费

某市政质量保证措施概述_第1页
1/36
某市政质量保证措施概述_第2页
2/36
某市政质量保证措施概述_第3页
3/36
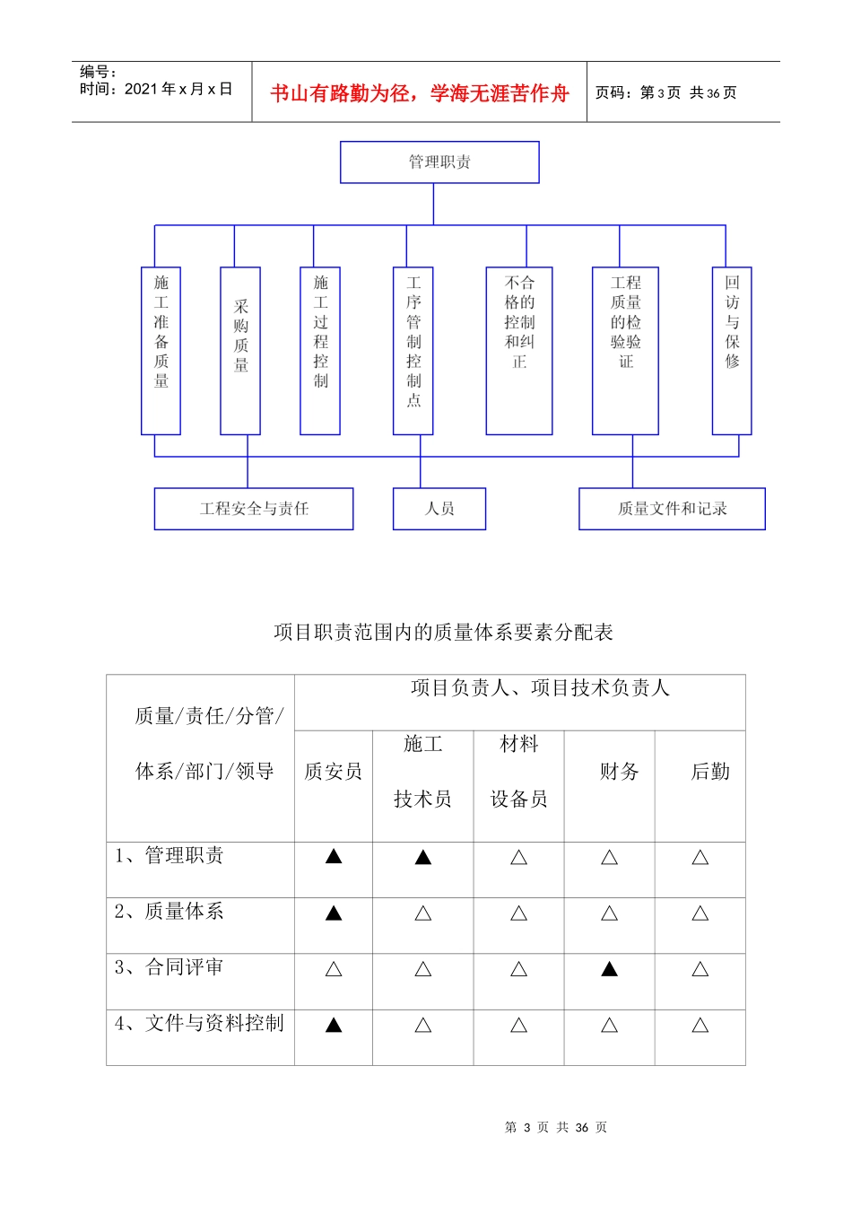
第1页共36页编号:时间:2021年x月x日书山有路勤为径,学海无涯苦作舟页码:第1页共36页第一节质量目标本工程若我公司能中标将作为我公司重点工程,质量目标确保按国家验收规范一次性验收合格,争创优良工程。一定以高标准严格要求自己,发扬公司在多年施工管理中创优夺杯精神,以ISO9001:2000国际质量保证体系为后盾,实行优质目标管理。近几年来,我公司一直把施工质量看成是公司生存的坚实基础,始终把工程质量放在首位,以质量创市场,以质量赢信誉。多年的施工实践中我们积累了丰富的经验和建立了完善的施工管理制度,形成一个完整的质量保证体系,取得了国际质量保证体系,确保了施工项目的工程质量。在本工程施工中,我们以争创优良工程为目标,在施工中实施质量目标管理制度,把质量目标分解到各施工班组中去,实行签约包干,同时做好自身的监督制度。第二节质量控制体系为保证质量目标的实现,我方将组建一支确保工程合格的经理和项目班子进行施工,配备经验丰富的专业技术人员,狠抓质量、进度、安全三条主线,确保工程质量的完成。为保证指挥的统一性,便于管理人员能各尽其责,以提高办事效率,根据本公司及项目部的特点,建立项目施工管理班子和组织结构及措施。一、组织结构及措施1、项目管理分三个层次。第一层为内部管理,以室内工作为主,主要为项目经理决策提供依据,分担项目经理的日常事务。第第2页共36页第1页共36页编号:时间:2021年x月x日书山有路勤为径,学海无涯苦作舟页码:第2页共36页二层为现场管理层,直接针对项目的现场施工,是现场施工诸要素管理的执行者。第三层为作业层,由各工种的班组组成,每个班设置一至二名班长,班长均由有一定的施工经验和组织能力的人员担任。2、合理组建中、青年相结合的管理班子,以素质高,有丰富经验的青年为主,用其所长,实行以项目经理为首的层层负责责任制,明确分工,互相配合,各负其职。3、实行管理层与作业层分开的组织方式。技术负责人、施工员主要管施工进度、技术、施工工序、质量、文明施工等,实施管理人员和班组层层把关制度,责任到人,人人把好质量、进度、安全等各关。各道工序一环紧扣一环,合理衔接,不留空隙,以确保方案顺利实施。4、精心选择作业班组。作业班组的技术素质和责任心直接影响到工程质量和进度,为此我们将根据本工程需要,对各班组进行先做样板,经公司的质量部门检查比较后,选择进度和质量最好的班组施工,为实现预期目标和提高工程质量创造条件。5、项目管理结构图项目部质量管理人员必须由经过培训,具有相应资格和授权的人员组成。由项目经理组织项目部全体员工在工作过程中贯彻执行质量保证体系。公司质量目标、质量方针以及工程质量目标上墙。项目部管理人员明确自己的质量职责,熟悉自己的本岗位的任务,项目部各要员质量职责上墙。第3页共36页第2页共36页编号:时间:2021年x月x日书山有路勤为径,学海无涯苦作舟页码:第3页共36页项目职责范围内的质量体系要素分配表质量/责任/分管/体系/部门/领导项目负责人、项目技术负责人质安员施工技术员材料设备员财务后勤1、管理职责▲▲△△△2、质量体系▲△△△△3、合同评审△△△▲△4、文件与资料控制▲△△△△第4页共36页第3页共36页编号:时间:2021年x月x日书山有路勤为径,学海无涯苦作舟页码:第4页共36页5、采购△△▲△△6、顾客提供产品的控制△△▲△△7、产品标识和追可溯性△▲△△△8、过程控制△▲△△△9、检验与试验▲△△△△10、检验测量和试验设备的控制▲△△△△11、检验试验状态▲△△△△12、不合格品控制▲△△△△13、纠正与预防措施▲△△△△14、搬运储存包装防护和支付△△△△△15、质量记录控制▲△△△△16、培训△△△△▲17、统计技术▲△△△△第5页共36页第4页共36页编号:时间:2021年x月x日书山有路勤为径,学海无涯苦作舟页码:第5页共36页注:▲责任部门、△相关部门第6页共36页第5页共36页编号:时间:2021年x月x日书山有路勤为径,学海无涯苦作舟页码:第6页共36页二、质量程序控制图第7页共36页第6页共36页编号:时间:2021年x月x日书山有路勤为径,学海无涯苦作舟页码:...

1、当您付费下载文档后,您只拥有了使用权限,并不意味着购买了版权,文档只能用于自身使用,不得用于其他商业用途(如 [转卖]进行直接盈利或[编辑后售卖]进行间接盈利)。
2、本站所有内容均由合作方或网友上传,本站不对文档的完整性、权威性及其观点立场正确性做任何保证或承诺!文档内容仅供研究参考,付费前请自行鉴别。
3、如文档内容存在违规,或者侵犯商业秘密、侵犯著作权等,请点击“违规举报”。

碎片内容

某市政质量保证措施概述

确认删除?
VIP
微信客服
  • 扫码咨询
会员Q群
  • 会员专属群点击这里加入QQ群
客服邮箱
回到顶部