电脑桌面
添加小米粒文库到电脑桌面
安装后可以在桌面快捷访问

208d基础工程施工方案VIP免费

208d基础工程施工方案_第1页
1/32
208d基础工程施工方案_第2页
2/32
208d基础工程施工方案_第3页
3/32
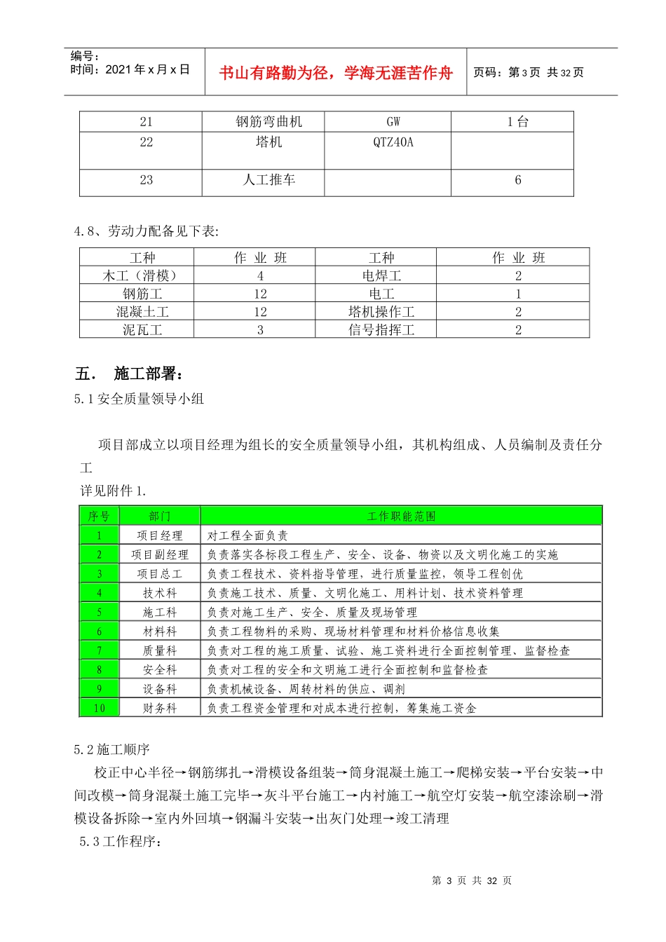
第1页共32页编号:时间:2021年x月x日书山有路勤为径,学海无涯苦作舟页码:第1页共32页主体工程施工方案一.适用范围本施工方案适用青海昆仑碱业100万吨/年纯碱工程热电站烟囱工程主体部分施工。二.编制依据1、烟囱设计施工图T08026-203CC01-112、建筑结构荷载规范(GB50009-2001)3、《液压滑动模板施工技术规范》(GBJ113-87)4、《液压滑动模板施工安全技术规程》(JGJ65-89)5、混凝土结构设计规范(50010-2002)6、《建筑工程质量检验验收统一评定标准》GB50300-2001;7、《建筑施工安全检查评分标准》(JGJ59-99)8、《混凝土结构工程施工质量验收规范》GB50204-2002;9.砌体结构设计规范(GB50003-2001)10、《钢筋焊接及验收规程》(JGJ18-2003)11、《施工现场临时用电安装技术规范》(JGJ46-2005)12、《建筑施工高处作业安全技术规范》(JGJ80-91)13、《建筑防腐工程施工及验收规范》GB50212-200214、《青海昆仑碱业100万吨∕年纯碱工程岩石工程勘察报告》;15、《工程合同》;16、施工现场实际情况;17、国家其它有关现行施工验收规范、技术规程及质量验评标准。三.工程概况本工程为青海昆仑碱业100万吨∕年纯碱工程150米热电站烟囱工程,其出口内径5米。结构形式为筒体构筑物,分别由承台基础,钢筋混凝土筒体及一些相应的附属设施等组成。基础垫层混凝土强度等级为C10,基础承台混凝土强度等级为C35。筒身70米以下混凝土强度等级为C40,70米以上混凝土强度等级为C35.烟囱筒体高度150米。筒身厚度由450mm逐步变成420mm、400mm、380mm、350mm、320mm、300mm、280mm、260mm240mm、220mm200mm、,随高度的增加而减少。筒身采用双层双向配筋。竖向钢筋采用电渣压力焊焊接,环向钢筋采用绑扎,其搭接长度为40D.内衬采用耐酸砖Z-3系列,规格为230MM*113MM*65MM,采用耐酸胶泥砌筑。隔热层采用憎水性水泥珍珠岩板制品,最高使用温度600℃。烟囱混凝土内壁涂“OM”型烟囱防腐涂料三遍。烟囱外侧设钢爬梯一座,在90米和143.75米处设有两层钢结构休息平台。烟囱外部90米-150米范围刷红白色航空标志漆。四.施工准备4.1、定位并复测校核,引测标高。并做好控制桩及控制标高点的保护。第2页共32页第1页共32页编号:时间:2021年x月x日书山有路勤为径,学海无涯苦作舟页码:第2页共32页4.2、领到图纸后,技术负责人应组织各部门有关人员进行图纸会审,并完成四方图纸会审。4.3、提前做好钢筋翻样,材料及周转材料(钢管、扣件、木模板等)、机械设备满足施工需要。4.4、保证现场的“三通一平”为基础施工创造好条件。4.5、钢材供应到场,并按照规定进行见证取样。复试合格后方可使用。4.6、各种配合比必须经有资质的试验室试配,并出具报告后方可使用。4.7、各种机具设备:序号设备名称规格数量1卷扬机5T/3T1台/2台2电焊机BX3-500-24台34气割设备2套5井架1200*1200*75001座6吊笼自制1只7振动器4台8提升平台1套9油路管道1套10千斤顶QH—6032只11配电箱5套12经纬仪J21台13线锤40KG1台14强制式搅拌机JS5001台15电子配料器1000Kg1台16滑轮2108套17装载车18配电箱519外挂吊蓝ZLP630型1套20钢筋切断机GQ401台第3页共32页第2页共32页编号:时间:2021年x月x日书山有路勤为径,学海无涯苦作舟页码:第3页共32页21钢筋弯曲机GW1台22塔机QTZ40A23人工推车64.8、劳动力配备见下表:工种作业班工种作业班木工(滑模)4电焊工2钢筋工12电工1混凝土工12塔机操作工2泥瓦工3信号指挥工2五.施工部署:5.1安全质量领导小组项目部成立以项目经理为组长的安全质量领导小组,其机构组成、人员编制及责任分工详见附件1.序号部门工作职能范围1项目经理对工程全面负责2项目副经理负责落实各标段工程生产、安全、设备、物资以及文明化施工的实施3项目总工负责工程技术、资料指导管理,进行质量监控,领导工程创优4技术科负责施工技术、质量、文明化施工、用料计划、技术资料管理5施工科负责对施工生产、安全、质量及现场管理6材料科负责工程物料的采购、现场材料管理和材料价格信息收集7质量科负责对工程的施工质量、试验、施工资料进行全面控制管理、监督检查8安全科负责对工程的安全和文明施工进行全面控...

1、当您付费下载文档后,您只拥有了使用权限,并不意味着购买了版权,文档只能用于自身使用,不得用于其他商业用途(如 [转卖]进行直接盈利或[编辑后售卖]进行间接盈利)。
2、本站所有内容均由合作方或网友上传,本站不对文档的完整性、权威性及其观点立场正确性做任何保证或承诺!文档内容仅供研究参考,付费前请自行鉴别。
3、如文档内容存在违规,或者侵犯商业秘密、侵犯著作权等,请点击“违规举报”。

碎片内容

208d基础工程施工方案

您可能关注的文档

确认删除?
VIP
微信客服
  • 扫码咨询
会员Q群
  • 会员专属群点击这里加入QQ群
客服邮箱
回到顶部