电脑桌面
添加小米粒文库到电脑桌面
安装后可以在桌面快捷访问

电气施工图审查的项目内容与质量控制要求VIP免费

电气施工图审查的项目内容与质量控制要求_第1页
1/7
电气施工图审查的项目内容与质量控制要求_第2页
2/7
电气施工图审查的项目内容与质量控制要求_第3页
3/7
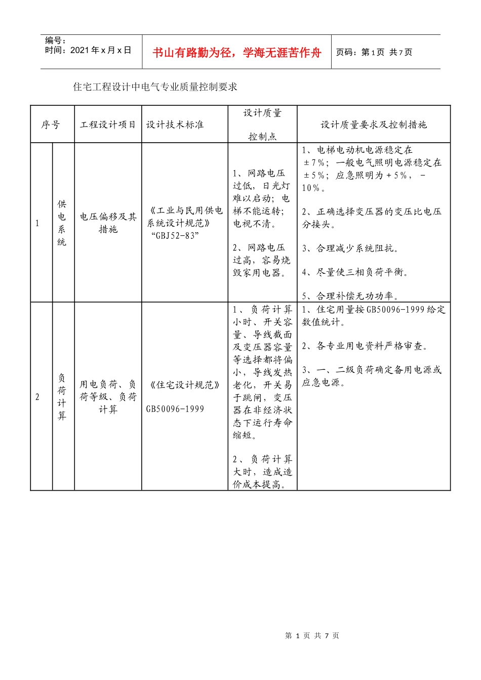
第1页共7页编号:时间:2021年x月x日书山有路勤为径,学海无涯苦作舟页码:第1页共7页住宅工程设计中电气专业质量控制要求序号工程设计项目设计技术标准设计质量控制点设计质量要求及控制措施1供电系统电压偏移及其措施《工业与民用供电系统设计规范》“GBJ52-83”1、网路电压过低,日光灯难以启动;电梯不能运转;电视不清。2、网路电压过高,容易烧毁家用电器。1、电梯电动机电源稳定在±7%;一般电气照明电源稳定在±5%;应急照明为+5%,-10%。2、正确选择变压器的变压比电压分接头。3、合理减少系统阻抗。4、尽量使三相负荷平衡。5、合理补偿无功功率。2负荷计算用电负荷、负荷等级、负荷计算《住宅设计规范》GB50096-19991、负荷计算小时、开关容量、导线截面及变压器容量等选择都将偏小,导线发热老化,开关易于跳闸,变压器在非经济状态下运行寿命缩短。2、负荷计算大时,造成造价成本提高。1、住宅用量按GB50096-1999给定数值统计。2、各专业用电资料严格审查。3、一、二级负荷确定备用电源或应急电源。第2页共7页第1页共7页编号:时间:2021年x月x日书山有路勤为径,学海无涯苦作舟页码:第2页共7页3备用柴油发电机组选择柴油发电机组1、《高层民用建筑设计防火规范》GB50045-951、柴油发电机噪声对住户影响2、柴油发电机排出的烟对周围环境污染3、自启动时间长短对恢复供电造成影响4、发电机容量大小直接影响一次投资1、正确计算选择发电机的容量。机型要小、结构要紧凑。2、柴油发电机组噪声要小,耗油要少,15秒自动启动。3、采取消音措施达到环保要求。4、烟气实行高空排放。4配变电所配变电所设置《10KV及以下变电所设计规范》GB50053-941、配变电所系统接线方式、变压器容量及台数、主要设备选型、配变电所位置直接关系到供电系统安全运行2、合理布置可减少土建投资。1、配变电所设计应进行经济技术比较。2、一类高层或多层建筑物内采用干式变压器。3、设计前要取得当地供电局有关资料。4、配变电所所址选择应满足规范要求。序号工程设计项目设计技术标准设计质量控制点设计质量要求及控制措施第3页共7页第2页共7页编号:时间:2021年x月x日书山有路勤为径,学海无涯苦作舟页码:第3页共7页5低压配电低压配电装置设计1、《低压配电设计规范》GB50054-952、《民用建筑电气设计规范》JGJ/T16-921、配电线路装设的短路保护开关、过负荷保护开关,选择不当直接影响供电和发生事故1、自变压器低压侧配出回路至用电设备之间的配电级数不宜超过3级。2、正确选择短路保护及过负荷保护开关,并按规范要求安装于被保护的配电线路。3、配电系统的第一、二级之间保护开关应具有动作选择性。4、开关电器其余要求按规范要求进行选择。6电气设备电动机的控制与保护设计JGJ/T16-921、控制系统失灵水泵停止影响供水。2、电梯停电给居民带来不便。1、断路器选择满足IQF≥BN/√3UCOS∮,PN:电动机额定功率(W):V:电动机额定电压(V)2、过载继电器整定电流IQF≥(0.9-1.05)IN/√33、导电载面、熔断器及接触器选择符合规范要求。7日用电器各种插座设计(电视机等日用电器用)《住宅设计规范》GB50096-1999采用节能灯提倡绿色照明、让居民满意。1、插座设置的数量应满足GB50096-1999.6.5.4要求。2、普通插座安装于0.3米处应选择带防护门。3、插座相线、零线、地线,按规范要求不允许接错,安装高度按设计要求。8电气照明普通照明及应急照明设计1、《民用建筑照明设计标准》GBJ133-902、《低压配电设计规范》GB50045-95采用节能灯提倡绿色照明,让居民满意。1、为节省能源和保护环境,住宅尽量采用紧凑型荧光灯。2、除高层住宅的电梯厅和应急照明外,均采用节能自熄开关。3、疏散照明,安全出口灯,尽量采用场致发光型灯。4、荧光灯镇流器采用电子镇流器。第4页共7页第3页共7页编号:时间:2021年x月x日书山有路勤为径,学海无涯苦作舟页码:第4页共7页9三表系统设计方便客户,有利安全,提高建筑物档次,便于管理。采用水表、电表、煤气表智能化集中抄表系统。序号工程设计项目设计技术标准设计质量控制点设计质量要求及控制措施10建筑物防雷设计1、GB50057-942、JGJ/T16-92设计不...

1、当您付费下载文档后,您只拥有了使用权限,并不意味着购买了版权,文档只能用于自身使用,不得用于其他商业用途(如 [转卖]进行直接盈利或[编辑后售卖]进行间接盈利)。
2、本站所有内容均由合作方或网友上传,本站不对文档的完整性、权威性及其观点立场正确性做任何保证或承诺!文档内容仅供研究参考,付费前请自行鉴别。
3、如文档内容存在违规,或者侵犯商业秘密、侵犯著作权等,请点击“违规举报”。

碎片内容

电气施工图审查的项目内容与质量控制要求

您可能关注的文档

确认删除?
VIP
微信客服
  • 扫码咨询
会员Q群
  • 会员专属群点击这里加入QQ群
客服邮箱
回到顶部